数电技术基础大恶补07:存储器
数电技术基础大恶补07:存储器
目录
- 1.锁存器
- 2.触发器
- 2.1 电平触发触发器
- 2.2 边沿触发触发器
- 2.3 脉冲触发触发器
- 3.触发器逻辑分类
- 3.1 SR触发器
- 3.2 JK触发器
- 3.3 T触发器
- 3.4 D触发器
- 4.触发器的动态特性
- 4.1 建立时间(先到)
- 4.2 保持时间(晚走)
- 4.3 传输延迟时间
- 4.4 最高时钟频率
- 5.寄存器
- 6.存储器
- 6.1SRAM
- 6.2 DRAM
- 6.3 ROM
- 7.容量扩展
1.锁存器
SR锁存器时静态存储单元中最基本的最简单的一种,如图所示。

我们定义: ①Q = 1,且Q’ = 0 为锁存器的1状态
②Q = 0,且Q’ = 1 为锁存器的0状态
③Q为现在的状态,Q*为下一个状态,Q’为Q反
其真值表及功能我如下:

由于Sd = 1 ,Rd = 1 时,出现了Q = 0,且Q’ = 0 的情况,不是我们定义的0和1,因此不允许这种情况发生。
2.触发器
触发器与锁存器的不同在于,它除了置1置0输人端以外,又加了一个触发信号输入,只有当触发信号到来时,触发器才能按照输人的置1、置0信号置成相应的状态,并保持下去,
我们将这个触发信号称为时钟信号,记作CLK。
触发器的工作方式可以分为电平触发、边沿触发、脉冲触发。
2.1 电平触发触发器
电平触发的SR触发器:只有当clk = 1时,触发器输出端的状态才受输入信号控制,且这个特性是和SR触发器的特性是一样的,也就是说SR = 0。

电平触发的D触发器:当clk = 1时,将D写入Q以及Q’ ,clk = 0时,保持不变。

电平触发的动作特点:①只有clk有效时才接受输入信号,才会工作
②在clk回到0以后,触发器保存的是回到0以前的瞬间的状态
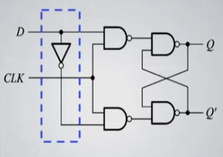
2.2 边沿触发触发器
两个电平触发D触发器构成的边沿触发器:由于FF2的输入就是FF1的输出,所以输出Q被置成了与clk上升沿到达前瞬时D端相同的状态,而与以前以后的D端的状态无关。

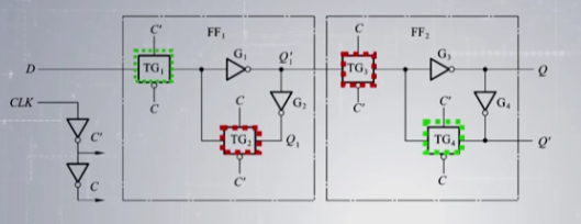
CMOS传输门边沿触发器:目前的CMOS集成电路主要采用的边沿触发器。

①clk = 0时,TG1通,TG2 断→Q’= D, Q’随着D而变化; TG3断,TG4通→Q保持,反馈通路接通,自锁
②clk↑,TG1断,TG2通→“主”保持此前的状态D;TG3通,TG4断→Q’= Q,反馈不通
③clk↓,TG1通,TG2断→ Q’= D,接收新的输入;TG3断,TG4通→ Q保持,反馈通路接通;直到下个clk ↑后,输出才能变化
真值表如下:

边沿触发的动作特点:触发器的次态仅取决于时钟上升沿或者下降沿到达时输入的逻辑状态,而在这以前或以后,输入信号的变化对触发器输出无影响,这也大大提高了抗干扰能力。
2.3 脉冲触发触发器
脉冲触发的SR触发器:由两个电平触发SR触发器组成,保留SR锁存器的特性。

脉冲触发的JK触发器:和SR触发器不一样的是,J = 1 且K = 1时,JK为翻转功能。


脉冲触发的动作特点:①触发器的翻转分两个动作,第一,clk = 1期间主触发器输入端的信号被置成相应状态,从触发器不动;第二,clk下降沿来时,从触发器按照主触发器的状态翻转,就是说Q和Q’的改变发生在clk下降沿。②在clk = 1的全部时间里输入信号都将对主触发器起控制作用。
3.触发器逻辑分类
3.1 SR触发器
SR触发器具备保持、置0、置1功能,但要满足SR = 0的条件


3.2 JK触发器
JK触发器具备保持、置0、置1、翻转功能,多了翻转的功能。


3.3 T触发器
T触发器仅仅具备保持、翻转功能。


3.4 D触发器
D触发器时较为常用的触发器,其具备置0、置1功能。


D触发器可以做个简单的连接做成2分频电路:将D输入接到Q反

4.触发器的动态特性
这里统一延迟时间为td,包括门电路输入到输出的延时,反相器的延时等等。
触发器的电路图如下:

波形如下:

4.1 建立时间(先到)
建立时间是指输入信号应当先于时钟信号clk到达的时间。为了保证触发器有效的翻转,在clk改变前FF1中的Q1的状态必须稳定的建立起来,使得Q1 = D。而这个先来的时间就叫做建立时间。至少 tsu = 2 td 。
4.2 保持时间(晚走)
保持时间是指时钟信号clk到达以后,输入信号需要保持不变的时间。至少 th = 2 td 。
4.3 传输延迟时间
传输延迟时间是指从clk动作沿开始,直到输出新状态稳定建立做需要的时间。
至少 tpd = 5td 。(这个延迟为触发器的延迟时间)
4.4 最高时钟频率
触发器正常工作情况下,时钟能达到的最高重复频率。这个就要看整个触发器哪里的延迟最慢,当最慢的频率都能满足时,此频率就是最高的时钟频率。总的来说就是与各个部分电路的传输延时有关。
5.寄存器
①一个寄存器能够寄存一组二进制代码,由于一个触发器能够存储一位二进制代码,所以N个触发器就能存储N位的二进制代码。
②寄存器中的触发器只要具备置0置1功能即可。
6.存储器
存储器时能够存储海量二值信息的器件
6.1SRAM
静态随机存储器SRAM,由存储矩阵、地址译码、读写电路组成。

采用CMOS工艺的SRAM不仅正常工作时功耗很低,而且还能在降低电源电压的状态保
存数据,因此它可以在交流供电系统断电后用电池供电以继续保持存储器中的数据不致丢失用这种方法弥补半导体随机存储器数据易失的缺点。例如,Intel公司生产的超低功耗CMOS工艺的SRAM5101L用+5 V电源供电,静态功耗仅1~2 μW。如果将电源电压降至+2 V使之处于低压保持状态,则功耗可降至0.28 μW。
双极型的SRAM虽然工作速度比较快,但功耗很大,所以除了在某些超高速系统中还有应用以外,一般就很少应用了。
6.2 DRAM
DRAM的动态存储单元是利用MOS电容可以存储电荷的原理制成的。但由于MOS电容的容量很小(通常仅为几皮法),而漏电流又不可能绝对等于零,所以电荷保存的时间有限,为了及时补充漏掉的电荷以避免存储的信号丢失,必须定时地给电容补充电荷。通常将这种操作称为刷新。因此,DRAM工作时必须辅以必安的刷新控制电路,尽管如此,DRAM仍然是目前大容量RAM的主流产品。
也就是说,DRAM多了一个刷新控制电路。目的是防止MOS电容的漏电导致数据丢失
6.3 ROM
ROM——只读存储器
MASK ROM:掩膜只读存储器,按照用户要求固化设计,用于大批量的定型电子产品中。PROM :可编程只读存储器,但只能写入一次EPROM :可擦除可编程只读存储器,用紫外线擦除,难度较大E²PROM :电可擦除可编程只读存储器FLASH :闪存(u盘)
7.容量扩展
位不够的情况下:

宽度不够的情况下:

本文来自互联网用户投稿,文章观点仅代表作者本人,不代表本站立场,不承担相关法律责任。如若转载,请注明出处。 如若内容造成侵权/违法违规/事实不符,请点击【内容举报】进行投诉反馈!
