数电技术基础大恶补10:AD/DA
数电技术基础大恶补10:AD/DA
目录
- 1.DA
- 1.1 DA分类
- 1.2 DA的精度与速度
- 2.AD
- 2.1 AD分类
- 2.2 AD的精度与速度
1.DA
DA就是数模转换,将数字量(01)转换成模拟量(连续量)
DA主要分为电流求和型以及分压型
1.1 DA分类
①权电阻网络DAC:此电路结构简单,但电阻值相差过大,电阻精度难以控制。

当然,还有双极的权电阻网络。
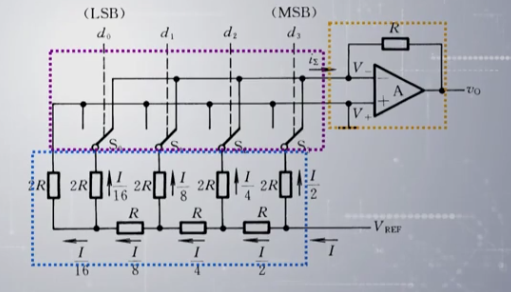
②倒T型电阻网络DAC:用较少类型的电阻来实现一系列权电流。

③权电流DAC:克服非理想开关的转换误差
④开关树DAC:制作集成有利,但开关太多
⑤权电容网络DAC:第一,输出电压的精度只与各个电容器电容量的比例有关,而与它们电容量的绝对值无关。第二,输出电压的稳态值不受开关内阻及参考电压源内阻的影响,因而降低了对开关电路及参考电压源的要求。第三,稳态下权电容网络不消耗功率。
1.2 DA的精度与速度
DAC中通常用分辨率和转换误差来描述转换精度
①分辨率用来表示DAC的理论精度
②实际精度为转换误差,用最低有效位的倍数(LSB)表示例如,给出转换误差为的
1/2LSB,就表示输出模拟电压与理论值之间的绝对误差小于等于当输入为00…001时的输出电压的一半。
③误差来源: 电压偏离标准值产生的电源误差;放大器的漂移误差;非线性误差;
转换速度:通常使用建立时间来定量描述DAC的转换速度。(建立时间为衡量参数)
建立时间的定义:从输入的数字量发生突变开始,直到输出电压进入稳态值想差±1/2LSB范围以内的这段时间。如图:

影响:①寄生电容充放电的影响②放大器的建立时间
2.AD
取样定理:取样信号必须有足够高的频率。

fs 为取样频率
fimax为输入模拟信号的最高频率的分量
量化:将取样电压表示为最小数量单位( △ )的整数区
编码:将量化的结果用代码表示出来(二进制)
量化误差:当采样电压不能被△整除时,将引入量化误差

上图为两种不同的量化编码方法
采样保持电路(S/H):采样后保持该采样值在AD转换时间内不变。

2.1 AD分类
①并联比较ADC
属于直接型ADC,特点:快, CP触发信号到达到输出稳定建立只需几十ns;精度受参考电压、分压网络等因素影响;有存储器,可以没有S/H电路;电路规模 较大。

②反馈比较型ADC
属于直接型ADC,基本原理:取一个“D”加到DAC上,得到模拟输出电压,将该值与输入电压比较,如两者不等,则调整D的大小,到相等为止,则D为所求值。

特点:结构简单、但用计数器来一个一个比较模拟值太慢。
因此有了逐次逼近型ADC,它也算是反馈型ADC,只是不使用计数器这种笨重的方法来实现一一比较。

逐次逼近型ADC的构思是这样的:取个数字量加到 DAC上,于是得到一个对应的输出模拟电压,将模拟电压和输入的模拟电压信号相比较,如果西者不相等,则调整所取的数字量,直到两个电压相等为止,最后所取的这个数字量就是所求的转换结果。
③双积分型ADC(V-T)
属于间接型ADC,首先将输入的模拟电压信号转换成与之成正比的时间宽度信号,然后在这个时间宽度里对固定频率的时钟脉冲计数,计数的结果就是正比于输人模拟电压的数字信号。因此,也称为电压时间变换型(简称V-T变换型)ADC。

特点:性能稳定、可抗干扰、但是速度慢
④V-F ADC
属于间接型ADC,先将输入的模拟电压信号转换成与之成比例的频率信号然后在一个固定 的时间间隔里对得到的频率信号计数,所得到的计数结果就是正比于输人模拟电压的数字量。

2.2 AD的精度与速度
ADC中通常用分辨率和转换误差来描述转换精度
①分辨率(分解度)用来表示ADC的理论精度,分辨率以输出二进制数或十进制数的位数表示,它说明A/D转换器对输入信号的分辨能力。从理论上讲,n位二进制数字输出的A/D转换器应能区分输人模拟电压的2n个不同等级大小,能区分输入电压的最小差异为(1/2n) * FSR,所以分辨率所表示的是A/D换器在理论上能达到的精度。例如A/D转换器的输出为10位二进制数,最大输入信号为5V,那么这个转换器的输出应能区分出输入信号的最小差异为5V/210=4.88 mV。
②实际精度为转换误差,转换误差通常以输出误差最大值的形式给出、它表示实际逾出的数字量和理论上应有的输出数字量之间的差别,一般多以最低有效位的倍数给出。例如给出转换误差 < (1/2) * LSB,这就表明实际输出的数字量和理论上应得到的输出数字量之间的误差小于最低有效位的半个字。
ADC转换速度:
并联ADC最快,可以达到几十到几百纳秒
反馈ADC中等,可以达到微秒级
间接型的两个(V-T、V-F)不太行,只有毫秒级
本文来自互联网用户投稿,文章观点仅代表作者本人,不代表本站立场,不承担相关法律责任。如若转载,请注明出处。 如若内容造成侵权/违法违规/事实不符,请点击【内容举报】进行投诉反馈!
