极化码:信道极化原理(三)——N信道极化定理
前言:
极化码:信道极化原理(一)——两信道极化
极化码:信道极化原理(二)——两信道极化定理证明
正文:
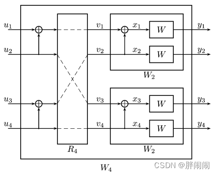
经过两信道极化变换得到的 W 2 ( 1 ) W_2^{\left( 1 \right)} W2(1)与 W 2 ( 2 ) W_2^{\left( 2 \right)} W2(2)仍是B-DMC信道。因此,可以对 W 2 ( 1 ) W_2^{\left( 1 \right)} W2(1)与 W 2 ( 2 ) W_2^{\left( 2 \right)} W2(2) 分别再进行一次两信道极化变换,即
( W 2 ( 1 ) , W 2 ( 1 ) ) ↦ ( W 4 ( 1 ) , W 4 ( 2 ) ) ( {W_2^{\left( 1 \right)},W_2^{\left( 1 \right)}} ) \mapsto ( {W_4^{\left( 1 \right)},W_4^{\left( 2 \right)}} ) (W2(1),W2(1))↦(W4(1),W4(2))
( W 2 ( 2 ) , W 2 ( 2 ) ) ↦ ( W 4 ( 3 ) , W 4 ( 4 ) ) ( {W_2^{\left( 2 \right)},W_2^{\left( 2 \right)}} ) \mapsto ( {W_4^{\left( 3 \right)},W_4^{\left( 4 \right)}} ) (W2(2),W2(2))↦(W4(3),W4(4))

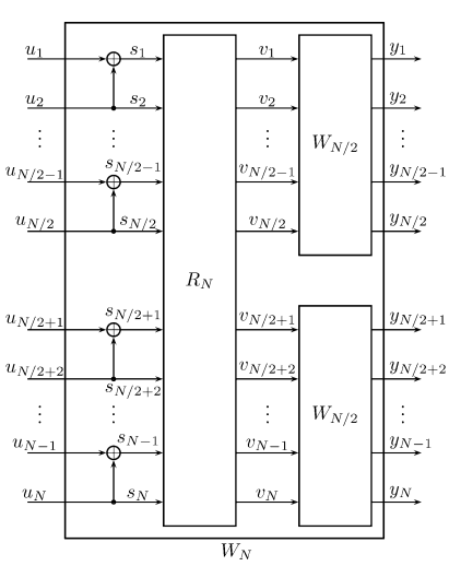
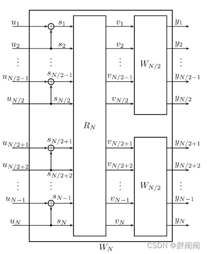
从而得到如图1所示的 四信道极化变换。类似的,对四信道极化变换进行递推可以得到 N = 2 n N = {2^n} N=2n个信道的极化变换,如图2所示。

图2中,矩阵 R N {\bf R}_N RN 表示对长度为 N N N的序列进行奇偶重排操作,即
s 1 N ⋅ R N = ( s 1 , s 3 , ⋯ , s N − 1 , s 2 , s 4 , ⋯ , s N ) s_1^N \cdot {\bf R}_N = \left( {{s_1},{s_3}, \cdots ,{s_{N - 1}},{s_2},{s_4}, \cdots ,{s_N}} \right) s1N⋅RN=(s1,s3,⋯,sN−1,s2,s4,⋯,sN),以确保进行极化变换的两个信道可靠度相同。
信道极化变换可以用互信息链式法则进行表示,给定信源序列随机变量 U 1 N U_1^N U1N和接收序列随机变量 Y 1 N Y_1^N Y1N,根据互信息链式法则可得
I ( U 1 N ; Y 1 N ) = ∑ i = 1 N I ( U i ; Y 1 N ∣ U 1 i − 1 ) = ∑ i = 1 N I ( U i ; Y 1 N , U 1 i − 1 ) , I\left( {U_1^N;Y_1^N} \right) = \sum\limits_{i = 1}^N {I\left( {{U_i};Y_1^N\left| {U_1^{i - 1}} \right.} \right)} = \sum\limits_{i = 1}^N {I\left( {{U_i};Y_1^N,U_1^{i - 1}} \right)}, I(U1N;Y1N)=i=1∑NI(Ui;Y1N∣∣U1i−1)=i=1∑NI(Ui;Y1N,U1i−1),
其中 I ( U i ; Y 1 N , U 1 i − 1 ) {I\left( {{U_i};Y_1^N,U_1^{i - 1}} \right)} I(Ui;Y1N,U1i−1)表示第 i i i个极化子信道 W N ( i ) : X → Y N × X i − 1 W_N^{\left( i \right)}: {\mathcal X} \to {{\mathcal Y}^N} \times {{\mathcal X}^{i - 1}} WN(i):X→YN×Xi−1的互信息,其信道转移概率为
W N ( i ) ( y 1 N , u 1 i − 1 ∣ u i ) = ∑ u i + 1 N ∈ X N − i 1 2 N − 1 W N ( y 1 N ∣ u 1 N ) , W_N^{\left( i \right)}\left( {y_1^N,u_1^{i - 1}|{u_i}} \right) = \sum\limits_{u_{i + 1}^N \in {{\mathcal X}^{N - i}}} {\frac{1}{{{2^{N - 1}}}}{W_N}\left( {y_1^N|u_1^N} \right)}, WN(i)(y1N,u1i−1∣ui)=ui+1N∈XN−i∑2N−11WN(y1N∣u1N),
其中, W N ( y 1 N ∣ u 1 N ) = ∏ i = 1 N W ( y i ∣ x i ) {W_N}\left( {y_1^N|u_1^N} \right) = \prod\limits_{i = 1}^N {W\left( {{y_i}|{x_i}} \right)} WN(y1N∣u1N)=i=1∏NW(yi∣xi)。
信道转移概率可以递归计算,即
W 2 N ( 2 i − 1 ) ( y 1 2 N , u 1 2 i − 2 ∣ u 2 i − 1 ) = ∑ u 2 i 1 2 W N ( i ) ( y 1 N , u 1 , o 2 i − 2 ⊕ u 1 , e 2 i − 2 ∣ u 2 i − 1 ⊕ u 2 i ) ⋅ 1 2 W N ( i ) ( y N + 1 2 N , u 1 , e 2 i − 2 ∣ u 2 i ) , W 2 N ( 2 i ) ( y 1 2 N , u 1 2 i − 1 ∣ u 2 i ) = 1 2 W N ( i ) ( y 1 N , u 1 , o 2 i − 2 ⊕ u 1 , e 2 i − 2 ∣ u 2 i − 1 ⊕ u 2 i ) ⋅ W N ( i ) ( y N + 1 2 N , u 1 , e 2 i − 2 ∣ u 2 i ) . \begin{aligned} & W_{2N}^{\left( {2i - 1} \right)}\left( {y_1^{2N},u_1^{2i - 2}\left| {{u_{2i - 1}}} \right.} \right)\\ & = \sum\limits_{{u_{2i}}} {\frac{1}{2}W_N^{\left( i \right)}\left( {y_1^N,u_{1,o}^{2i - 2} \oplus u_{1,e}^{2i - 2}\left| {{u_{2i - 1}} \oplus {u_{2i}}} \right.} \right) \cdot \frac{1}{2}W_N^{\left( i \right)}\left( {y_{N + 1}^{2N},u_{1,e}^{2i - 2}\left| {{u_{2i}}} \right.} \right)},\\ & W_{2N}^{\left( {2i} \right)}\left( {y_1^{2N},u_1^{2i - 1}\left| {{u_{2i}}} \right.} \right)\\ & = \frac{1}{2}W_N^{\left( i \right)}\left( {y_1^N,u_{1,o}^{2i - 2} \oplus u_{1,e}^{2i - 2}\left| {{u_{2i - 1}} \oplus {u_{2i}}} \right.} \right) \cdot W_N^{\left( i \right)}\left( {y_{N + 1}^{2N},u_{1,e}^{2i - 2}\left| {{u_{2i}}} \right.} \right). \end{aligned} W2N(2i−1)(y12N,u12i−2∣u2i−1)=u2i∑21WN(i)(y1N,u1,o2i−2⊕u1,e2i−2∣u2i−1⊕u2i)⋅21WN(i)(yN+12N,u1,e2i−2∣u2i),W2N(2i)(y12N,u12i−1∣u2i)=21WN(i)(y1N,u1,o2i−2⊕u1,e2i−2∣u2i−1⊕u2i)⋅WN(i)(yN+12N,u1,e2i−2∣u2i).
Arıkan证明了当码长 N N N趋于无穷时,极化码的信道容量可达性,即
定理:对于任意的B-DMC信道 W W W,经过 n n n次信道极化变换,得到 N = 2 n N = 2^n N=2n个极化子信道 { W N ( i ) } \{ {W_N^{( i )}} \} {WN(i)}, 1 ≤ i ≤ N 1 \le i \le N 1≤i≤N。 当码长 N → ∞ N \to \infty N→∞时,对于 ∀ δ ∈ ( 0 , 1 ) \forall \delta \in (0,1) ∀δ∈(0,1), { W N ( i ) } \{ {W_N^{( i )}} \} {WN(i)}中满足 ( 1 − δ ) < I ( W N ( i ) ) ≤ 1 (1 - \delta) (1−δ)<I(WN(i))≤1 的信道数量占总信道数 N N N的比例趋近于 I ( W ) I(W) I(W)。相反,满足 0 ≤ I ( W N ( i ) ) < ( 1 − δ ) 0 \le I({W_N^{( i )}}) < (1 - \delta) 0≤I(WN(i))<(1−δ)的信道数量占总信道数 N N N的比例趋近于 1 − I ( W ) 1 - I(W) 1−I(W)。
参考文献
[1] E. Arıkan, “Channel polarization: A method for constructing capacity achieving codes for symmetric binary-input memoryless channels,” IEEE Transactions on Information Theory, vol. 55, no. 7, pp. 3051–3073, Jul. 2009.
本文来自互联网用户投稿,文章观点仅代表作者本人,不代表本站立场,不承担相关法律责任。如若转载,请注明出处。 如若内容造成侵权/违法违规/事实不符,请点击【内容举报】进行投诉反馈!
