【雕爷学编程】Arduino动手做(78)---槽型光耦红外对射计数传感器模块2

37款传感器与模块的提法,在网络上广泛流传,其实Arduino能够兼容的传感器模块肯定是不止37种的。鉴于本人手头积累了一些传感器和执行器模块,依照实践出真知(一定要动手做)的理念,以学习和交流为目的,这里准备逐一动手试试多做实验,不管成功与否,都会记录下来——小小的进步或是搞不掂的问题,希望能够抛砖引玉。
【Arduino】168种传感器模块系列实验(资料代码+仿真编程+图形编程)
实验七十八:对射光电传感器模块 脉冲计数器 电机马达测速 位置限位槽型光耦

知识点:光耦、槽型光耦与光耦计数测速传感器
一、光耦(opticalcoupler equipment,缩写为OCEP)
1、光耦合器亦称光电隔离器或光电耦合器,简称光耦。它是以光为媒介来传输电信号的器件,通常把发光器(红外线发光二极管LED)与受光器(光敏半导体管,光敏电阻)封装在同一管壳内。当输入端加电信号时发光器发出光线,受光器接收光线之后就产生光电流,从输出端流出,从而实现了“电—光—电”控制。以光为媒介把输入端信号耦合到输出端的光电耦合器,由于它具有体积小、寿命长、无触点,抗干扰能力强,输出和输入之间绝缘,单向传输信号等优点,在数字电路上获得广泛的应用。
2、光电耦合器原理
当电信号送入光电耦合器的输入端时,发光二极体通过电流而发光,光敏元件受到光照后产生电流,CE导通;当输入端无信号,发光二极体不亮,光敏三极管截止,CE不通。对于数位量,当输入为低电平“0”时,光敏三极管截止,输出为高电平“1”;当输入为高电平“1”时,光敏三极管饱和导通,输出为低电平“ 0”。若基极有引出线则可满足温度补偿、检测调制要求。这种光耦合器性能较好,价格便宜,因而应用广泛。光电耦合器之所以在传输信号的同时能有效地抑制尖脉冲和各种杂讯干扰,使通道上的信号杂讯比大为提高,主要有以下几方面的原因:(1)光电耦合器的输入阻抗很小,只有几百欧姆,而干扰源的阻抗较大,通常为105~106Ω。据分压原理可知,即使干扰电压的幅度较大,但馈送到光电耦合器输入端的杂讯电压会很小,只能形成很微弱的电流,由于没有足够的能量而不能使二极体发光,从而被抑制掉了。(2)光电耦合器的输入回路与输出回路之间没有电气联系,也没有共地;之间的分布电容极小,而绝缘电阻又很大,因此回路一边的各种干扰杂讯都很难通过光电耦合器馈送到另一边去,避免了共阻抗耦合的干扰信号的产生。(3)光电耦合器可起到很好的安全保障作用,即使当外部设备出现故障,甚至输入信号线短接时,也不会损坏仪表。因为光耦合器件的输入回路和输出回路之间可以承受几千伏的高压。(4)光电耦合器的回应速度极快,其回应延迟时间只有10μs左右,适于对回应速度要求很高的场合。
3、光电耦合的特点
(1)输入和输出端之间绝缘,其绝缘电阻一般都大于10000MΩ,耐压一般可超过1kV,有的甚至可以达到10kV以上。
(2)由于光接收器只能接受光源的信息,反之不能,所以信号从光源单向传输到光接收器时不会出现反馈现象,其输出信号也不会影响输入端。
(3)由于发光器件(砷化镓红外二极管)是阻抗电流驱动性器件,而噪音是一种高内阻微电流电压信号。因此光电耦合器件的共模抑制比很大,所以,光电耦合器件可以很好地抑制干扰并消除噪音。
(4)容易和逻辑电路配合。
(5)响应速度快。光电耦合器件的时间常数通常在毫秒甚至微秒级。
(6)无触点、寿命长、体积小、耐冲击。
4、光耦合器的主要优点是信号单向传输,输入端与输出端完全实现了电气隔离,输出信号对输入端无影响,抗干扰能力强,工作稳定,无触点,使用寿命长,传输效率高。光耦合器是70年代发展起来产新型器件,现已广泛用于电气绝缘、电平转换、级间耦合、驱动电路、开关电路、斩波器、多谐振荡器、信号隔离、级间隔离 、脉冲放大电路、数字仪表、远距离信号传输、脉冲放大、固态继电器(SSR)、仪器仪表、通信设备及微机接口中。在单片开关电源中,利用线性光耦合器可构成光耦反馈电路,通过调节控制端电流来改变占空比,达到精密稳压目的,实现信号接收转移。

二、槽型光耦(Slot optocoupler)
1、槽型光耦对输入、输出电信号有良好的隔离作用,所以,它在各种电路中得到广泛的应用。目前槽型光耦已成为种类最多、用途最广的光电器件之一。槽型光耦一般由三部分组成:光的发射、光的接收及信号放大。输入的电信号驱动发光二极管(LED),使之发出一定波长的光,被光探测器接收而产生光电流,再经过进一步放大后输出。这就完成了电—光—电的转换,从而起到输入、输出、隔离的作用。由于槽型光耦输入输出间互相隔离,电信号传输具有单向性等特点,因而具有良好的电绝缘能力和抗干扰能力。所以,槽型光耦在长线传输信息中作为终端隔离元件可以大大提高信噪比。在计算机数字通信及实时控制中作为信号隔离的接口器件,可以大大提高计算机工作的可靠性。
槽型光耦作为一种非常常见的电子元件,在电子电路系统设计的过程中,其选型的正确与否是非常重要的。槽型光耦合器也常常被称为直射式光电传感器,其工作原理是通过对红外发射光的阻断和导通,在红外接收管感应出的电流变化来实现开和关的判断。光电耦合器具有体积小、使用寿命长、工作温度范围宽、抗干扰性能强。无触点且输入与输出在电气上完全隔离等特点,因而在各种电子设备上广使用。光电耦合器可用于隔离电路、负载接口及各种家用电器等电路中。

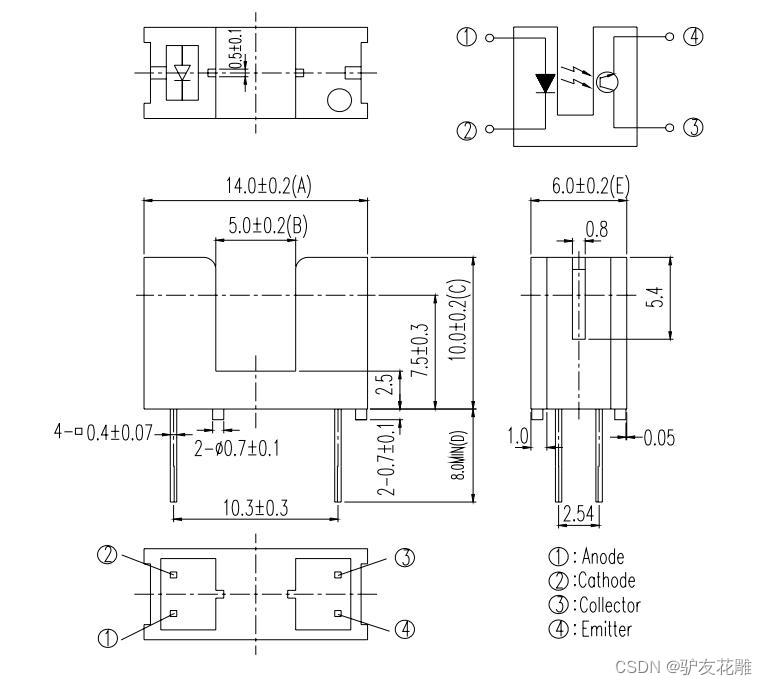
2、槽型光耦的外观规格与内部电路图

3、槽型光耦的特点:
(1)检测距离长。与接近开关等比较,光电开关的检测距离非常长,且是无接触式的,所以不会损伤检测物体,也不受检测物体的影响。
(2)几乎不受检测物体的制约。由于是采用对检测对象的表面进行反射及光透过方式,不像接近开关只能对金属,还能对玻璃、塑料、木制物体、液体等各种物质进行检测。
(3)响应速度快。与接近开关同样,由于无机械运动,所以能对高速运动的物体进行检测。镜头容易受有机尘土等的影响镜头免受污染后,光会散射或被遮光,所以在有活水蒸汽、尘土等较多的环境下使用的场合,需施加适当的保护装置。
(4)不受环境强光的影响。几乎不受一般照明光的影响,但像太阳光那样的强光直接照射受光体时,会造成误动作或损坏。
三、槽型光耦计数测速传感器模块
1、模块特色
(1)使用进口槽型光耦传感器;
(2)槽宽度5mm;
(3)有输出状态指示灯,输出高电平灯灭,输出低电平灯亮;
(4)有遮挡,输出高电平;无遮挡,输出低电平;
(5)比较器输出,信号干净,波形好,驱动能力强,超过15mA;
(6)工作电压3.3V-5V;
(7)输出形式 :数字开关量输出(0和1);
(8)设有固定螺栓孔,方便安装;
(9)小板PCB尺寸:3.2cm x 1.4cm;
(10)使用宽电压LM393比较器;
(11)广泛用于电机转速检测,脉冲计数,位置限位等。

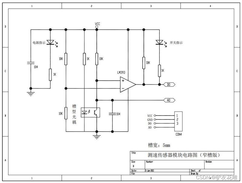
2、模块电原理图


3、模块4针的定义
VCC 接电源正极 3.3-5V
GND 接电源负极
DO TTL 开关信号输出
AO 此模块不起作用

槽型光耦计数测速传感器模块的实验环境
一、槽型光耦计数测速传感器模块实验所需硬件清单
20栅格测速码盘X2
Arduino Uno开发板 X1
杜邦线 若干(备了9条)
LED发光二极管(蓝色)X1
DC3V-6V直流减速TT马达X2
IIC/I2C 1602 LCD液晶屏模块X1
高电平触发有源蜂鸣器模块 X1
高电平触发单路5V继电器模块X1
Proto Shield原型扩展板(带mini面包板)X1

二、实验所需软件平台
代码编程 Arduino IDE (版本1.8.19)
仿真编程 Linkboy (版本V4.6.3)
图形编程 Mind+ (版本 V1.7.0 RC2.0)以及编玩边学(线上平台)
三、模块实验说明
(1)模块槽中无遮挡时,接收管导通,模块 DO 输出低电平,遮挡时,
DO 输出高电平;
(2)DO 输出接口可以与单片机 IO 口直接相连,检测传感器是否有遮
档,如用电机码盘则可检测电机的转速;
(3)模块 DO 可与继电器相连,组成限位开关等功能,也可以与有源蜂
鸣器模块相连,组成报警器。

本文来自互联网用户投稿,文章观点仅代表作者本人,不代表本站立场,不承担相关法律责任。如若转载,请注明出处。 如若内容造成侵权/违法违规/事实不符,请点击【内容举报】进行投诉反馈!
