实验二 中规模集成芯片的设计应用
一、预习报告:
实验目的:
1.掌握常用 MSI 的逻辑功能。
2.学会用 MSI 设计组合逻辑电路。
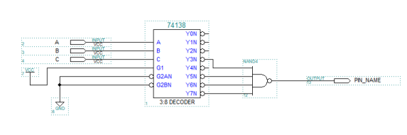
实验原理:二进制译码器能把输入变量的所有状态都翻译出来送到输出端,它的每一个输出信号都对应一种输入代码状态,也就是输入变量的一个最小项。因此从实现组合逻辑函数的角度看,二进制译码器的输出端提供了其输入变量的全部最小项。那么,利用二进制译码器和与非门可以实现任何组合逻辑函数,特别是有多个输出的组合逻辑电路。
数据选择器又叫“多路开关”,数据选择器在地址码(或叫选择控制)电位的控制下,从几个数据输入中选择一个并将其送到一个公共的输出端。其输出信号逻辑表达式具有标准与或表达式的形式,提供了地址变量的全部最小项。而任何组合逻辑函数都是由它的最小项构成的,所以理论上,用数据选择器可以实现任何组合逻辑函数。
实验设备:
1.计算机 一台
2.数字电路实验箱 一台
3.基本门电路及译码器74LS138、选择器74LS 153或译码器74LS 154。
实验步骤和预测实验数据:
1.三变量表决电路。
要求:多数表决电路按少数服从多数的原则执行表决,如果赞成用高电平表示,输出中表决通过也用高电平表示,当3个输入变量中有两个或两个以上取值为1时,输出为1,由此可列出函数真值表,并写出逻辑表达式。
真值表:

逻辑表达式:

2.两个两位二进制数比较器两个二位二进制数比较器要实现对输入的两个二进制数A1A0、B1B0进行比较的逻辑功能,当A>B时,F1=1;当A=B时,F2=1;当A 真值表:

逻辑表达式:

二、实验内容
仿真电路和波形图:
1、三变量表决电路。


2、两个两位二进制数比较器。


本文来自互联网用户投稿,文章观点仅代表作者本人,不代表本站立场,不承担相关法律责任。如若转载,请注明出处。 如若内容造成侵权/违法违规/事实不符,请点击【内容举报】进行投诉反馈!
