mos管开关+电源保护
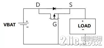
电源反接,会给电路造成损坏,不过,电源反接是不可避免的。所以,我么就需要给电路中加入保护电路,达到即使接反电源,也不会损坏的目的。 一般可以使用在电源的正极串入一个二极管解决,不过,由于二极管有压降,会给电路造成不必要的损耗,尤其是电池供电场合,本来电池电压就3.7V,你就用二极管降了0.6V,使得电池使用时间大减。 MOS管防反接,好处就是压降小,小到几乎可以忽略不计。现在的MOS管可以做到几个毫欧的内阻,假设是6.5毫欧,通过的电流为1A(这个电流已经很大了),在他上面的压降只有6.5毫伏。 由于MOS管越来越便宜,所以人们逐渐开始使用MOS管防电源反接了。 NMOS管防止电源反接电路:

正在上传…重新上传取消
正确连接时:刚上电,MOS管的寄生二极管导通,所以S的电位大概就是0.6V,而G极的电位,是VBAT,VBAT-0.6V大于UGS的阀值开启电压,MOS管的DS就会导通,由于内阻很小,所以就把寄生二极管短路了,压降几乎为0。
电源接反时:UGS=0,MOS管不会导通,和负载的回路就是断的,从而保证电路安全。
PMOS管防止电源反接电路:
本文来自互联网用户投稿,文章观点仅代表作者本人,不代表本站立场,不承担相关法律责任。如若转载,请注明出处。 如若内容造成侵权/违法违规/事实不符,请点击【内容举报】进行投诉反馈!
