三相电压型方波逆变电路,逆变的波形电压计算。1/3U,2/3U来源于两个电阻并联再与第三电阻串联分压。两个电容串联接在直流电源两端也分压,分压一半。6阶波,4阶波概念以及进行傅里叶变换。基波谐波
三相电压型方波逆变电路(最全图解)
难点1:1/3,2/3电压就是三相星性绕组两个并再串一个绕组,整体接在电源两端分压得来
难点2:两个电容串联接在直流电源两端也分压,充满后才没电流,像逆变那样频繁切换会一直充放电有电流
难点3:相电压线电压傅立叶展开有个概念阶梯波,6阶梯波4阶梯波,指相对正弦等平滑波形,阶梯波是电压分几个台阶的
难点34:基波就是当n=1的时候的波形,n=其他值例如5,则为5次谐波2023.6.6
接之前的单相电压型逆变电路,这次全面讲解下三相电压型方波逆变电路的理论推导。
几种基础的单相电压型逆变电路及其详细运行原理160 赞同 · 30 评论文章
一、三相逆变电路分类
| 根据直流电源性质: | 电压源电路 | 电流源电路 |
| 根据控制方式: | 方波电路 | PWM 电路 |
| 根据输出相电压的电平数: | 两电平电路 | 多电平电路 |
| 根据电路结构: | 半桥电路 | 全桥电路 |
| 根据负载性质: | 无源负载 | 有源负载 |
本文主要讲述方波电路的相关理论,关于 PWM 电路会在之后讲解。本文是基于王兆安教授所编写《电力电子技术》中的“三相电压型逆变电路”章节,并作相应理论拓展。
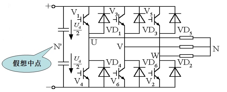
二、三相方波逆变电路纯电阻负载工作情况 (图中负载侧只考虑电阻)

基本假设:
i)负载星形连接,平衡对称,纯电阻负载,负载中点电位 N 作为参考电位;
ii)控制极信号脉宽为180°,功率器件无惯性;
iii)直流滤波电容无穷大;
iv)电路处于稳态。
1. 工作模式:
在纯电阻负载下,IGBT的反并联二极管不导通,其一个周期共 6 种不同工作模式。6 种工作模式下均有三个开关同时导通,上桥臂两个开关下桥臂一个或者上桥臂一个开关下桥臂两个开关同时导通(3T+0D)。具体导通顺序和对应回路如下图所示:

2. 对应波形图:

3)相关计算:
(i) 中性点和虚拟中性点之间的电压计算
各线电压:
{vUV=vUN′−vVN′,vVW=vVN′−vWN′,vWU=vWN′−vUN′. (1)
各相电压:
{vUN=vUN′−vNN′,vVN=vVN′−vNN′,vWN=vWN′−vNN′. (2)
令三相负载对称,将 (1) (2) 相加可得:
vNN′=vUN′+vVN′+vWN′3−vUN+vVN+vWN3=vUN′+vVN′+vWN′3
vNNmax′=Vd6, vNNmin′=−Vd6
(ii) 相电压计算
vUN={Vd3,2Vd3,−Vd3,−2Vd3.
将六阶梯波 vUN 用傅里叶级数展开:
vUN=2Vdπ(sinωt+15sin5ωt+17sin7ωt+111sin11ωt+...+1nsinnωt)
基波幅值: VUN1m=2Vdπ=0.637Vd
基波有效值: VUN1=vUN1m2=0.45Vd
相电压有效值: VUN=12π∫02πvUN2dwt=0.471Vd
基波就是当n=1的时候的波形,n=其他值例如5,则为5次谐波2023.6.6
·················································································
**补充下六阶梯波 vUN的傅里叶级数如何展开的
首选 vUN是一个奇函数,所以奇函数的傅里叶展开通式为:
f(t)=∑n∞bnsin(nωt)
其中 bn=2T∫t0t0+Tf(t)sin(2πntT)dt
对于六阶梯波 vUN来说,当 t∈[0,T2] 时,
f(t)={Vd3, 0≤t≤T62Vd3, T6≤t≤T3Vd3, T3≤t≤T2
所以:
bn=2T∫0Tf(t)sin(2πntT)dt=4T∫0T2f(t)sin(2πntT)dt=4T[∫0T6Vd3sin(2πntT)dt+∫T6T32Vd3sin(2πntT)dt+∫T3T2Vd3sin(2πntT)dt]=4Vd3T[∫0T6sin(2πntT)dt+∫T6T32sin(2πntT)dt+∫T3T2sin(2πntT)dt]=4Vd3T⋅T2πn[−cos(2πntT)|0T6−2cos(2πntT)|T6T3−cos(2πntT)|T3T2]=2Vd3πn[cos(πn3)−cos(2πn3)−cos(πn)+1]
进而:
f(t)=∑n∞bnsin(nωt)=∑n∞2Vd3πn[cos(πn3)−cos(2πn3)−cos(πn)+1]sin(nωt)
当 n=1 时, f(t)= 2Vdπsinωt ,
当 n=2,3,4 时, f(t)=0 ,
当 n=5 时, f(t)=2Vd5πsin5ωt ...
基波就是当n=1的时候的波形,n=其他值例如5,则为5次谐波2023.6.6
·················································································
(iii) 线电压计算
vUV={Vd,0,−Vd.
将四阶梯波 vUV 用傅里叶级数展开:
vUV=23Vdπ(sinωt−15sin5ωt−17sin7ωt+111sin11ωt+...+1n(−1)ksinnωt)
基波幅值: VUV1m=23Vdπ=1.1Vd
基波有效值: VUV1=vUV1m2=0.78Vd
相电压有效值: VUV=12π∫02πvUV2dwt=0.817Vd
基波就是当n=1的时候的波形,n=其他值例如5,则为5次谐波2023.6.6
(iv) 输入电流计算
iβ=iT1+iT3+iT5=iT2+iT4+iT6
当 T5T6T1 导通时,
iT1=iU=vUNR0=Vd3R0 ; i3=0 ; iT5=iW=vWNR0=Vd3R0
所以 iβ=iT1+iT3+iT5=2Vd3R0
三、三相方波逆变电路阻感负载工作情况
1. 工作模式:
在阻感负载下,IGBT的反并联二极管因为电感电流不能突变因而会导通。我们这里研究下基波阻抗角分别为 0<ϕ<π/3 和 ϕ>π/3 的情况,其一个周期共 12 种不同工作模式。
i) 若 0<ϕ<π/3 ,三个开关可能会同时导通或者两个开关一个反并联二极管同时导通(3T+0D, 2T+1D)。这种情况是电阻负载的直接延申很容易理解,因而这里只做简略分析:
电阻负载下的开关顺序定义为: T5T6T1→T6T1T2→T1T2T3→T2T3T4→T3T4T5→T4T5T6 ,然后循环。但阻感负载下换相过程不能瞬时完成,例如 T5T6T1→T6T1T2 这一过程,开关 T2 不能立即开通,此时的电流要首先经过开关 T2 反并联的二极管 D2 续流,负载电流降到 0 后 T2 开通,所以此过程为: T5T6T1→T6T1D2→T6T1T2 。
所以可以得到整个过程为: ,循环。T5T6T1→T6T1D2→T6T1T2→T1T2D3→T1T2T3→T2T3D4→T2T3T4→T3T4D5→T3T4T5→T4T5D6→T4T5T6→T5T6D1,循环。
ii) 若 ϕ>π/3,三个开关不能同时导通,可能为一个开关两个反并联二极管同时导通,也可能是两个开关一个反并联二极管同时导通 (2T+1D, 1T+2D)。
具体导通顺序和对应回路如下图所示(图太长,放两张):


2. 对应波形图:

总结一下:
无论是电阻负载还是阻感负载,三相电压型方波逆变电路共有3种工作模式,即:
1.三个开关导通;2.两个开关导通和一个二极管导通;3. 两个二极管导通和一个开关导通。
电阻负载属于第一种模式,带阻感负载若基波阻抗角 0<ϕ<π/3 第一和第二种模式,基波阻抗角 ϕ>π/3 属于第二和第三种模式。
三相电压型方波逆变电路(最全图解) - 知乎
电力电子技术之单相电压型逆变电路(1)
半桥逆变电路
◆在直流侧接有两个相互串联的足够大的电容,两个电容的联结点便成为直流电源的中点,负载联接在直流电源中点和两个桥臂联结点之间。
◆工作原理
☞设开关器件V1和V2的栅极信号在一个周期内各有半周正偏,半周反偏,且二者互补。
☞输出电压uo为矩形波,其幅值为Um=Ud/2。
☞电路带阻感负载,t2时刻给V1关断信号,给V2开通信号,则V1关断,但感性负载中的电流io不能立即改变方向,于是VD2导通续流,当t3时刻io降零时,VD2截止,V2开通,io开始反向,由此得出如图所示的电流波形。

单相半桥电压型逆变电路及其工作波形
V1或V2通时,io和uo同方向,直流侧向负载提供能量;VD1或VD2通时,io和uo反向,电感中贮能向直流侧反馈。VD1、VD2称为反馈二极管,它又起着使负载电流连续的作用,又称续流二极管。
◆优点是简单,使用器件少;其缺点是输出交流电压的幅值Um仅为Ud/2,且直流侧需要两个电容器串联,工作时还要控制两个电容器电压的均衡;因此,半桥电路常用于几kW以下的小功率逆变电源。

单相半桥电压型逆变电路及其工作波形
电力电子技术之单相电压型逆变电路(2)
全桥逆变电路
◆共四个桥臂,可看成两个半桥电路组合而成。
◆两对桥臂交替导通180°。
◆输出电压和电流波形与半桥电路形状相同,但幅值高出一倍。
◆在这种情况下,要改变输出交流电压的有效值只能通过改变直流电压Ud来实现。
◆Ud的矩形波uo展开成傅里叶级数得

其中基波的幅值Uo1m和基波有效值Uo1分别为

全桥逆变电路
移相调压方式
☞ V3的基极信号比V1落后θ(0<q<180°)。V3、V4的栅极信号分别比V2、V1的前移180°-θ。输出电压是正负各为θ的脉冲。
☞工作过程
√t1时刻前V1和V4导通, uo=Ud。
√t1时刻V4截止,而因负载电感中的电流io不能突变,V3不能立刻导通,VD3导通续流,uo=0。
√t2时刻V1截止,而V2不能立刻导通,VD2导通续流,和VD3构成电流通道,uo=-Ud。
√到负载电流过零并开始反向时,VD2和VD3截止,V2和V3开始导通,uo仍为-Ud。
√t3时刻V3截止,而V4不能立刻导通,VD4导通续流,uo再次为零。
☞改变θ就可调节输出电压。

单相全桥逆变电路的移相调压方式
带中心抽头变压器的逆变电路
◆交替驱动两个IGBT,经变压器耦合给负载加上矩形波交流电压。
◆两个二极管的作用也是提供无功能量的反馈通道。
◆ Ud和负载参数相同,变压器匝比为1:1:1时,uo和io波形及幅值与全桥逆变电路完全相同。
◆与全桥电路相比较
☞比全桥电路少用一半开关器件。
☞器件承受的电压为2Ud,比全桥电路高一倍。
☞必须有一个变压器。

带中心抽头变压器的逆变电路
电力电子技术之单相电压型逆变电路(2)-教学设备|机械教学模型|楼宇实训设备|维修电工实验台:上海育仰公司
电力电子技术之三相电压型逆变电路
三个单相逆变电路可组合成一个三相逆变电路。
三相桥式逆变电路
◆基本工作方式是180°导电方式。
◆同一相(即同一半桥)上下两臂交替导电,各相开始导电的角度差120 °,任一瞬间有三个桥臂同时导通。
◆每次换流都是在同一相上下两臂之间进行,也称为纵向换流。

三相电压型桥式逆变电路
三相电压型逆变电路之工作波形
工作波形
◆对于U相输出来说,当桥臂1导通时,uUN’=Ud/2,当桥臂4导通时,uUN’=-Ud/2,uUN’的波形是幅值为Ud/2的矩形波,V、W两相的情况和U相类似。
负载线电压uUV、uVW、uWU可由下式求出
负载各相的相电压分别为
把上面各式相加并整理可求得

设负载为三相对称负载,则有uUN+uVN+uWN=0,故可得
负载参数已知时,可以由uUN的波形求出U相电流iU的波形,图4-10g给出的是阻感负载下时iU的波形。
把桥臂1、3、5的电流加起来,就可得到直流侧电流id的波形,如图4-10h所示,可以看出id每隔60°脉动一次。

图4-10 电压型三相桥式逆变电路的工作波形
图4-10 电压型三相桥式逆变电路的工作波形
三相电压型逆变电路基本的数量关系
基本的数量关系
◆把输出线电压uUV展开成傅里叶级数得

式中n=6k+1(结合上式,应该是n=2k+1纠正时间2023.6.6),k为自然数。
输出线电压有效值UUV为

其中基波幅值UUV1m和基波有效值UUV1分别为

把uUN展开成傅里叶级数得

式中n=6k+1(结合上式,应该是n=2k+1纠正时间2023.6.6),k为自然数。
负载相电压有效值UUN为

其中基波幅值UUN1m和基波有效值UUN1分别为

为了防止同一相上下两桥臂的开关器件同时导通而引起直流侧电源的短路,要采取“先断后通”的方法。
三相电压型逆变电路基本的数量关系-教学设备|机械教学模型|楼宇实训设备|维修电工实验台:上海育仰公司
基波和谐波的测量方法
滤波法(信号基波和谐波差别较大时候,测量结果近似等于基波的有效值)
当信号的谐波频率与基波频率差距较大时,即信号的低次谐波含量较小,主要为高次谐波时,可以通过低通滤波的方法将高次谐波滤除,剩下就是信号的基波,采用均值检波表、峰值检波表和真有效值检波表均可测量其有效值,测量结果近似等于基波有效值。
滤波器是一种对信号有处理作用的器件或电路。分为有源滤波器和无源滤波器。主要作用是让有用信号尽可能无衰减的通过,对无用信号尽可能大的衰减。
常用滤波器有:
巴特沃斯滤波器
巴特沃斯滤波器具有较平坦的通带。
贝塞尔滤波器
贝塞尔滤波器具有较高线性度的相角位移。
切贝雪夫滤波器
切贝雪夫滤波器具有较陡峭的过渡带。
当谐波频率与基波频率差距较小时,可采用切比雪夫滤波器或高阶的巴特沃斯滤波器。
傅里叶变换(信号基波和谐波差别不大,低次谐波含量较大时,很难用滤波的方法将基波准确分离)
当信号频谱较复杂时,尤其是低次谐波含量较大时,很难用滤波的方法将基波准确分离,一般先用交流采样获取离散时间信号序列,再用离散傅里叶变换(DFT或FFT)对其进行傅里叶展开,即可求得基波有效值。各种谐波分析仪和宽频功率分析仪(变频功率分析仪、高精度功率分析仪等)等设备均可测量适用频率范围内交流信号的基波有效值。上述仪器除了测量电压、电流的基波有效值之外,还具备功率测量及谐波测量功能。
基波_百度百科
本文来自互联网用户投稿,文章观点仅代表作者本人,不代表本站立场,不承担相关法律责任。如若转载,请注明出处。 如若内容造成侵权/违法违规/事实不符,请点击【内容举报】进行投诉反馈!
