正弦波振荡器最详细的原理与完整设计流程
正弦波振荡器本质是反馈放大器加入了选频网络,但是网上的文章都没有对正弦波振荡器有过完整的评述,这篇文章将会从RLC电路讲正弦波振荡器。

上图为一个RLC串联电路,这个电路的阻尼系数为:
当这个阻尼系数小于1时,电路为欠阻尼状态,将开关K从2拨往1,此时的电路将会产生减幅的正弦波振荡:

如果电路阻尼为0,那么产生的是等幅正弦波振荡,如图:

然而,实际电路中的阻尼不可能为0。为了产生等幅的正弦波振荡,我们需要运用到反馈放大器,也就是说,对产生的减幅正弦波进行放大后反馈回输入端抵消掉减去的部分,形成等幅振荡。
为了抵消掉减去的部分,我们希望这个电路的反馈是正反馈,只有正的反馈能抵消掉减去的部分,因此,如果这个电路要产生等幅正弦波振荡,需要保证反馈回路对信号的相移为2n*pi(n是任意整数,pi为圆周率),这也就是相位平衡条件(简单地说就是正反馈,输出电压与输入电压必须保持相同相位)

在基本反馈环中,设小信号放大电压增益为A,输出端反馈到输入端的反馈系数为F,并设输入电压为Vi,输出电压为Vo,反馈电压为Vf。
一开始的情况下,我们假设没有输入电压,但是有输出电压。那么,我们假设这个反馈环输出的是单一正弦波,显然Vi=Vf,根据反馈放大器的关系,易得Vo=AVi,Vf=FVo,等量代换得AF=1,因此,只需要满足|AF|=1这个条件,输出的就是稳定的正弦信号。
但是,由于最先的时候没有输入电压,反馈回去的电压是大于输入电压的,因此,正弦波的起振需要一个幅度逐渐升高然后稳定的过程,要求反馈电压的幅度大于输入电压的幅度,此时|AF|>1,于是实际情况中,如果要让振荡器起振,则必须满足|AF|>1(起振条件)。假设不计能量损耗,由反馈放大器的特性,起振以后反馈放大器的增益会自动调节,波形逐渐稳定,此时的|AF|=1(这个为维持振荡的幅度平衡条件)
但是,实际情况下存在噪声信号与能量损耗。所以实际中只能|AF|≈1,|AF|越接近于1,波形越接近正弦波。
所以:振荡电路起振需满足起振条件|AF|>1、并且满足相位平衡条件(此时经过反馈回路以后,必须满足反馈是正反馈,输出电压必须与输入电压同相)
理论知识我们已经清楚了,我们可以设计一个真正的正弦波振荡器了。

如图为一个克拉泼电容反馈三点式振荡器,R1、R2、Rc与Re共同组成了分压式偏置电路,为晶体管VT提供合适的静态工作点,Cb为隔直流耦合电容,C2为射极旁路电容,让放大器有较高的电压增益,C1负责反馈信号到输入端(集电极),反馈系数F≈C1/C2
实际情况中,反馈系数F我们可以根据放大器增益的实际情况决定,如果不清楚放大器增益,C1/C2可以选择0.2-0.4的范围(切记!|AF|不可过大,否则会输出方波),这个电路的振荡频率由C1、C2、C3与L共同决定,约等于C3与L的谐振频率,调节C3可以调整这个振荡电路的振荡频率。根据前面所述,RLC电路产生减幅振荡的必要条件是欠阻尼条件,因此,整个反馈回路的阻尼需要尽量小,也就是说,选用的器件需要有较高的Q值(直流电阻很小),并且C1和C2必须远大于C3
综上所述:正弦波振荡器的本质是反馈放大器经过了选频网络,需要满足|AF|>1的条件进行起振(|AF|不可过大),振荡后的输出信号相位必须等于输入信号相位。同时,选用的电抗器件必须拥有较高的Q值,如果器件不满足Q值是无法发生振荡的
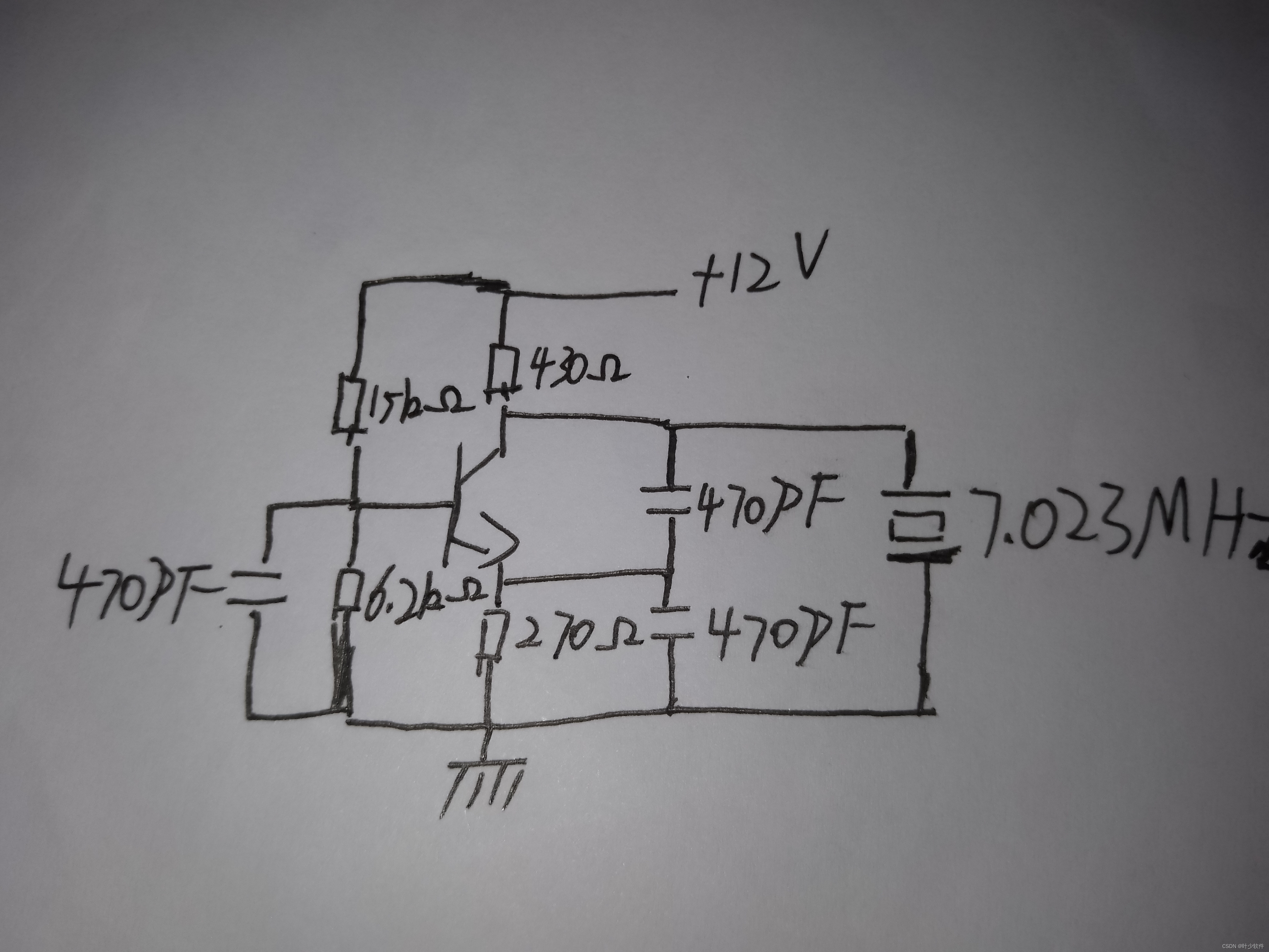
掌握了这些知识,我们就可以很容易地调整正弦波振荡电路,如图所示:
晶体管选用2SC2229



波形很完美,频率稳定度很高
本文来自互联网用户投稿,文章观点仅代表作者本人,不代表本站立场,不承担相关法律责任。如若转载,请注明出处。 如若内容造成侵权/违法违规/事实不符,请点击【内容举报】进行投诉反馈!
