USB3.1控制器FX3
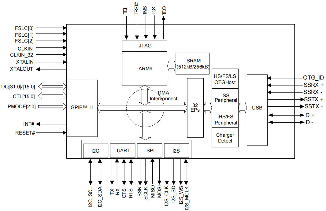
FX3是赛普拉斯的一款USB3.1 Gen1控制器芯片,SuperSpeed peripheral controller,最高速率达到5-Gbps,200MHzARM9内核,芯片总共121pin脚。


有一个GPIF II接口,可用于连接ASIC、FPGA等。CYUSB201X支持USB2.X,CYUSB301X支持USB3.X,至此OTGV2.0。
支持I2C、UART、SPI、I2S等,其中如果使用复用D+/D-引脚做为Carkit uart接口使用,此时用GPIF II接口则在48、49GPIO引脚上。但速率最大只能到9600bps。支持工作频率33 MHz做SPI master,仅支持single-master 。UART使用Rx、Tx、CTS、RTS引脚,速率范围300 bps 到 4608 Kbps。I2C只支持master模式,支持multi-master。
Boot启动,可选择usb、I2C、SPI。
本文来自互联网用户投稿,文章观点仅代表作者本人,不代表本站立场,不承担相关法律责任。如若转载,请注明出处。 如若内容造成侵权/违法违规/事实不符,请点击【内容举报】进行投诉反馈!
