Pspice 电路仿真入门 -- RC时间常数分析 时域仿真、频率响应仿真
人的记忆力有时不可靠,特别是对于上了岁数的人来说。以前做过电路仿真,如果长时间不仿真,很多操作容易忘记。
电路仿真对于硬件工程师来说至关重要,仿真可以帮我们从直观上建立电路特性,可以在以后的工作中,对电路故障迅速定位其根源。
首先进行一阶RC低通电路的时域响应仿真,软件选用cadence16.6。
-
打开软件后,依次点击File-New-Project

-
平常画原理图会选择最下面的Schematic,我们这里要做仿真,选择Analog or Mixed A/D,同时在Name栏输入文件名,我这里用RC_time 来命名。

-
在接下来的窗口里我们可以选择创建空白文件,当然为了提升效率,也可以选择已经的工程。

-
电路图效果如下,我这里要测一个低通电路对脉冲信号的响应情况。Pspice Vpulse 的参数如下:
V1是低电平
V2是高电平
TD是延迟时间
TR是上升沿时间
TF是下降沿时间
PW是脉宽
PER是信号周期
想要修改,直接双击对应的值就行。

-
如果想要更换信号源,一次点击cadence右侧,如下图中所表示“1”的位置,在打开窗口中,依次选择2、3、4即可。我这里选用的是VPULSE。

-
接下来就要设置仿真参数,如果没有参数,点击“1”处新建一个,如果已经有了,需要修改仿真参数,点击“2”处,位置“3”是选择仿真类型,我这里只看时域的波形,选择Time domain 即可。在“5”处填入需要仿真的时间长度,我这里仿真100ms即可。
设置完参数,点击“6”处放置电压表,然后把图标放到电容的节点处,表示我想要观察这个位置的电压情况。
然后点击“7”,开始运行仿真

-
运行结果如下

-
重复第6步里的“6”,在信号源的正极加入万用表图标,可以实现输入和输出的对比效果。从这里可以看到,0.33uF的电容会明显的改变信号的上升、下降沿。

-
可以把电容的值改为0.1uF、0.01uF,继续仿真,波形如下。


调试电路的时候,做个简单的仿真,就可以省去不停地动电烙铁更换器件的繁琐了吧。
从这个仿真我们可以总结出什么知识点呢?
A. 从直观上理解,电容对于电路来说相当于一个存储电荷的池子,电容容值越大,这个池子的容量也就越大,往里面灌满电荷需要的时间就长,波形上看到的是一个很明显的缓慢上升的指数曲线。对于小容量的电容,瞬间充满电荷,图像上就看到一个很陡峭的上升沿。
B. 从数学的角度理解,一个是微分方程,可以解出RC的时间常数,另一个是拉普拉斯分析,得到频域特性。
电容的特性阻抗是 1 s C \frac{1}{sC} sC1 ,输入信号的频率越大,电容两端的分压就会越低,频率高的信号直接流过电容到地了,从而得到低通滤波的概念。
我们可以继续用仿真工具进行频率响应的仿真。
- 继续上图,我们在第一节例子的基础上更换驱动源,把脉冲信号改为正弦信号源。
pspice Vsin 的参数如下:
VOFF: 直流偏置电压,如果没有偏置,必须设为0,否则会报错
VAMPL:正弦交流的峰值电压,时域分析是设置这个
FREQ:正弦信号源的频率
AC:频率分析时设置的AC sweep value,一般设置跟VAMPL相等即可

- 修改仿真参数配置,这次把直流扫描改为交流扫描,右侧可以选择扫描频率的步进按线性增加还是指数增加。

- 设置好后,点击Run,如果有错误,可以通过session log串口查看错误根源。

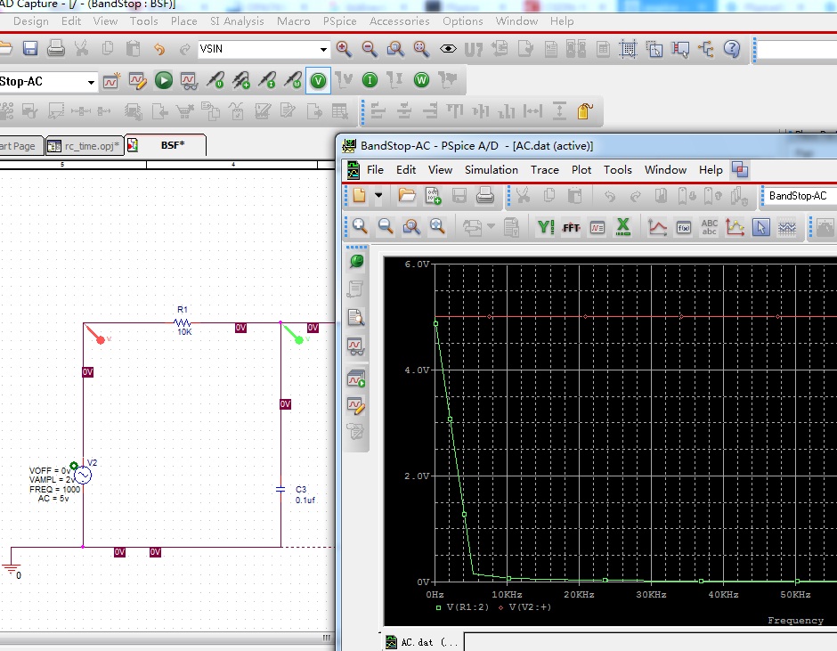
- 1000pf 时的频率响应曲线

- 增大电容试试效果,0.1uf的电容,基本上很低的频率都可以被滤除。

到这里,基本的仿真操作就可以实现了。
本文来自互联网用户投稿,文章观点仅代表作者本人,不代表本站立场,不承担相关法律责任。如若转载,请注明出处。 如若内容造成侵权/违法违规/事实不符,请点击【内容举报】进行投诉反馈!
