基于LM567 音频信号检测功能初步测试
LM567音频信号检测电路
- 基于LM567制作的反射式红外检测电路,用于节能信标检测电路
01 检测电磁导航信号
一、前言
在制作电子锥桶中, 需要能够检测到 20kHz 的电磁导航信号, 用于统一复位电子锥桶指示状态。 为了降低检测成本, 测试利用 LM567 音频信号检测芯片来检测电磁导航信号。 这款DIP8 封装的LM567, 比较方便在面包板上进行测试。



二、基本测试
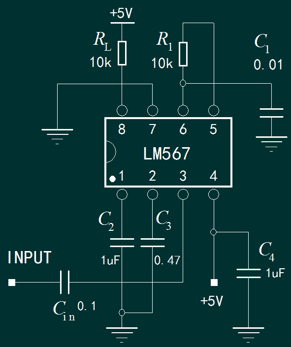
1、搭建电路
根据 LM567 数据手册, 设计测试电路。 工作电压去 5V, 外部检测信号通过电容耦合到 LM567 管脚3, 可以在管脚6, 5 测量到芯片振荡信号。 通过 管脚 8 测量输出信号。 下面在面包板上构建该电路。
![]()

▲ 图1.2.1 测试电路原理图
电路元器件比较少, 在面包板上搭建测试电路。 除了输入电容之外, 其它元器件都按照在电路板上了。 下面对其基本功能进行测试。 工作电压使用5V。


2、测试结果
上电后, 电路耗电 7mA 左右。 首先使用示波器, 测量振荡信号。 分别测量 管脚6, 管脚5 振荡信号。 管脚5 为方波信号, 管脚类是三角波动信号, 信号的频率为 10.49kHz左右。 这说明该电路已经能够工作了。



根据 LM567数据手册, 振荡频率由 R1,C1参数决定。 根据电路图中的参数, 电路振荡频率应该是 9091Hz, 这与实际振荡频率有 10%的差别。 估计是由与器件参数误差引起的。

三、检测信号
使用 DG1062 可编程信号发生器, 产生 10kHz, 峰峰值为 1V 的正弦波, 通过电容耦合到 LM567芯片。 使用示波器第二通道测量 LM567 管脚 8, 显示信号检测结果。 可以看到当 信号接入 LM567之后, 管脚8 输出低电平。 当没有信号接入时, LM567 管脚8 输出高电平。 另外还有一个现象, 那就是当外部信号输入之后, LM567的振荡信号也被锁定在 10kHz。 没有信号接入时, LM567的振荡信号就有它的振荡阻容参数决定。 根据LM567数据手册显示内部功能框图来看, 这是由 LM567内部振荡电路是一个压控振荡器, 在内部检测电路作用下, 它可以与外部振荡信号锁定。 因此, LM567信号检测过程, 也是对信号进行锁定的过程。



下面通检测输入信号, 振荡信号以及 LM567检测输出信号。 改变 输入信号的频率, 可以看到在 9.5kHz 到11kHz 之间, LM567都能够锁定外部输入信号的频率。 锁定后, 输出为 低电平。 一旦没有锁定, 则输出膏电平。
![]()

▲ 图1.3.1 输入信号与振荡信号之间的关系
四、外部输入信号
如果不让LM567自行振荡, 而是将一个外部振荡信号通过C1耦合进 管脚6. 当输入信号幅值超过一定阈值之后, 也会在管脚5 产生方波信号, 示波器中黄色方波信号就是测量得到的 管脚5 的信号。 然后在将另外一路正弦波信号从 耦合电容输入, 两个信号之间相差 0.25Hz。 这里显示了三个信号, 黄色方波信号是 管脚5出现的振荡信号; 青色信号是涮涮正弦波信号。 可以看到它与10kHz 之间出现了 0.25Hz 的频率差。 粉色信号是 LM567 第八管脚输出信号。 可以看到检测输出信号上下波动, 大约是 0.25Hz。 只有当两个信号完全同相, 输出信号才会是低电平。 ·由此可见, LM567是依靠内部锁相环振荡电路才能够稳定的检测到输入信号的。
![]()

▲ 图1.4.1 外部输入信号与检测信号的关系
※ 总 结 ※
本文对于LM567 音频信号检测信号的功能进行了初步测试, 利用它内部的锁相环震荡, 可以对外部特定频率范围内的信号进行检测, 这个频率范围应该是由 LM567锁相环振荡器外围阻容参数决定。 它不能够工作在外部输入信号条件下。


■ 相关文献链接:
- 基于LM567制作的反射式红外检测电路,用于节能信标检测电路
- LM567
● 相关图表链接:
- 图1.2.1 测试电路原理图
- 图1.3.1 输入信号与振荡信号之间的关系
- 图1.4.1 外部输入信号与检测信号的关系
本文来自互联网用户投稿,文章观点仅代表作者本人,不代表本站立场,不承担相关法律责任。如若转载,请注明出处。 如若内容造成侵权/违法违规/事实不符,请点击【内容举报】进行投诉反馈!
