场效应管总结
目录
1.4.1结型场效应管
1.4.2绝缘栅型场效应管
场效应管(FET)
利用输入回路的电场效应来控制输出回路电流的一种半导体器件。
由于它仅靠半导体中的多数载流子导电,又称单极型晶体管
场效应管分为结型和绝缘栅型两种
1.4.1结型场效应管
分为N沟道和P沟道两种类型
结构示意图

符号

记忆方法:由P指向N,箭头指向即为N
N沟道结型场效应管工作原理
栅-源之间加负向电压,保证耗尽层承受反向电压;
漏-源之间加正向电压,形成漏极电流,即电流从漏极到源极;
主要是为了实现,栅-源 之间的电压,对 沟道电流的控制
具体分析
1、当
对于N沟道结型场效应管来说,随着增大(外电场方向与PN结内电场方向一致,导致PN结增大,即耗尽层增宽),耗尽层会逐渐变宽,直到沟道消失,记录此时
为 夹断电压
。
此时,无论之间电压如何变化,都不会产生漏极电流。
2、当
当 ,此时沟道未消失即未被夹断,此时随着
的增大,漏极电流逐渐增大。此时处于可变电阻区(非饱和区)
当增大到一定地步,沟道的一侧会被夹断,此时称为预夹断,此时的漏极电流不再随着
的增大而增大了,表现为一个确定值。此时处于恒流区(饱和区)
个人理解

当
若,
即,叠加后的电压,在漏极侧等于夹断电压,此时为预夹断。
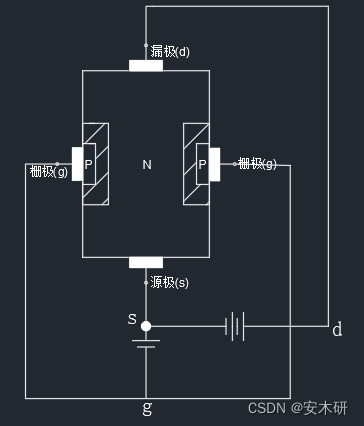
连接方式

1.4.2绝缘栅型场效应管
栅极与源极、栅极与漏极之间均采用 SiO2 绝缘层隔离,
又因为栅极为金属铝,故又称为 MOS管(Metal-Oxide-Semiconductor)
MOS管分为四类:N沟道增强型管、N沟道耗尽型管、P沟道增强型管、P沟道耗尽型管
增强型管:栅-源 电压为 0 时,漏极电流也为 0
耗尽型管:栅-源 电压为 0 时,漏极电流不为 0
结构示意图

通常将衬底(B)与源极(s)连接到一起,这样栅极和衬底就组成了一个电容器,通过改变栅源之间的电压控制漏极电压。
沟道型成

具体分析
当g--s之间加正向电压,由于存在二氧化硅,导致栅极聚集大量正电荷,但无电流;由于同种电荷相斥,异种电荷相吸,耗尽层加宽,且大量的负电荷向着栅极聚集,形成了由电子构成的沟道(反型层)。
使得反型层刚刚形成的电压称为开启电压,记为
当,
此时在d---s之间加正向电压,就会有电流流过沟道。
当,即此时漏极一侧的电压经过叠加后,已经不足以完全打开沟道,出现了夹断点,此时为预夹断。
随着增大,夹断区域不断延长。
连接方式

本文来自互联网用户投稿,文章观点仅代表作者本人,不代表本站立场,不承担相关法律责任。如若转载,请注明出处。 如若内容造成侵权/违法违规/事实不符,请点击【内容举报】进行投诉反馈!
