EtherCAT运动控制卡和LabVIEW构建智能装备(二)
今天,正运动小助手给大家分享一下EtherCAT运动控制卡之ECI2828的硬件接线和如何使用LabVIEW进行硬件外设读写与回零运动。
一、 ECI2828硬件介绍
ECI2828系列运动控制卡支持多达16 轴直线插补、任意圆弧插补、空间圆弧、螺旋插补、电子凸轮、电子齿轮、同步跟随、虚拟轴和机械手指令等;采用优化的网络通讯协议可以实现实时的运动控制。
ECI2828系列运动运动控制卡支持以太网,232 通讯接口和电脑相连,接收电脑的指令运行,可以通过EtherCAT总线和CAN总线去连接各个扩展模块,从而扩展输入输出点数或运动轴。

ECI2828系列运动控制卡的应用程序可以使用 VC、VB、VS、C++以及C#等软件来开发,程序运行时需要动态库 zmotion.dll。调试时可以把ZDevelop软件同时连接到控制器,从而方便调试,方便观察。

二、 LabVIEW进行运动控制开发
1.将“光盘资料”里面LabVIEW的Vi函数库“zauxdll”文件夹下载到电脑中,然后复制到Labview安装路径下labview/user.lib的文件夹内。

2.查看PC函数手册,熟悉相关函数接口。
(1)PC函数手册也在光盘资料里面,具体路径如下:“光盘资料\8.PC函数\函数库2.1\ZMotion函数库编程手册 V2.1.pdf”

(2)PC编程,一般如果网口对控制器和工控机进行链接。网口链接函数接口是ZAux_OpenEth();如果链接成功,该接口会返回一个链接句柄。通过操作这个链接句柄可以实现对控制器的控制。

(3)使用轴参数设置相关的指令操作链接句柄“g_handle”,对控制器进行轴参数的设置,轴参数设置相关的指令如下。



(4)使用单轴运动相关的指令操作链接句柄“g_handle”,对控制器进行单轴运动控制,单轴运动相关的指令如下。



3.LabVIEW进行回零运动开发。
(1)新建Vi,在前面板,右键鼠标,选择控件进行UI设计。

(2)在前面板设计完UI界面后,进入程序框图,会看到各个控件对应的接线端。

(3)在程序编辑框中点击右键鼠标,选择“编程”-“结构”-“平铺顺序结构”,接着选中平铺顺序结构右键鼠标,选择在前面添加帧,做到如下效果,对局部变量进行初始化。

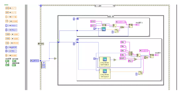
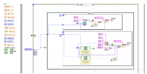
(4)在程序编辑框中通过鼠标,选择“平铺顺序结构”然后右击选择“在后面添加帧”,接着在后面添加的帧里面添加“While循环”,在“While循环”里面又添加“事件结构”,通过事件结构里面的“超时处理”对控制器的运动状态、运动速度、运动位置进行实时监控。

(5)选择事件结构,右击选择添加事件分支,选择“连接”值改变,然后在该事件分支中使用“Z Aux Open Eth.vi”函数对控制器进行连接,以实现连接控制器按钮的功能。

(6)选择事件结构,右击选择添加事件分支,选择“断开”值改变,然后在该事件分支中使用“Z Aux Close.vi”函数对控制器断开连接,以实现断开链接按钮的功能。

(7)选择事件结构,右击选择添加事件分支,选择“启动回零”值改变,然后在该事件分支中使用相关Vi函数对控制器运动参数进行设置并开始运动,以实现运动按钮的功能。
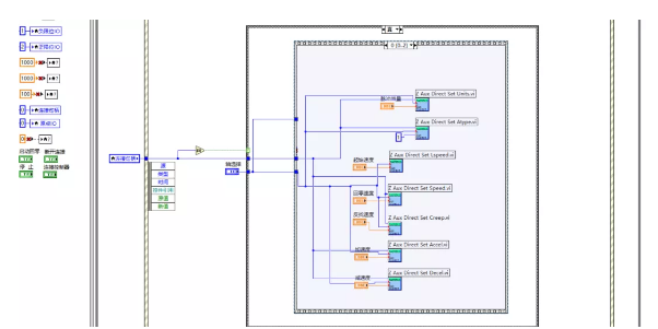
A.通过该事件分支中的“层叠式顺序结构”第0帧中调用轴参数设置相关的Vi函数,先对控制器轴参数进行设置。

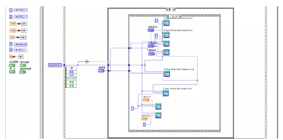
B.通过该事件分支中的“层叠式顺序结构”第1帧中调用进行配置信号点,原点信号,正负限位以及模拟量大小设置。

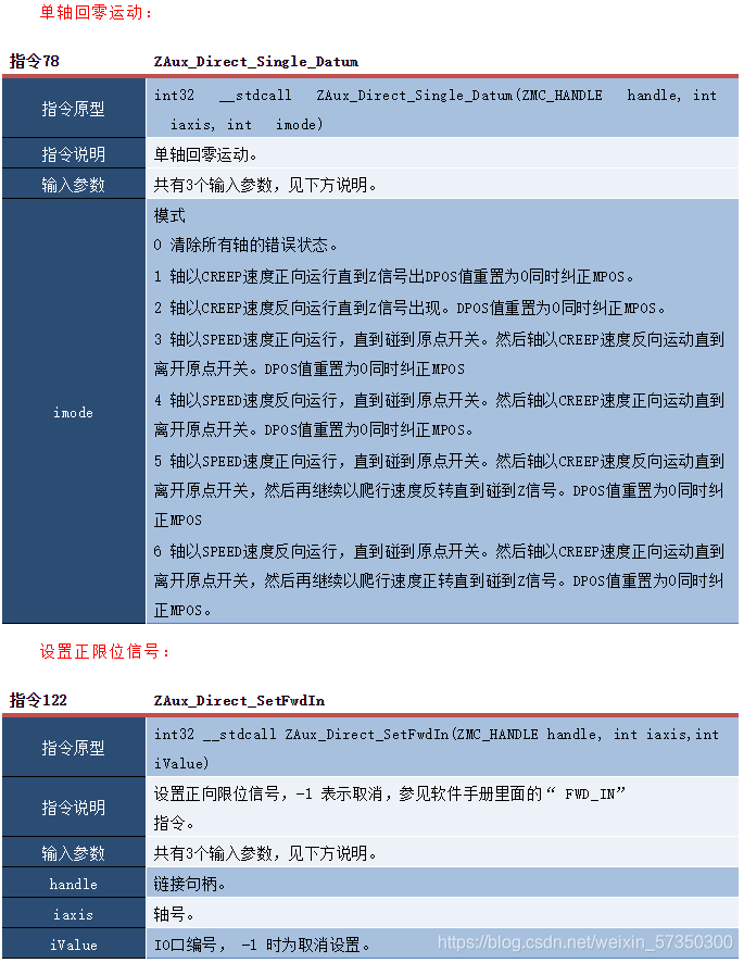
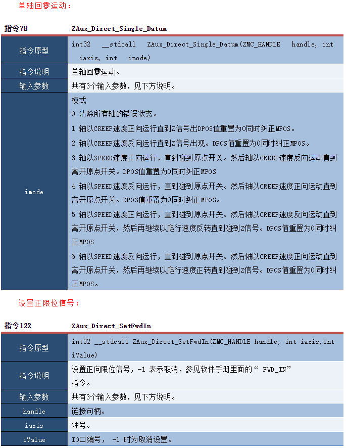
C、通过该事件分支中的“层叠式顺序结构”第2帧中调用动作回零运动,调用”Z Aux Direct Single Datum.vi”

(8)选择事件结构,右击选择添加事件分支,选择“停止”值改变,然后在该事件分支中使用“Z Aux Direct Single Cancel.vi”函数停止控制器的轴运动,以实现停止按钮的功能。

(9)选择事件结构,右击选择添加事件分支,选择“坐标清零”值改变,然后在该事件分支中使用“Z Aux Direct Set Dpos.vi”函数设置控制器轴位置等于0,以实现坐标清零按钮的功能。

三、 调试与监控
编译运行例程,同时连接ZDevelop软件进行调试,对运动控制的轴参数和运动情况进行监控。
1.连接ZDevelop软件通过软件右侧的轴参数进行控制器状态监控,也可以点击“视图”→“示波器”打开示波器对轴运动情况进行监控。

2.运行上位机软件进行调试监控。

3.调试视频。
EtherCAT运动控制卡和LabVIEW构建智能装备(二)
本次,正运动技术EtherCAT运动控制卡和LabVIEW构建智能装备(二),就分享到这里。
更多精彩内容请关注“正运动小助手”公众号,需要相关开发环境与例程代码,请咨询正运动技术销售工程师。
本文由正运动技术原创,欢迎大家转载,共同学习,一起提高中国智能制造水平。文章版权归正运动技术所有,如有转载请注明文章来源。

本文来自互联网用户投稿,文章观点仅代表作者本人,不代表本站立场,不承担相关法律责任。如若转载,请注明出处。 如若内容造成侵权/违法违规/事实不符,请点击【内容举报】进行投诉反馈!
