93、基于STM32单片机的智能公交报站系统 公交车GPS定位时钟语音报站器设计(程序+原理图+PCB源文件+参考论文+开题报告+流程图+原理图文字讲解+元器件清单等)
摘 要
本文详细介绍了一款基于STM32单片机的公交车语音报站台系统设计,通过gps对当前公交车站台进行定位,通过按键分别表示不同的站台,当按下按键时,LCD12864液晶显示屏显示对应的站台名称,并实时显示经纬度变化。此外该设计还带有语音播报功能,当抵达公交末站时,单片机给语音芯片发送指令,控制扬声器进行播报。
关键词:STM32单片机;公交语言播报;液晶屏;
设计背景
随着经济和社会的不断发展,城市人口大幅度增加并高度集中,汽车的数量不断增加,城市交通越来越拥挤,给日常出现带来了一些不便,同时对环境也造成了严重的污染。为此,大力发展公共交通,不仅可以改善城市道路情况,还可以节能减排,为此很多城市建议人们出门乘坐公交车。但是目前传统城市公交车运输存在一些缺点,传统的人工售票方式不仅费时费力,而且还要人工报站,效率不高,容易产生疏漏。当车内拥挤时,分辨不清楚此时到了哪一站。为了解决这一现象,目前出现了只能语音播报公交系统,液晶屏实时现在到达的车站,并进行语音播报,给人们的出行带来便捷。为了更好的研究公交车语音播报站台的工作原理,本次设计了一款基于STM32单片机的公交车GPS定位语音播报站台进行研究分析。
设计依据
在单片机选项这一款,相比传统的AT89C52芯片,这次采用更加强大的STM32单片机,集成度更高,价格便宜,功能丰富,通过I/O口操作单片机上的外设,比较简单。经纬度获取我们采用高精度的作用GPS定位模块来进行定位,因为此设计十分方便,小巧,安全,得到的数据也十分准确,所以被广泛的应用大大的节约了资源。给人们带来了更好的效益。所以就可以更好的来利用资源。显示部分用LCD12864来显示当前的信息,因为传统的数码管显示的缺陷是信息量比较少,能显示的内容有限,而LCD1602显示就弥补这样的缺陷,它可以显示当前的站台名称,也可以显示数字。而且可以来调节背光亮度。节约资源。通过按键来进行站台选择,按键分别代表本次车站和下个站台,当按下按键时,LED12864液晶屏展示对应的站台名称。当检测到到达末站时,单片机控制语音芯片进行播报:“本次公交车已经到达低站,祝您生活愉快”。
设计思路
本次设计主要分为检测、显示和报警三个部分。单片机采用STM32单片机作为CPU处理器,检测部分包括按键检测。单片机扫描按键阵,当到达某车站时,按下该车站对应的按键,或者是在自动模式下通过gps获取的经纬度信息来进行播报。 显示部分就是LCD1602液晶显示屏显示检测对应按键的中文站台名称。当公交车到达末站时,单片机控制WT588D语音芯片进行语音播报,提示乘客下车图2.1是整体工作原理图:

一、硬件方案
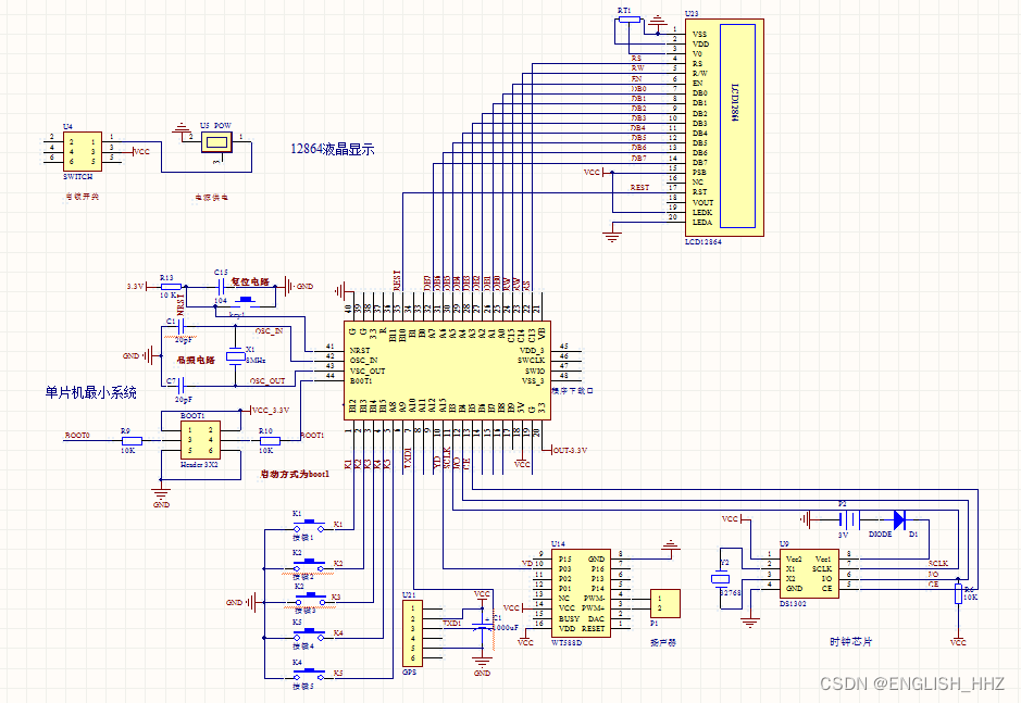
硬件构成:STM32单片机+LCD12864液晶显示+语音模块WT588D + GPS定位+按键设置+DS1302时钟芯片
二、设计功能
1、LCD12864液晶显示当前年月日,星期,时间,当前站名,是否连接gps,自动/手动模式。
2、按键可以设置当前站名,时间,日期,站点,站点GPS经纬度。
3、手动模式下:可以直接通过按键直接播报当前站名,切换下一站。
4、自动模式下:根据设置到站点自动进行播报。
三、实物图

STM32STM32概述
STM32系列是为要求高性能、低成本、低功耗的嵌入式应用专门设计的ARM Cortex-M3内核。按性能分成两个不同的系列:“增强型”STM32F103系列和“基本型”STM32F101系列。增强型系列的时钟频率能达到72MHz,是同类产品中频率最高的;基本型的时钟频率为36MHz,用16位产品一样的价格得到比16位产品更大的性能,是16位产品的最好选择。两个系列都有内置的32K到128K的闪存,不同的是SRAM的最大容量和外设接口的组合。时钟频率为72MHz时,从闪存执行代码来看,STM32功耗36mA,是32位市场上功耗最低的产品,相当于0.5mA/MHz[6]。
以STM32103C8T6单片机为处理器,该单片机为32位处理器。内核为Cortex-M3,其并行总线结构,嵌套中断向量控制单元,调试系统和它标准的存储映射。嵌套中断向量控制器(Nested Vector Interrupt Controller,简称NVIC)是Cortex-M3处理器中一个比较关键的组件,它为基于Cortex-M3的微控制器提供了标准的中断架构和优秀的中断响应能力,为超过240个中断源提供专门的中断入口,而且可以为每个中断源赋予单独的优先级。采用NVIC可以达到非常快的中断响应速度,从收到中断请求到执行中断服务的第一条指令仅需12个周期。这种极快的响应速度一方面得益于Cortex-M3内核对堆栈的自动处理机制,这种机制是通过固化在CPU内部的微代码实现的。另一方面,在中断请求连续出现的情况下,NVIC使用一种称为“尾链”的技术,使连续而来的中断可以在6个时钟周期内得到服务。在中断的压栈阶段,更高优先级的中断可以不耗费任何额外的CPU周期就能完成嵌入低优先级中断的动作。具体的细节后面我会继续总结的。用户可以通过设置CPU自动进入低功耗状态,而使用中断来将其唤醒,CPU在中断时间来临之前会一直保持睡眠状态[7]。
Cortex-M3的CPU支持两种运行模式:线程模式(Thread Mode)与处理模式(Handler Mode)并且需要注意的是,这两种模式都拥有各自独立的堆栈。这种设计使得开发人员可以进行更为精密的程序设计,对实时操作系统的支持也就更好了。Cortex-M3处理器还包含了一个24位可自动重装载定的定时器,可以为内核(RTOS)提供一个周期中断。
在指令集方面,ARM7和ARM9都有两种指令集(32位指令集和16位指令集),而Cortex-M3系列处理器支持Thumb-2指令集。由于Thumb-2指令集融合了Thumb指令集和ARM指令集,使得32位指令集的性能和16位指令集的代码密度之间取得了平衡[5]。 专业嵌入式、单片机技术实训。而且,ARM Thumb-2 专门为C/C++编译器设计,这就意味着Cortex-M3系列处理器的开发应用可以全部在C语言环境中完成。
STM32微控制器的推出标志着ST公司在两条产品主线(低价位主线和高性能主线)上迈出了重大一步。STM32最初发布时有14个不同型号,分为两个版本:最高CPU时钟为72MHZ的“增强型”和最高CPU时钟为36MHZ的“基本型”。这些不同STM32型号里内置的Flash最大可达128KB,SRAM最大为20KB,在STM32发布之初,配置更大Flash,RAM和更复杂外设的版本就已经在规划之中了。不管是什么版本,什么型号的STM32器件,它们在引脚功能和应用软件上是兼容的。这就使得开发人员在使用STM32系列微控制器时,不必改动PCB就可以根据需要随意更换器件型号。乍一看STM32的设备配备,与往日熟悉的51单片机倒有几分相似。一般,STM32都会配备常见外设,诸如多通道ADC,通用定时器,I2C总线接口,SPI总线接口,CAN总线接口,USB控制器,实时时钟RTC等。但是,它的每一个外部设备都具有独特之处。例如,12位精度的ADC具备多种转换模式,并带有一个内部温度传感器,带有双ADC的STM32器件,还可以使两个ADC同时工作,从而衍生出了更为高级的9种转换模式;STM32的每一个定时器都具备4个捕获比较单元,而且每个定时器都可以和另外的定时器联合工作以生成更为精密的时序;STM32有专门为电机控制而设的高级定时器,带有6个死区时间可编程的PWM输出通道,同时其带有的紧急制动通道可以在异常情况出现时,强迫PWM信号输出保持在一个预订好的安全状态;SPI接口含有一个硬件CC8单元,支持8位字节和16位半字数据的CC8计算。在对SD或MMC等存储介质进行数据存取时相当有用。而且,STM32还包含了7个DMA通道。没恶搞通道都可以用来在设备与内存之间进行8位,16位,32位数据的传输。每个设备都可以向DMA控制器请求发送或者接收数据。STM32内部总线仲裁器和总线矩阵将CPU数据接口和DMA通道之间的连接大大的简化了,这就意味着DMA通道单元是很灵活的其使用方法简单,足以应付微控制器应用中常见的数据传输要求。
四、原理图
在本设计做的过程中,硬件和软件方面都遇到了许多问题,但是相比于软件,在硬件方面还是比较快解决的方面,因为硬件是比较容易检查出来错误的,软件比较晦涩难懂,还是有一定难度。
在硬件调试问题上,首先焊接好了元器件实物板后,先用万用表测量这个工业板子的电源方面,电源方面是最重要的问题,应该是特别需要检查的地方,以防止电源的短路和正负极的错误。然后在仔细检查电路的连接是否有问题,或者有没有虚焊或者没有焊接到的地方,然后核对一下元器件的安装是否有问题,安装上去是否符合规定,由于已经是大学四年都是做过了很多实训过来了,对于这些还是游刃有余的,但是在上机调试后还是发现了很多的问题。

五、PCB图
在本设计做的过程中,硬件和软件方面都遇到了许多问题,但是相比于软件,在硬件方面还是比较快解决的方面,因为硬件是比较容易检查出来错误的,软件比较晦涩难懂,还是有一定难度。
在硬件调试问题上,首先焊接好了元器件实物板后,先用万用表测量这个工业板子的电源方面,电源方面是最重要的问题,应该是特别需要检查的地方,以防止电源的短路和正负极的错误。然后在仔细检查电路的连接是否有问题,或者有没有虚焊或者没有焊接到的地方,然后核对一下元器件的安装是否有问题,安装上去是否符合规定,由于已经是大学四年都是做过了很多实训过来了,对于这些还是游刃有余的,但是在上机调试后还是发现了很多的问题。
六、程序源码
Keil 5是美国Keil Software公司出品的51和STM32系列兼容单片机C语言软件开发系统,与汇编相比,C语言在功能上、结构性、可读性、可维护性上有明显的优势,因而易学易用。Keil提供了包括C编译器、宏汇编、链接器、库管理和一个功能强大的仿真调试器等在内的完整开发方案,通过一个集成开发环境(μVision)将这些部分组合在一起。运行Keil软件需要WIN98、NT、WIN2000、WINXP等操作系统。如果你使用C语言编程,那么Keil几乎就是你的不二之选,即使不使用C语言而仅用汇编语言编程,其方便易用的集成环境、强大的软件仿真调试工具也会令你事半功倍。

资料包括:

流程图:

原理图文字讲解:

需要完整的资料可以点击下面的名片加下我,找我要资源压缩包的百度网盘下载地址及提取码。
本文来自互联网用户投稿,文章观点仅代表作者本人,不代表本站立场,不承担相关法律责任。如若转载,请注明出处。 如若内容造成侵权/违法违规/事实不符,请点击【内容举报】进行投诉反馈!

