基于STM32F103制作的小型焊台
基于STM32F103制作的小型焊台
系统采用STM32F103C单片机作微控制器构建数字温度控制器,通过采集烙铁温度反馈来控制MOS来控制加热丝的工作,实现加热丝两端电压可变,从而控制焊接温度,使温度保持在设定值。系统主要包括:数据的采集,处理,输出,人机交互部分。该系统成本低,精度高,实现方便。该温度控制器的显示部分采用数码管显示,具有显示当先温度、温度上限值、温度下限值的功能。按键部分采用四个按键,每个按键的功能不同,用过各个按键的配合使用,调节温度上下限的功能,实现了对温度信号的精确检测与控制。
焊台系统结构

焊台采用模块化设计,如图所示。分别由电源供电系统、逻辑控制系统、键盘输入模块、模拟采样模块、姿态检测模块、数码显示模块、MOS驱动电路模块。
数字式防静电可调焊台中核心的温度控制系统是对烙铁温度可调功能,温度可调范围150摄氏度至450摄氏度;自动控制加热,当烙铁头温度低于设定温度,主机接通,供电给温控器发热(同时有可变的温升及回温速度),当烙铁头温度高于设定温度,主机关闭,停止发热;具有温度显示功能;方便操作。目前,实际应用中使用的电烙铁有普通直热式电烙铁和可调温电烙铁两种。普通直热式电烙铁适合焊接一般的小型电子元器件和印制电路板,但存在“高温空烧”的问题,导致烙铁不易沾锡,缩短r其使用寿命,而且温度不能恒定且不可调节。另外市场上也存在可调温电烙铁,该种电烙铁可以恒温,并能实现温度的调节,但是温度调节缓慢,波动大,使用不方便,而且不能自动断电,长时间通电闲置时存在安全隐患。应对这些安全隐患设计加入了姿态检测功能,通过检查手柄与烙铁架状态来确认使用姿态的正确性,完美解决了因姿态错误,在加热情况下烙铁掉落出焊台架导致的损失。并加入了焊台空烧时间限制功能,避免了长时间闲置使用应忘记关闭烙铁导致烙铁损坏。及高温状态下中等闲置时间未使用降加热温度恒温,避免了在因准备焊接大元件时间过长忘记降低温度损坏烙铁。
硬件模块
LT3995电源转换芯片

该DC-DC部分使用LT3995芯片进行降压,图中D6作用为防过压、D4为防电源接反,C16、C17、C20、C21、C22、C23、C24为24V电源滤波。D5与L1、C11-C14组成Buck电路。R10主要起保护作用与后续5V应用电路线路隔离方便测试。
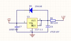
LM1117-3.3电源转换芯片

该电路作用将5V转3.3V。D3防止输出电压过高。C7、C8滤波。R8起线路隔离保护。
信号放大电路

烙铁温度反馈电阻反馈到U2A,经过U2A进行同相放大。电压放大倍数为6倍。1脚输出到单片机进行AD转换。
加热控制电路的选型

该电路使用MOS管驱动,为简化设计该电路使用MOS模块电路驱动,采用双MOS并联有源输出,内阻更低电流输出更大,常温下输出电流可达15A,400W,单片机可以直接驱动,满足驱动要求。
数码显示电路的选型

TM1637数码显示
为简化硬件设计显示电路使用的是TM1637数码管显示模块电路。该模块与单片机采用IIC通讯,芯片通过动态显示实现4位数码管数值显示。焊台打开时默认快速加热到300度,温度显示当前手柄温度。当长按模式选择2S时,进入预热温度模式。按加减键来设置预热的温度值,每次加或减的变化在10℃。按确定按钮保存当前设置的预热的温度值。此时实际显示的温度会与预热值相比较,控制板控制烙铁加热或停止加热。
温控板系统软件设计

系统程序流程图
通过流程图我们可以清晰的看到,系统通过初始化后,进行当前的焊台手柄的温度显示,并内部进行温度比较当温度达到预热的温度值时,加热控制电路停止加热,否则继续加热。当长按下KEY_UP键进入预热模式设置预热值,按加减键来设置预热的温度值,每次加或减的变化在10℃。按确定按钮保存当前设置的预热的温度值。此时实际显示的温度会与预热值相比较,控制板控制烙铁加热或停止加热。具体而言分部分:(1)初始化硬件;(2)ADC采样;(3)数码显示驱动;(4)预热控制;
原理图设计

温控板原理图
设计时根据手柄的加热原理及温度反馈原理,选择使用LM7332进行同相放大将手柄的温度信号放大,传输到单片机进行AD采样,其中单片机选择的是STM32F103C8T6,并绘制基本的时钟电路和复位电路、供电管脚。信号输入单片机进行处理后输出到P1的5、6脚进行数码显示。根据反馈的温度与预热温度比较,控制P5接口的MOS驱动模块是否使加热丝得电加热。其中预热温度的设置由P3按键接口控制低电平有效。在基础功能确定好后确定电源转换芯片LT3995进行24V转5V,选择LM1117-3.3来进行5V转3.3V提供单片机电压。

温控板PCB板图
PCB设计过程中需遵照“先大后小,先难后易”的布置原则,即重要的单元电路、核心元器件应当优先布局。在绘制PCB之前应优先配置设计规则,配置电源24V、5V、3.3V线宽,信号线线宽。在元件布局及规则设计完成后进行导线连接,导线连接时因注意导线转角时尽量不要使用90°拐角特别是高频电路。

温控板PCB板3D效果图

温控板PCBA实物图

本文来自互联网用户投稿,文章观点仅代表作者本人,不代表本站立场,不承担相关法律责任。如若转载,请注明出处。 如若内容造成侵权/违法违规/事实不符,请点击【内容举报】进行投诉反馈!
