跟踪微分器(Tracking Differentiator,TD)
本文旨在介绍自抗扰控制技术(Active Disturbance Rejection Control Technique,ADRC)中关于跟踪微分器(Tracking Differentiator,TD)的一些基本思想。
1.小时间常数的惯性环节
一阶惯性环节的传递函数为
y ( s ) = 1 T s + 1 u ( s ) y(s) = \frac{1}{Ts+1}u(s) y(s)=Ts+11u(s)
阶跃响应为
y ( t ) = 1 − e − t / T y(t)=1-e^{-t/T} y(t)=1−e−t/T
当时间常数 T T T较u的变化很小时,可以近似认为
y ( t ) = u ( t − T ) y(t)=u(t-T) y(t)=u(t−T)
2.经典微分器
由于在现实中无法获得真正的微分 G ( s ) = s G(s)=s G(s)=s,所以一般使用如下形式的微分环节来获取微分信号
y = s T s + 1 v y=\frac{s}{Ts+1}v y=Ts+1sv
其中, v v v为原始信号, y y y为近似的微分信号。考虑第一小节中小时间常数惯性环节的特性,上式所表达的微分环节在时域中可以这样理解
y ( t ) = 1 T ( v ( t ) − v ( t − T ) ) y(t) = \frac{1}{T}(v(t)-v(t-T)) y(t)=T1(v(t)−v(t−T))

也就是经典的"斜率"计算方法。
将经典微分器离散化后可得
v ˉ ( k + 1 ) = v ˉ ( k ) − T s T ( v ˉ ( k ) − v ( k ) ) y ( k ) = 1 T ( v ( k ) − v ˉ ( k ) ) \begin{aligned} \bar{v}(k+1) &=\bar{v}(k)-\frac{Ts}{T}(\bar{v}(k)-v(k)) \\ y(k) & =\frac{1}{T}(v(k)-\bar{v}(k)) \end{aligned} vˉ(k+1)y(k)=vˉ(k)−TTs(vˉ(k)−v(k))=T1(v(k)−vˉ(k))
3.经典微分器噪声分析
微分器最大的问题就是对噪声具有放大效应,下从只分析的角度加以解释。
当输入信号 v ( t ) v(t) v(t)包含噪声 γ n ( t ) \gamma n(t) γn(t)时,由离散方程可得
v ˉ ( k + 1 ) = v ˉ ( k ) − T s T ( v ˉ ( k ) − v ( k ) ) + T s γ T n ( t ) y ( k ) = 1 T ( v ( k ) − v ˉ ( k ) ) + γ T n ( t ) \begin{aligned} \bar{v}(k+1) &=\bar{v}(k)-\frac{T_s}{T}(\bar{v}(k)-v(k))+\frac{T_s\gamma}{T}n(t) \\ y(k) & =\frac{1}{T}(v(k) -\bar{v}(k))+\frac{\gamma}{T}n(t) \end{aligned} vˉ(k+1)y(k)=vˉ(k)−TTs(vˉ(k)−v(k))+TTsγn(t)=T1(v(k)−vˉ(k))+Tγn(t)
其中 v ˉ ( k ) \bar{v}(k) vˉ(k)可以视为对实际信号的滤波。可以看出,噪声的放大是由 T s γ T n ( t ) , γ T n ( t ) \frac{T_s\gamma}{T}n(t),\frac{\gamma}{T}n(t) TTsγn(t),Tγn(t)项所决定的,减小微分器的时间常数 T T T会导致噪声被更严重的放大,而增大时间常数会造成相位滞后。还可以看出,提高采样频率会减小滤波信号中的噪声,但不会影响微分信号。
以一种极端情况为例,若微分器的时间常数为5ms,则微分信号中包含的噪声将是输入信号中噪声的200倍!
4.二阶线性微分跟踪器
为了消除或减弱噪声的放大效应,考虑把经典微分器中的惯性环节换为如下二阶形式
y ( s ) = 1 T 2 − T 1 ( 1 T 1 s + 1 − 1 T 2 s + 1 ) v ( s ) = s T 1 T 2 s 2 + ( T 1 + T 2 ) s + 1 v ( s ) \begin{aligned} y(s) & = \frac{1}{T_2-T_1}(\frac{1}{T_1s+1}-\frac{1}{T_2s+1})v(s) \\ & = \frac{s}{T_1T_2s^2+(T_1+T_2)s+1}v(s) \end{aligned} y(s)=T2−T11(T1s+11−T2s+11)v(s)=T1T2s2+(T1+T2)s+1sv(s)
或是临界阻尼情况
y ( s ) = s ( T s + 1 ) 2 v ( s ) y(s) = \frac{s}{(Ts+1)^2}v(s) y(s)=(Ts+1)2sv(s)
其离散形式为
x 1 ( k + 1 ) = x 1 ( k ) + T s x 2 ( k ) x 2 ( k + 1 ) = x 2 ( k ) − T s ( 1 T 2 ( x 1 ( k ) − v ( k ) ) + 2 T x 2 ( k ) ) y ( k ) = x 2 ( k ) \begin{aligned} x_1(k+1) & = x_1(k) + T_sx_2(k) \\ x_2(k+1) &= x_2(k) - T_s\left( \frac{1}{T^2} (x_1(k)-v(k)) + \frac{2}{T}x_2(k)\right) \\ y(k) & = x_2(k) \end{aligned} x1(k+1)x2(k+1)y(k)=x1(k)+Tsx2(k)=x2(k)−Ts(T21(x1(k)−v(k))+T2x2(k))=x2(k)
噪声分析
当输入信号 v ( t ) v(t) v(t)包含噪声 γ n ( t ) \gamma n(t) γn(t)时,由离散方程可得
x 1 ( k + 1 ) = x 1 ( k ) + T s x 2 ( k ) x 2 ( k + 1 ) = x 2 ( k ) − T s ( 1 T 2 ( x 1 ( k ) − v ( k ) ) + 2 T x 2 ( k ) ) + T s γ T 2 n ( t ) y ( k ) = x 2 ( k ) \begin{aligned} x_1(k+1) & = x_1(k) + T_sx_2(k) \\ x_2(k+1) &= x_2(k) - T_s\left( \frac{1}{T^2} (x_1(k)-v(k)) + \frac{2}{T}x_2(k)\right) + \frac{T_s\gamma}{T^2}n(t) \\ y(k) & = x_2(k) \end{aligned} x1(k+1)x2(k+1)y(k)=x1(k)+Tsx2(k)=x2(k)−Ts(T21(x1(k)−v(k))+T2x2(k))+T2Tsγn(t)=x2(k)
微分信号中所包含的噪声由 T s γ T 2 n ( t ) \frac{T_s\gamma}{T^2}n(t) T2Tsγn(t)决定,可以看出减小采样间隔 T s T_s Ts可以减小微分器对噪声的放大效应。且当采样间隔 T s T_s Ts小于微分器时间常数 T T T时(这是必然的),二阶微分器具有比经典微分器更低的噪声放大增益。虽然在相同滤波器时间常数下,二阶微分器的相位滞后比经典微分器略大一些,但其增加采样频率来抑制噪声放大的特性,使得其具有比经典微分器更好的微分预测性能。
由于这种形式的微分器都是通过惯性环节尽可能快的跟踪信号的动态特性,通过求解微分方程(积分)来获取近似的微分信号,所以作者(韩京清)将其称为跟踪微分器(Tracking Differentiator,TD)。
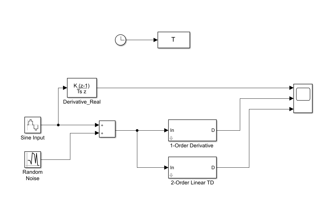
5.仿真测试
使用Simulink搭建仿真模型用以微分器性能验证

实验参数:
- 采样频率1000Hz,采样间隔 T s = 0.001 T_s=0.001 Ts=0.001
- 输入正弦信号频率为 2 π 2\pi 2π rad/sec,幅值为1
- 随机噪声均值为零,方差为0.0001
- 经典微分器和跟踪微分器的时间常数均为20ms(0.02s)
实验结果

可以看出TD具有比经典微分器有更小的噪声。
采样频率对比实验
对比在改变 T s T_s Ts的情况下,TD噪声的变化

- 蓝色曲线为 T s = 0.001 s T_s=0.001s Ts=0.001s时的微分预测信号
- 橙色曲线为 T s = 0.0001 s T_s=0.0001s Ts=0.0001s时的微分预测信号
- 随机信号噪声较第一个实验增大10倍
- 除此之外,微分器的参数没有任何不同
可以看出,提高采样频率可以减小TD微分预测的噪声,这是经典微分器无法做到的。
本文来自互联网用户投稿,文章观点仅代表作者本人,不代表本站立场,不承担相关法律责任。如若转载,请注明出处。 如若内容造成侵权/违法违规/事实不符,请点击【内容举报】进行投诉反馈!
