[汇编语言]寄存器
目录
- 一、通用寄存器
- 二、字在寄存器中的存储
- 三、几条汇编指令
- 四、物理地址
- 五、16位结构的CPU
- 六、8086CPU给出物理地址的方法
- 七、段的概念
- 八、段寄存器
- 九、CS和IP
- 十、jmp指令
- 十一、代码段
一、通用寄存器
一个CPU由运算器、控制器、寄存器等器件构成,这些器件靠内部总线连接。内部总线实现CPU内部各个器件之间的关系,外部总线实现CPU和主板上其他器件的联系。
在CPU中:
- 运算器进行信息处理
- 寄存器进行信息存储
- 控制器控制各个器件进行工作
- 内部总线连接各种器件,在他们之间进行数据传送
8086CPU的所有寄存器都是16位的,可以存放两个字节。AX、BX、CX、DX这4个寄存器通常用来存放一般性的数据,被称为通用寄存器。

一个16位寄存器可以存储一个16位的数据
8086CPU上一代CPU中的寄存器都是8位的,为了保证兼容,在上一代编写的程序稍加修改就可以运行在8086上,因此8086CPU的AX、BX、CX、DX这4个寄存器都可分为两个可独立使用的8位寄存器来用:
AX:AH、AL
BX:BH、BL
CX:CH、CL
DX:DH、DL

二、字在寄存器中的存储
为了保证兼容性,8086CPU可以一次性处理两种尺寸的数据
- 字节:记为byte,一个字节由8个bit组成,可以存在8位寄存器中
- 字:记为word,一个字由两个字节构成,分别是高位字节个低位字节
一个字可以存在一个16位寄存器中,这个字的高位字节和低位字节自然就存在这个寄存器的高8位寄存器和低8位寄存器中。
三、几条汇编指令
| 汇编指令 | 控制CPU完成的操作 | 高级语法描述 |
|---|---|---|
| mov ax, 18 | 将18送入寄存器AX | AX = 18 |
| mov ah, 78 | 将78送入寄存器AH | AH = 78 |
| add ax, 8 | 将寄存器AX中的数据+8 | AX = AX + 8 |
| mov ax, bx | 将寄存器BX中的数据送入寄存器AX中 | AX = BX |
| add ax, bx | 将AX和BX中的数值相加,再将结果存入AX中 | AX = AX + BX |
在进行数据传送或是运算的时候,要注意指令的两个操作对象的位数应当是一致的,以下指令都是错误的指令,原因均是指令的两个操作对象的位数不一致
mov ax, bl 在8位寄存器和16位寄存器之间传送数据
mov bh, ax 在16位寄存器和8位寄存器之间传送数据
mov al, 20000 8位寄存器最大可存放值为255的数据
add al, 100H 将一个高于8位的数据加到了8位寄存器中
四、物理地址
CPU访问内存单元时,要给出内存单元的地址。所有的内存单元构成的存储空间是一个一维的线性空间,每一个内存单元在这个空间中都有唯一的地址,我们将这个唯一的地址称为物理地址。
CPU通过地址总线送入存储器的必须是一个内存单元的物理地址,在CPU向地址总线发出物理地址之前,首先要在内部先形成这个物理地址。不同CPU有不同的形成物理地址的方式,在此我们主要讨论8086CPU是如何在内部形成内存单元的物理地址的。
五、16位结构的CPU
8086是16位机,也可以说是16位结构的CPU,那么什么是16位结构的CPU?
16位结构(16位机,字长为16位)描述了一个CPU具有以下几方面的结构特性:
- 运算器一次最多可以处理16位的数据
- 寄存器的最大宽度是16位
- 寄存器和运算器之间的通路为16位
8086是16位结构的CPU,也就是说,在8086内部,能够一次性处理、传输、暂时存储的信息最大长度是16位的。内存单元的地址在送上地址总线之前,必须在CPU中处理、传输、暂时存放,对于16位的CPU,能够一次性处理、传输、暂时存储16位的地址。
六、8086CPU给出物理地址的方法
8086CPU有20位地址总线,可以传送20位地址,达到1MB的寻址能力。8086CPU又是16位结构,在内部一次性处理、传输、暂时存储的地址为16位。从内部结构来看,只能送出16位的地址,表现出的寻址能力为64KB。
因此8086CPU采用一种在内部用两个16位地址合成的方法来形成一个20位的物理地址

如图所示,当8086CPU要读写内存时:
- CPU中的相关部件提供两个16位的地址,一个称为段地址,另一个称为偏移地址
- 段地址和偏移地址通过内部总线送入一个称为地址加法器的部件
- 地址加法器将两个16位地址合成为一个20位的物理地址
- 地址加法器通过内部总线将20位物理地址送入输入输出控制电路
- 输入输出控制电路将20位物理地址送上地址总线
- 20位物理地址被地址总线传送到存储器
地址加法器采用 物理地址 = 段地址 * 10H + 偏移地址 的方法用段地址和偏移地址合成物理地址
如8086CPU要访问地址为123C8H的内存单元时,此时地址加法器工作过程如图:

段地址 * 10H 等价于 段地址 * 16
段地址 * 16更为常用的说法是左移4位
一个数据的二进制左移1位,相当于该数据乘二,左移N位,相当于乘2^N
十进制左移1位,就是乘以10;X进制左移1位,相当于乘以X
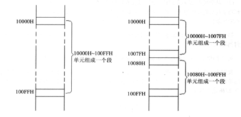
七、段的概念
实际上,内存并没有分段,段的划分来自于CPU,由于8086CPU用 段地址 * 10H + 偏移地址 给出了内存单元的物理地址,使得我们可以用分段的方式来管理内存。

如图所示,我们可以认为10000H~100FFH的内存单元组成了一个段,该段的起始地址为10000H,段地址为1000H,大小为100H
右边的图可以认为地址10000H ~ 1007FH和10080H ~ 100FFH的内存单元组成两个段,他们的起始地址为10000H和10080H,段地址为1000H和1008H,大小都为80H
以后,我们可以将若干个连续的内存单元看做是一个段,用段地址10H的方法定位段的起始地址,用偏移地址定位段的内存单元。注意这里段地址10H必然是10H的倍数,因此一个段的起始地址也一定的10H的倍数,偏移地址为16位,16位地址的寻址能力为64KB,所以一个段的最大长度为64KB
CPU可以用不同的段地址和偏移地址形成同一个物理地址 ,只要满足计算规则即可
如果给定一个段地址,仅通过变化偏移地址来寻址,最多可以定位多少个内存单元?
结论:偏移地址是16位,变化范围为:0~FFFFH,仅用偏移地址来寻址最多可以寻64KB个内存单元比如给定段地址为1000H,用偏移地址来寻址,则CPU的寻址范围为:10000H~1FFFFH
八、段寄存器
8086访问内存的时候,需要由相关部件提供内存单元的段地址和偏移地址送入加法器合成物理地址,那么是什么部件提供段地址?—— 段地址在8086CPU的段寄存器存放。8086CPU有4个段寄存器,分别是CS、DS、SS、ES。当8086CPU要访问内存时,这4个段寄存器提供内存单元的段地址。
九、CS和IP
CS和IP是8086CPU中两个最关键的寄存器,他们指示了CPU当前要读取指令的地址。CS为代码段寄存器,IP是指令指针寄存器。
在8086机中,任意时刻,CPU将CS:IP指向的内容当做指令执行

如图所示8086PC读取和执行指令的想关闭键
- 8086CPU当前状态:CS中的内容是2000H,IP中的内容是0000H
- 内存20000H ~ 20009H单元存放了可执行的机器码
- 内存20000H ~ 20009H单元中存放着机器码对应的汇编指令如图最右侧
之前提到过在内存中,指令和数据没有任何区别,都是二进制信息,那么CPU根据什么将内存中的信息看作是指令?
CPU将CS:IP指向的内存单元中的内容看作是指令,因为用他们合成指令的物理地址,到内存中读取指令码
十、jmp指令
在CPU中,程序员能够用指令读写的部件只有寄存器,程序员可以通过改变寄存器中的内容实现对CPU的控制。CPU从何处执行指令是由CS:IP中的内容所决定的,程序员可以通过改变CS、IP中的内容来控制CPU来执行目标指令。
那么如何 修改 CS、IP的值?
可以使用mov指令,如:mov ax,123中将ax的值设为了123,其实8086CPU中大部分寄存器的值都是可以用mov指令去改变的,mov指令被称为传送指令。
但是mov指令不能用于设置CS、IP的值,因为8086CPU没有提供这种功能。8086CPU为CS、IP提供了另外的指令来改变他们的值。能够改变CS、IP内容的指令被统称为转移指令。现在介绍一个最简单的能够修改CS、IP的指令:jmp指令
若想同时修改CS、IP的内容,可以用 jmp 段地址 : 偏移地址 的指令来完成,如:
jmp 2AE3:3,执行后,CS = 2AE3H,IP = 0003H,CPU将从2AE33H处读取指令
jmp 段地址 : 偏移地址 指令的功能为:用指令中给出的段地址修改CS,偏移地址修改IP,若想继续修改IP的内容,可以用jmp 某一合法寄存器的指令来完成
jmp 某一合法寄存器 指令的功能为:用寄存器中的值修改IP
jmp ax 在含义上好似:mov IP,AX(并没有这条语句,只是用来理解jmp)
jmp ax 指令执行前:
ax = 1000H,CS = 2000H,IP = 0003H
执行后:
ax = 1000H, CS = 2000H, IP = 1000H
十一、代码段
对于8086PC机,在编程时,可以根据需要,将一组内存单元定义为一个段。我们可以将长度为N(N <= 64KB)的一组代码,存在一组地址连续、起始地址为16的倍数的内存单元中,我们可以认为,这段内存是用来存放代码的,从而定义了一个代码段。
如何使得代码段中的指令被指向?将一段内存当做代码段,仅仅是我们在编程时的一种安排。CPU只认被CS:IP指向的内存单元中的内容为指令。所以要让CPU执行我们放在代码段中的指令,必须要让CS:IP指向所定义的代码段中的第一条指令的首地址。
每执行一条指令,IP自动更新。
本文来自互联网用户投稿,文章观点仅代表作者本人,不代表本站立场,不承担相关法律责任。如若转载,请注明出处。 如若内容造成侵权/违法违规/事实不符,请点击【内容举报】进行投诉反馈!
