充满不确定的当下,数字化供应链会是答案吗?

在政策与市场双轮驱动下,新能源汽车快速发展,动力电池形势大好。
国务院办公厅印发《新能源汽车产业发展规划(2021-2035年)》,规划指出:到2035年,纯电动汽车将成为新销售车辆主流,公共领域用车全面实现电动化。
厂商们也相继宣布产能扩张目标。中创新航产能规划将超500GWh,比亚迪和蜂巢能源规划于2025年实现600GWh,宁德时代6月完成450亿元定增,大手笔投入380亿元用于扩大产能。
动力电池扩产进入快车道,但远水解不了近渴,风口救不了风险。
上游原材料价格应声上涨,下游车企将补贴退坡压力向上转移;高端电池产能不足,低端电池产能过剩;营收攀上历史新高,毛利却集体下滑。
面对“夹心饼干”式现状与诸多不确定因素,如何提升自己中断风险、抵御风险的能力,走出供应链供给困境,成为决定动力电池厂商未来成败的关键因素。
一、不确定因素增加供应链折翼风险

汽车产业具有顺经济周期特点,保持必要的过剩能力一直是其经营策略之一。
动力电池厂商接二连三地布局产能扩张,是为了保证企业获得先占优势,稳定已有市场份额,并在后续的产量和价格竞争中获胜。
但在疫情常态化和逆全球化语境下,这一笔置换已不再划算。
动力电池需要完成配料、电芯制作、PACK组装等生产流程后才能流至整车产业链;整车产业链再将动力电池与电动汽车组装完成,最终输向市场。
一旦这个链条中的任一环节受阻,链条上的所有单位都将承担难以估量的损失。

今年4月份,蔚来汽车发布官方信息,称因为疫情原因,其位于吉林、上海、江苏等地的供应链合作伙伴自三月份起就已陆续停产,蔚来整车生产因此全部中断。
在此之前,宁德时代也同样遭遇疫情攻击,原料车、出货车被突如其来的疫情拦截在生产基地之外,企业面临停工瘫痪风险。好在这只是一次短暂的管控升级,再加上早有应对准备,宁德时代才得以化险为夷。
疫情暴露供应链脆弱问题,但疫情不是根本原因。
二、建立数字化供应链韧性体系

整体来看,当前的动力电池及新能源车供应链仍未实现一体化构建,上下游企业信息沟通存在滞后和堵塞,各方难以快速反应,提前预判风险更是难上加难。
对动力电池厂商来说,当务之急是尽快完善供应链一体化构建,优化产业结构,提升产业透明度,提高资源利用率,降低整体运作成本。
传统供应链模式在研发、供应、需求和销售之间存在严重壁垒,信息板块分裂、信息数据堵塞,协同协作效果欠佳。
在竞争愈益白热化、环境愈益多变的当下,这一模式所带来的负面影响不仅在于市场敏感度低下,还会直接削弱企业核心竞争力——不但无法在风险来临时及时响应,在其后的恢复重建中也难以迅速找到有效路径、恢复稳定状态。

▲
传统供应链模式
要想保证供应链可持续健康发展,就必须要改变传统制造业发展观念。
借助互联网数字化工具,建立供应链管理平台,采集产品生产过程中的原材料数据信息,通过数据接口实现信息共享,破除数据孤岛,打通供应链协同关系,实现数字供应链韧性建设。

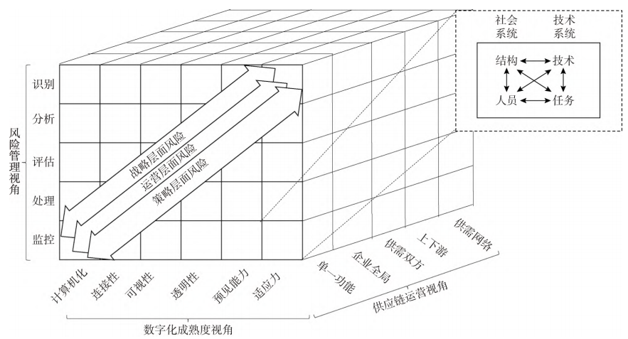
▲
数字供应链风险管理框架
协同合作,并不是简单的1+1连接。
如果过于强调可控而无视供应链实际运行状况,会增加保障实施的成本,侵蚀企业利润;同样地,要是过于强调供应链灵活而无视风险管理,也将增加供应链脆弱性和中断可能性。
那么,要如何平衡这二者之间的关系?
三、基于全供应链的全面质量管理体系

要想构建高效协同协作的韧性供应链,就需要对供应链做出全面性、综合性的评估。
通过对D(交付)、Q(质量)、R(社会责任)、T(技术)、C(成本)的内容边界与核心范畴进行全面考虑和综合建设,才能最终实现综合价值创造、社会责任评估、可持续发展能力的构建和升华。
而这其中,对Q的定义和共识是重中之重。
从单一纵向的供应链到多元融合、敏捷交互的数字化供应链,我们必须明确:随着新一代信息技术在传统产业管理中的应用探索与落地迭代,Quality Engineering需要被重新定位为一个有流程、有体系、有闭环、有迭代的质量工程活动。
要让这一共识科学地应用落地,就要建立起完善的供应链全链质量管控体系,可视化动态管理是其必由之路。
通过搭建供应链管理平台,实现端到端的数据可视化和企业内外部工作流程可视化,增强大数据驱动能力,利用先进分析实施需求预测,针对性调整、制定权变计划,应对各种可能的风险,从而确保供应链高质量稳定运行。

▲
我们的全面供应链管理数字化方案
实现四大维度的数据分析可视化
当供应商、客户、产品、生产、物流信息、产品设计等各种各样的信息集合至一个层级分明的系统平台之上,信息传递速度自然更快,信息透明追溯同样有了保障。
供应商能随时根据需求准备生产,有效缩短供应链运营时间。企业内部各职能部门也能建立对应的物料风险等级管控系统,基于订单-工单流转的可视化、数字化智慧供应链,基于供应商准入-供应链质量-供应商评级的全面数据集成体系能帮助企业高效决策。
这些沉淀下来的数据,又会流回研发策划端、质量改进。从源头改进问题,真正意义上融入全生命周期管理,从而促进供应链的数字化韧性之路高效实现。

数字化让供应链上下游有了更多动态连接,也为未知风险预留出动态调整空间;而具有动态调整能力的企业主,能成为产业链、价值链中的数字化建设引领者。
动态调整能力和数字化能力是当下这个时代中理应具备的重要能力。
这是不确定中的最确定。
本文来自互联网用户投稿,文章观点仅代表作者本人,不代表本站立场,不承担相关法律责任。如若转载,请注明出处。 如若内容造成侵权/违法违规/事实不符,请点击【内容举报】进行投诉反馈!
