STM32_TFTLCD
TFT-LCD 即薄膜晶体管液晶显示器。TFT-LCD 与无源 TN-LCD、STN-LCD 的简单矩阵不同,它在液晶显示屏的每一个像素上都设置有一个薄膜晶体管(TFT),可有效地克服非选通时的串扰,使显示液晶屏的静态特性与扫描线数无关,因此大大提高了图像质量
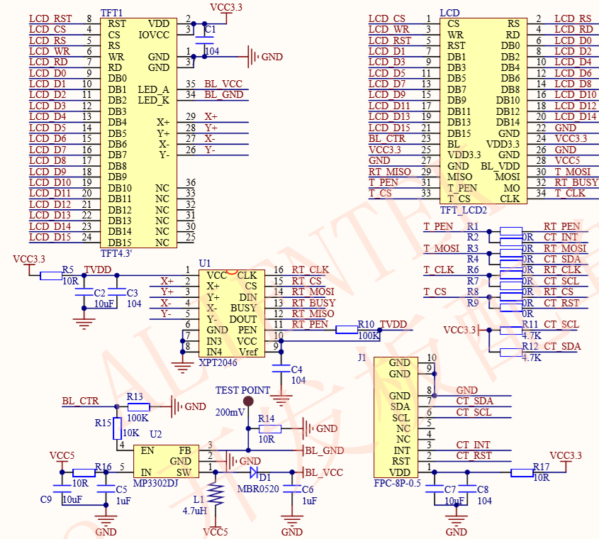
4.3寸TFTLCD模块原理图(3.3V供电,不支持5V的MCU)

TFTLCD 模块采用 2*17 的公排针与外部连接,TFTLCD接口说明(16位80并口)
我们控制的是LCD模块显示,操作的是引脚是LCD的引脚,而ILI9341芯片被内嵌封装在LCD模块内,我们无法对其引脚进行控制操作

单纯为了让LCD显示图像的话2,T_MISO等触摸屏接口信号可以不接

ILI9341 8080并口驱动时序:
读ID低电平脉宽(trdl);
读ID高电平脉宽(trdh);
读FM低电平脉宽 (trdlfm);(FM指帧缓存,即GRAM)
读FM高电平脉宽(trdhfm);
写控制低电平脉宽(twrl);
写控制高电平脉宽(twrh);
ILI9341指令都是8位的(高8位无效),且参数除了读写GRAN时是16位的,其它操作参数都是8位的
部分指令如下:
- 0XD3,这个是读 ID4 指令,用于读取 LCD 控制器的 ID
- 0X36,这是存储访问控制指令,可以控制 ILI9341 存储器的读写方向,简单的说,就是在连续写 GRAM 的时候,可以控制GRAM 指针的增长方向,从而控制显示方式(读 GRAM 也是一样)
- 0X2A,这是列地
本文来自互联网用户投稿,文章观点仅代表作者本人,不代表本站立场,不承担相关法律责任。如若转载,请注明出处。 如若内容造成侵权/违法违规/事实不符,请点击【内容举报】进行投诉反馈!

