运动控制卡(十三):IO动作与运动控制的同步
今天,正运动技术给大家分享一下运动控制卡之ECI3808如何使用C++实现IO动作与运动控制的同步。
一、ECI3808硬件介绍
1.功能介绍
ECI3808系列控制卡支持最多达12轴直线插补、任意圆弧插补、空间圆弧、螺旋插补、电子凸轮、电子齿轮、同步跟随、虚拟轴、机械手指令等;采用优化的网络通讯协议可以实现实时的运动控制。
ECI3808系列运动控制卡支持以太网,RS232通讯接口和电脑相连,接收电脑的指令运行,可以通过CAN总线去连接各个扩展模块,从而扩展输入输出点数或运动轴。
ECI3808系列运动控制卡的应用程序可以使用VC,VB,VS,C++,C#等软件来开发,程序运行时需要动态库zmotion.dll。调试时可以把ZDevelop软件同时连接到控制器,从而方便调试和观察。

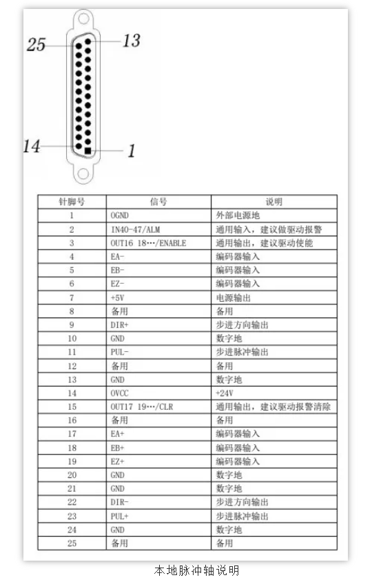
2.硬件接口




3.控制器基本信息

二、 C++进行运动控制开发
1.新建MFC项目并添加函数库
(1)在VS2015菜单“文件”→“新建”→“项目”,启动创建项目向导。

(2)选择开发语言为“VisualC++”和程序类型“MFC应用程序”。

(3)点击下一步即可。

(4)选择类型为“基于对话框”,下一步或者完成。

(5)找到厂家提供的光盘资料,路径如下(64位库为例)。
A.进入厂商提供的光盘资料找到“8.PC函数”文件夹,并点击进入。

B.选择“函数库2.1”文件夹。
C.选择“Windows平台”文件夹。
D.根据需要选择对应的函数库这里选择64位库。
E.解压C++的压缩包,里面有C++对应的函数库。

F.函数库具体路径如下。

(6)将厂商提供的C++的库文件和相关头文件复制到新建的项目里面。

(7)在项目中添加静态库和相关头文件。
A.先右击项目文件,接着依次选择:“添加”→“现有项”。

B.在弹出的窗口中依次添加静态库和相关头文件。
(8)声明用到的头文件和定义控制器连接句柄。

至此项目新建完成,可进行MFC项目开发。
2.查看PC函数手册,熟悉相关函数接口。
(1)PC函数手册也在光盘资料里面,具体路径如下:“光盘资料\8.PC函数\函数库2.1\ZMotion函数库编程手册V2.1.pdf”

(2)链接控制器,获取链接句柄。
ZAux_OpenEth()接口说明:

(3) 运动缓冲的相关函数接口如下。




3.MFC开发实现运动的暂停和恢复例程介绍
(1)例程界面如下。

(2)链接按钮的事件处理函数中调用链接控制器的接口函数ZAux_OpenEth(),与控制器进行链接,链接成功后启动定时器监控控制器状态。
//网口链接控制器void CSingle_move_Dlg::OnOpen(){char buffer[256]; int32 iresult;//如果已经链接,则先断开链接if(NULL != g_handle){ZAux_Close(g_handle);g_handle = NULL;}//从IP下拉框中选择获取IP地址GetDlgItemText(IDC_IPLIST,buffer,255);buffer[255] = '\0';//开始链接控制器iresult = ZAux_OpenEth(buffer, &g_handle);if(ERR_SUCCESS != iresult){g_handle = NULL;MessageBox(_T("链接失败"));SetWindowText("未链接");return;}//链接成功开启定时器1和定时器2SetWindowText("已链接");SetTimer( 1, 100, NULL );SetTimer( 2, 100, NULL ); }
(3)通过定时器监控控制器状态,定时器1获取轴的位置信息,定时器2获取轴的运动状态。
void CTest_move2Dlg::OnTimer(UINT_PTR nIDEvent) {// TODO: Add your message handler code here and/or call defaultif(NULL == g_handle){MessageBox(_T("链接断开"));return ;}if(1 == nIDEvent){CString Xpos;CString Ypos;CString Zpos;CString Upos;CString Curspeed;float showpos[4] ={0};float curspeed =0;ZAux_Direct_GetAllAxisPara( g_handle,"DPOS",4,showpos); //获取当前轴位置Xpos.Format("X: %.2f",showpos[0]);Ypos.Format("Y: %.2f",showpos[1]);Zpos.Format("Z: %.2f",showpos[2]);Upos.Format("U: %.2f",showpos[3]);GetDlgItem( IDC_XPOS )->SetWindowText( Xpos );GetDlgItem( IDC_YPOS )->SetWindowText( Ypos );GetDlgItem( IDC_ZPOS )->SetWindowText( Zpos );GetDlgItem( IDC_UPOS )->SetWindowText( Upos );}if (2 == nIDEvent){int status = 0;int rembuff = 0;int curmark = 0; //判断主轴状态(即BASE的第一个轴)ZAux_Direct_GetIfIdle(g_handle, 0, &status); //判断存放直线的剩余缓冲 ,ZAux_Direct_GetRemain_Buffer判断的空间圆弧的缓冲,也是占缓冲最大的运动ZAux_Direct_GetRemain_LineBuffer(g_handle, 0, &rembuff);//判断当前运动到第几条运动,ZAux_Direct_GetMoveCurmark(g_handle, 0, &curmark); if (status == -1){GetDlgItem(IDC_RUNSTATUS)->SetWindowText("运动状态:停止中");}else{GetDlgItem(IDC_RUNSTATUS)->SetWindowText("运动状态:运动中");} CString str;str.Format("剩余直线缓冲: %d", rembuff);GetDlgItem(IDC_REBUFF)->SetWindowText(str); str.Format("当前MARK: %d", curmark);GetDlgItem(IDC_MARK)->SetWindowText(str);}CDialog::OnTimer(nIDEvent);}
(4)按下启动按钮开始运动,并在合适位置打开和关闭输出口。
void CTest_move2Dlg::OnStart() {if(NULL == g_handle){MessageBox(_T("链接断开"));return ;}UpdateData(true); //刷新参数//自动触发Zdevelop软件的示波器ZAux_Trigger(g_handle);//定义运动BASE轴列表int axislist[3] = {0,1,2}; //选择参与运动的轴,第一个轴为主轴,插补参数全用主轴参数ZAux_Direct_SetSpeed(g_handle,axislist[0],m_speed);//速度ZAux_Direct_SetAccel(g_handle,axislist[0],m_acc);//加速度ZAux_Direct_SetDecel(g_handle,axislist[0],m_dec);//减速度//开启连续插补ZAux_Direct_SetMerge(g_handle,axislist[0],1); //从输入框中获取输入的位置数据和输入口数据float xposlist[3];float yposlist[3];float zposlist[3];DataDeal(xposlist, yposlist, zposlist);float dposlist[3][4] = {0};int OutPara[3];OutPara[0] = (int)xposlist[2];OutPara[1] = (int)yposlist[2];OutPara[2] = (int)zposlist[2];for (int i = 0; i < 2; i++){dposlist[i][0] = xposlist[i];dposlist[i][1] = yposlist[i];dposlist[i][2] = zposlist[i];dposlist[i][3] = 0;}//运行到A点ZAux_Direct_MoveAbs(g_handle,3,axislist,dposlist[0]); //打开输出口OutPara[0]ZAux_Direct_MoveOp(g_handle, 0, OutPara[0], 1); //运行到B点ZAux_Direct_MoveAbs(g_handle, 3, axislist, dposlist[1]); //关闭输出口OutPara[0]ZAux_Direct_MoveOp(g_handle, 0, OutPara[0], 0); //打开输出口OutPara[1],OutPara[2]ms后自动关闭ZAux_Direct_MoveOp2(g_handle, 0, OutPara[1],1, OutPara[2]);//回到原点 ZAux_Direct_MoveAbs(g_handle, 3, axislist, dposlist[2]);}
(5)通过停止运动按钮的事件处理函数来停止当前的运动。
//停止运动void CSingle_homeDlg::OnStop() {if(NULL == g_handle){MessageBox(_T("链接断开状态"));return ;}ZAux_Direct_Single_Cancel(g_handle,m_nAxis,2); }
(6)通过暂停和恢复按钮的事件处理函数进行运动的暂停和恢复。
//运动暂停void CTest_move2Dlg::OnBnClickedPause(){if (NULL == g_handle){MessageBox(_T("链接断开"));return;}//暂停主轴运动,从轴随之暂停ZAux_Direct_MovePause(g_handle,0,0);}//运动恢复void CTest_move2Dlg::OnBnClickedResume(){if (NULL == g_handle){MessageBox(_T("链接断开"));return;}//恢复主轴运动,从轴随之恢复ZAux_Direct_MoveResume(g_handle,0);}

三、调试与监控
编译运行例程,同时通过ZDevelop软件连接控制器对控制器状态进行监控。
1.直接运行,查看示波器观察输出口0,1的打开和关闭的位置信息。


2.中途状态,查看示波器观察输出口0,1的打开和关闭的位置信息。


3.ZDevelop软件调试视频
简单易用的运动控制卡(十三):IO动作与运动控制的同步
本次,正运动技术简单易用的运动控制卡(十三):IO动作与运动控制的同步,就分享到这里。
更多精彩内容请关注“正运动小助手”公众号,需要相关开发环境与例程代码,请咨询正运动技术销售工程师。
本文由正运动技术原创,欢迎大家转载,共同学习,一起提高中国智能制造水平。文章版权归正运动技术所有,如有转载请注明文章来源。
本文来自互联网用户投稿,文章观点仅代表作者本人,不代表本站立场,不承担相关法律责任。如若转载,请注明出处。 如若内容造成侵权/违法违规/事实不符,请点击【内容举报】进行投诉反馈!
