关于步进电机斩波频率的理解
关于步进电机斩波频率的理解
以下是百度上搜索的了解
斩波恒流驱动电路是性能较好的、目前使用较多的一种驱动方式。其基本思想是:无论电机是在锁定状态还是在低频段或高频段运行,均使导通相绕组的电流保持额定值。

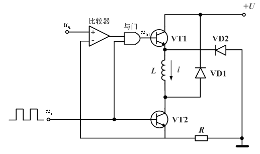
图1是斩波恒流驱动电路的原理图,图中仅为一相的驱动电路,其余两相与之相同。相绕组的通断由开关管VT1和VT2共同控制,VT2的发射极接一个采样电阻R,该电阻上的压降与相绕组电流i成正比。
当控制脉冲ui为高电平时,VT1和VT2两个开关管均导通,直流电源向绕组供电。由于绕组电感的影响,采样电阻R上的电压逐渐升高,当超过给定电压ua的值时,比较器输出低电平,使与门也输出低电平,VT1被截止,直流电源被切断,绕组电流i经VT2、R、VD2续流而衰减,采样电阻R上的电压随之下降。当采样电阻R上的电压小于给定电压ua时,比较器输出高电平,与门也输出高电平,VT1重新导通,直流电源又开始向绕组供电。如此反复,相绕组的电流就稳定在由给定电压ua所决定的数值上。
大概是这个意思,步进电机的脉冲频率决定步进电机的转速,但由于绕组是一个电感线圈,电源电压一定时,转速低时流过步进电机绕组的平均电流会很大,为了限制电流,采取斩波电路,就是当电流上升到某一值时,将绕组供电电源断开,这时电流会下降,下降到某一值时再开通,在这个绕组通电周期内多次开通与关断就是斩波器的频率,它肯定要比单片机送给驱动器的脉冲频率高很多,单片机送出一个脉冲步进电机转一步,而在这一步中,又分多次供电与断电
真实案例:
在更换斩波电容时,越大的电容电流的声音回声时间越长,在示波器上显示出停滞的连续型方波
RPM: 转速1000rpm->每分钟转1000圈
转速与线速度之间的关系位:线速度V=(转速)W×2π÷60
本文来自互联网用户投稿,文章观点仅代表作者本人,不代表本站立场,不承担相关法律责任。如若转载,请注明出处。 如若内容造成侵权/违法违规/事实不符,请点击【内容举报】进行投诉反馈!
