计算机网络02—物理层
计算机网络02—物理层
学习参考资料:
- 湖南科技大学—计算机网络
- 王道考研—计算机网络
- 谢希仁 计算机网络(第7版)
文章目录
- 计算机网络02—物理层
- 1.基本概念
- 2.数据通信系统的模型
- 2.1 相关术语
- 2.2 传输方式
- 2.2.1 串行与并行
- 2.2.2 同步与异步
- 2.2.3 三种通信方式
- 3. 编码与调制
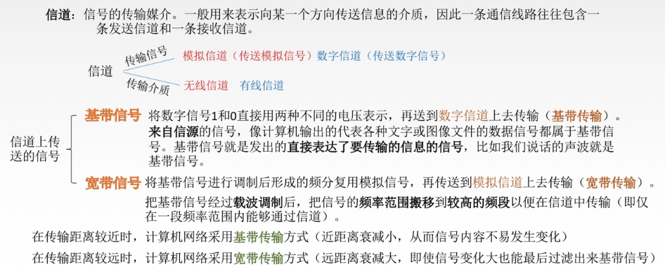
- 3.1 基带信号与带宽信号
- 3.2 编码与调制
- 3.3 数字数据编码为数字信号
- 3.3.1 非归零编码
- 3.3.2 归零编码
- 3.3.3 反向不归零编码
- 3.3.4 曼切斯特编码
- 3.3.5 差分曼切斯特编码
- 3.4 数字数据调制为模拟信号
- 3.5 模拟数据编码为数字信号
- 3.6 模式数据调制为模拟信号
- 4.奈氏准则和香农定理
- 4.1 失真
- 4.2 码间串扰
- 4.3 奈氏准则
- 4.4 香农定理
- 4.5 对比
- 5.传输媒体
- 5.1 导引型传播介质
- 5.1.1 同轴电缆
- 5.1.2 双绞线
- 5.1.3 光纤
- 5.2 非导引型传播介质
- 5.2.1 无线电波
- 5.2.2 微波
- 5.2.3 红外线
- 5.2.4 对比
- 6.物理层设备
- 6.1 中继器
- 6.2 集线器(Hub)
1.基本概念
物理层考虑的是怎样才能在连接各种计算机的传输媒体上传输数据比特流,而不是指具体的传输媒体。
物理层的作用正是要尽可能地屏蔽掉这些传输媒体和通信手段的差异,使物理层上面的数据链路层感觉不到这些差异,这样就可使数据链路层只需要考虑如何完成本层的协议和服务,而不必考虑网络具体的传输媒体和通信手段是什么。
物理层协议的主要任务如下
- 机械特性:指明接口所用接线器的
形状和尺寸、引脚数目和排列、固定和锁定装置。 - 电器特性:指明在接口电缆的各条线上出现的
电压的范围。 - 功能特性:指明某条线上出现的某一电平的
电压表示何种意义。 - 过程特性:指明对于不同功能的各种可能
事件的出现顺序。
2.数据通信系统的模型
一个数据通信系统可以划分为三大部分:源系统(发送端/发送方)、传输系统(传输网络)和目的系统(接收端/接收方)。

2.1 相关术语

- 码元:是指用一个固定时长的信号波形(数字脉冲),代表离散数值的基本波形。当有多个离散状态时,称为M进制码元。一个码元可以携带多个比特的信息。
码 元 所 带 信 息 量 ( 比 特 数 ) = log 2 码 元 进 制 数 码元所带信息量(比特数)=\log_2{码元进制数} 码元所带信息量(比特数)=log2码元进制数
- 波特:单位时间内传输的码元个数,单位是波特(Baud)。1波特表示每秒传输一个码元。
- 速率:指数据的传输速率,表示单位时间内传输的数据量,分为码元传输速率和信息传输速率。

通过一道例题理解上面的概念:

2.2 传输方式
2.2.1 串行与并行
| 传输方式 | 特点 |
|---|---|
| 串行传输 | 速度慢,省钱,适合远距离 |
| 并行传输 | 速度快,耗钱,适合近距离 |

2.2.2 同步与异步

2.2.3 三种通信方式
| 名称 | 英文 | 定义 | 需要信道条数 |
|---|---|---|---|
| 单工通信 | Simplex | 只能一个发送消息一个收接收消息 | 一条 |
| 半双工通信 | half-duplex | 都可以发送或者接消息收,但是同一时间只能进行一个 | 两条 |
| 全双工通信 | duplex | 都可以同时收发数据 | 两条 |

3. 编码与调制
3.1 基带信号与带宽信号


3.2 编码与调制
- 把数据变换为模拟信号的过程称为调制
- 把数据变换为数字信号的过程称为编码

3.3 数字数据编码为数字信号
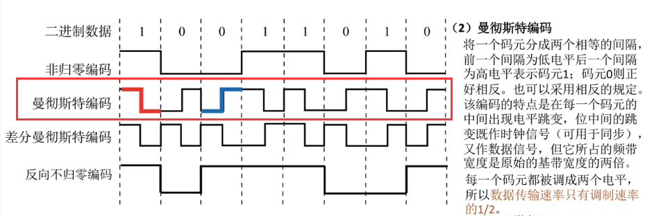
3.3.1 非归零编码

3.3.2 归零编码

3.3.3 反向不归零编码

3.3.4 曼切斯特编码
码元中间时刻的跳变即表示时钟,又表示数据。

3.3.5 差分曼切斯特编码
跳变仅表示时钟;码元开始处电平是否发生变化表示数据。

3.4 数字数据调制为模拟信号
数字数据调制技术在发送端将数字信号转换为模拟信号,而在接收端将模拟信号还原为数字信号,分别对应于调制解调器的调制和解调过程。
基本调制方法:
使用基本调制方法,1个码元只能包含1个比特信息。

3.5 模拟数据编码为数字信号
计算机内部处理的是二进制数据,处理的都是数字音频,所以需要将模拟音频通过采样、量化转换成有限个数字表示的离散序列(即实现音频数字化)。
最典型的例子就是对音频信号进行编码的脉码调制(PCM),在计算机应用中,能够达到最高保真水平的就是PCM编码,被广泛用于素材保存及音乐欣赏,CD、DVD以及我们常见的WAV文件中均有应用,它主要包括三步:抽样、量化、编码。

3.6 模式数据调制为模拟信号

4.奈氏准则和香农定理
4.1 失真

4.2 码间串扰
属于失真的一种现象。

4.3 奈氏准则
下面给出了奈氏准则中最高码元传输速率的公式:

下面给出了奈氏准则中极限数据传输速率的公式:

通过例题理解奈氏准则:

4.4 香农定理


- 信道的带宽或信道中的信噪比越大,则信息的极限传输速率就越高。
- 对一定的传输带宽和一定的信噪比,信息的传输速率的上限就确定了。
- 只要信息的传输速率低于信道的极限传输速率,就一定能找到某种方法来实现无差错的传输。
- 香农定理得出的为极限信息的传输速率,实际信道能达到的传输速率要低。
- 若信贷带宽W或信噪比没有上限(不可能),那么信道的极限信息的传输速率也没有上限。
通过例题理解香农定理:

4.5 对比


5.传输媒体
传输媒体也称为传输介质或传输媒介,它是数据传输系统中在发送设备和接收设备之间的物理通路。
传输媒体并不是物理层。传输层在物理层的下面,因为物理层是体系结构的第一层,因此有时称传输媒体为第0层。在传输媒体中传输的是信号,但传输媒体并不知道所传输的信号代表什么意思。但物理层规定了电气特性,因此能够识别所传送的比特流。
| 传输介质 | 说明 |
|---|---|
| 导向性传输介质 | 电磁波沿着固体媒介(铜线/光纤)传播 |
| 非导向性传输介质 | 自由空间,如真空、空气,水等 |
5.1 导引型传播介质
5.1.1 同轴电缆
同轴电缆具有很好的抗干扰特性,被广泛用于传输较高速率的数据。


5.1.2 双绞线
双绞线也称双扭线,是最古老但又是最常用的传输媒体,常见于电话系统。


5.1.3 光纤
光纤通信就是利用光导纤维(简称光纤)传递光脉冲来进行通信。光纤通信系统的传输带宽远远大于目前其他各种传输媒体的带宽。


光纤的分类可分为单模和多模光纤:

5.2 非导引型传播介质
5.2.1 无线电波
短波通信(即高频通信)主要是靠电离层的反射。但电离层的不稳定所产生的衰落现象和电离层反射所产生的多径效应,使得短波信道的通信质量较差。

5.2.2 微波
微波在空间主要是直线传播。微波会穿透电离层进入宇宙空间,而不会发生反射。
传统的微波通信主要有两种方式:地面微波接力通信和卫星通信。卫星通信的特点是通信距离远和具有较大的传播时延。

5.2.3 红外线

5.2.4 对比

6.物理层设备
6.1 中继器

6.2 集线器(Hub)

本文来自互联网用户投稿,文章观点仅代表作者本人,不代表本站立场,不承担相关法律责任。如若转载,请注明出处。 如若内容造成侵权/违法违规/事实不符,请点击【内容举报】进行投诉反馈!
