SAMA5D27电源管理
概述
SAMA5D27作为一款A5系列的低功耗mpu,其电源管理部分也是我们应用的时候比较重要使用的一部分,下面就简单描述一下这款芯片的电源管理使用。
本文将SAMA5D27的电源管理的操作方式分为下面两种:裸机状态下的电源管理、Linux操作系统下的电源管理。

SAMA5D电源管理-裸机电源管理
Shutdown Controller (SHDWC)
模式说明:关闭VDDIO、VDDCORE电源,使CPU进入shutdown模式,保留相关时钟。
Shutdown 逻辑:
1)配置唤醒方式
2)配置寄存器进入shutdown模式。
功耗说明:在开发板上实际测量,此模式下工作状态电流为10mA;
Ultra-Low-Power-Mode0(ULP0)
模式说明:通过降低系统时钟频率或者关闭系统时钟,关闭外设来降低系统功耗。
ULP0处理逻辑:

功耗说明:小于5mA。
Ultra-Low-Power-Mode1(ULP1)
模式说明:关闭所有时钟,关闭外设降低系统功耗。
ULP0处理逻辑:

功耗说明:小于5mA。
Idle Mode
模式说明:仅仅关闭内核时钟,外设时钟(包括DDR)时钟使能,此模式下可以使芯片快速启动。
Idle 进入方式:
通过等待WFI事件和禁用PCK来实现Idle模式。
功耗说明:30mA。
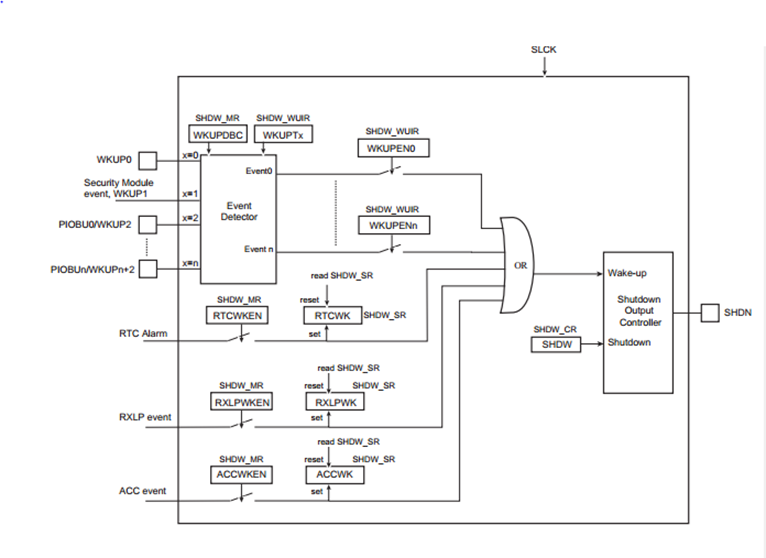
Wake-up source(唤醒源)
根据芯片数据手册,可以在相关章节得到唤醒源的内部电路逻辑图:

SAMA5D电源管理-LINUX电源管理
Shutdown Controller (SHDWC)
说明:此模式下Linux与裸机态下操作一致。
Suspend-to-Idle(freeze)
模式说明:冻结进程+挂起设备+CPU空闲,此模式下,相对于Idle状态更多的节省能耗,因为此时用户空间被冻结且I/O设备进入低功耗模式。
启动时间:

启动方式:可通过外部中断或者RTC定时器触发重启。
模式电流:0.18A(开发板实测)。
Power-on-Suspend
模式说明:冻结进程+挂起设备+关闭CPU中boot部分以外的所有CPU。
启动时间:

启动方式:可通过外部中断或者RTC定时器触发重启。
模式电流:0.17A(开发板实测)。
Suspend-to-RAM(MEM)
模式说明:冻结进程+关闭CPU,将设备和系统状态保存到RAM中,所有外设被挂起。
启动时间:

启动方式:RTC定时器触发重启。
模式电流:0.1A(开发板实测)。
总结
1)理论下,在裸机状态中,系统功耗更低,且系统恢复的时间更短,因环境原因,无法测试具体效果;
2)系统睡眠程度越深,唤醒花费时间越长;
3)现在Suspend-to-RAM模式下功耗最低,但是由于所有外设、中断、CPU均处于挂起或关闭状态,不能从外部触发启动,找到能够从外部触发启动的方法
有问题可以相互讨论,我也是小白,微信 yucaohua001
本文来自互联网用户投稿,文章观点仅代表作者本人,不代表本站立场,不承担相关法律责任。如若转载,请注明出处。 如若内容造成侵权/违法违规/事实不符,请点击【内容举报】进行投诉反馈!
