深度:旋转变压器原理,芯片,算法,选型

之前介绍的新能源汽车电机控制器(MCU)和电动助力转向(EPS)文章中,有提到电机的角度反馈可选择转旋转变压器方案,今天做个分享,欢迎留言交流
本文目录:
-
旋转变压器应用及参数概览
-
旋转变压器原理
-
旋转变压器配套芯片
-
旋转变压器解码算法
-
旋转变压器的厂家及选型
1
旋转变压器概览
旋转变压器(Resolver/Transformer)是一种电磁式传感器,用于测量旋转物体的转轴角位移和角速度,由定子和转子组成,因为结构简单、动作灵敏、工作可靠、对环境条件要求低(特别是高温、高粉尘的地方)、输出信号幅度大和抗干扰能力强等优点,广泛应用在伺服控制系统、机器人系统、汽车等领域;(缺点就是信号处理复杂)
如下是德国莱特纳LTN旋转变压器RE-21的参数,旋转变压器的测量精度用角秒衡量,一度=60角分,1角分=60角秒(角秒符号 ')


图片摘自 德国莱特纳官网
如下是旋变在电机安装的实际照片

图片摘自 RIO电驱动
2
旋转变压器原理
旋转变压器以可变磁阻式旋转变压器应用最为广泛,由转子和定子铁芯组成,如下图所示:中间的转子由层压磁性钢板组成,定子铁芯上有单相励磁线圈绕组(R1− R2)和两相输出线圈绕组(S1− S3, S2 − S4),两对输出绕组隔90°摆放

当励磁线圈由交流电压激励时,根据变压器原理,输出绕组上有相应交流电压;

旋转变压器内定子与转子气隙特别设计,使得其磁导率随旋转角变化符合正弦分布,当转子旋转时,两相输出线圈绕组的输出电压也随转子变化(输出的包络线形状和磁导率成比例)
理想的输入及绕组输出波形如下

图片转自 鼎阳硬件智库
3
旋转变压器配套芯片
基于上文介绍,可以知道,一方面需要给旋变提供激励,一方面需要基于旋变的输出进行计算;
方案一:
采用专用的旋变芯片,比如ADI的AD2S1210,MCU通过总线进行配置&读取结果;
-

-
德州仪器的PGA411也是类似

方案二:
采用AD2S1210方案成本太贵了,好几个美金,于是具有研发实力的企业,开始尝试基于MCU的软解码方案
如下图,是STM32基于SPC58NN推出的软解码方案
说明:SPC58NN是200MHz主频,3x e200z4 CPU,支持浮点运算加速、6Mbyte Flash、支持GTM344、6组独立的16bit Sigma-Delta ADC模块和最高12bit多通道SAR ADC、ASIL-D安全等级等特性

在激励信号生成部分,基于SPC58NN的GTM344模块提供旋变器激励(Excitation)信号,使用基于GTM中的PSM,AFE,FIFO,F2A等功能,结合ATOM,进行PWM调制的数字信号输出,经过信号调理电路,输出一定幅度和10KHz频率的正弦波激励信号。
在信号采集部分,针对激励信号回采及正弦和余弦信号,使用3组差分Sigma-Delta ADC进行采样测量,经过SPC58NN处理,实现模拟信号的预处理、正弦和余弦包络计算及最终角度和速度的解码。

ADC采集的正余弦信号

SPC58计算完成的正余弦包络信号
瑞萨电子基于RH850,德州仪器基于TMS320F2837X实现了类似的软解码方案

4
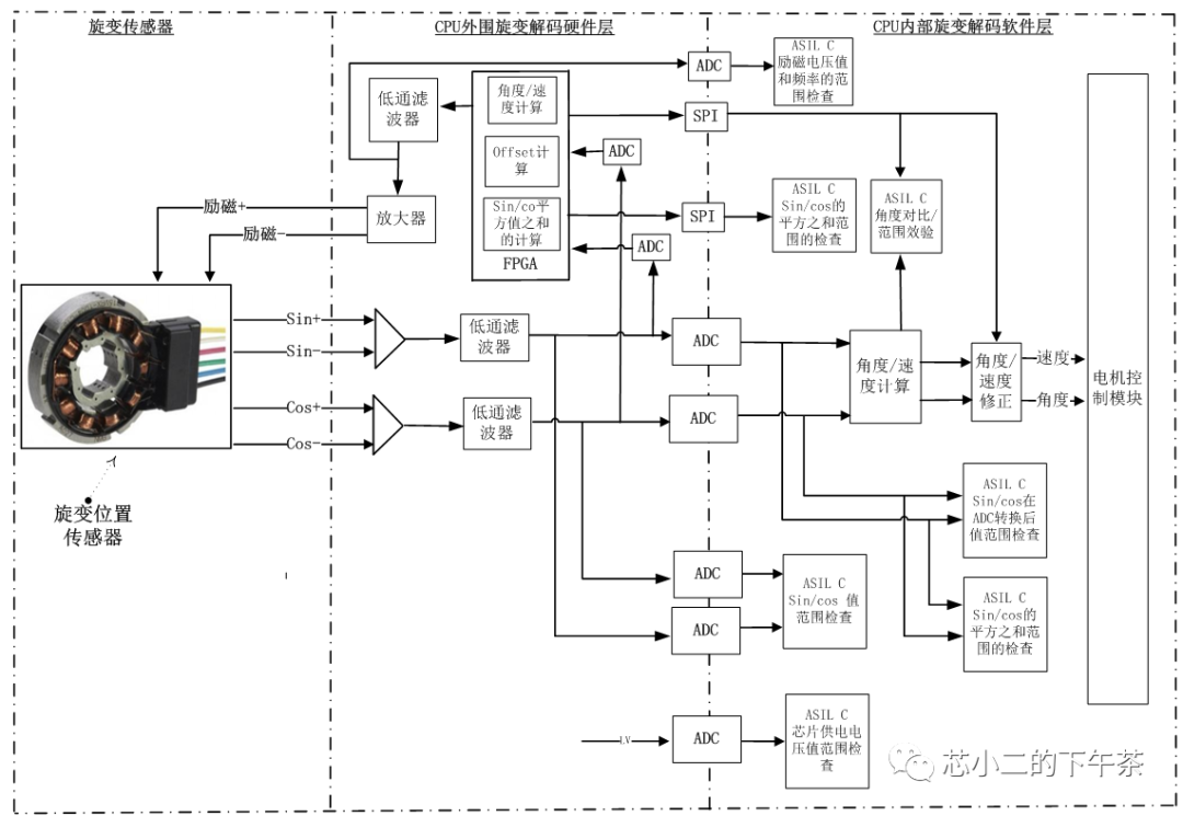
旋转变压器解码算法
旋转变压器的硬件解码示意如下:

图片转自 可可电驱
产生励磁电压(约8kHZ,10Vrms)供电给旋转变压器,采集旋转变压器输出的正、余弦信号,正余弦分别经过余弦乘法器和正弦乘法器后连接到减法器的正负端,减法器输出电压 △V为:
△V=K* E*sin(ω*t)*sinθ*cosβ- K* E*sin(ω*t)*cosθ*sinβ
简化后:
△V=K* E*sin(ω*t)*sin(θ-β)
其中,β为计数器对应的角度;
△V再进入同步整流器与励磁信号进行解调,去除载波频率ω,所得差值电压信号与sin(θ-β)成正比例,即:
△V’=A* sin(θ-β)
△V’再进入积分器,当θ与β角度存在差值,积分器将输出一个DC电压,该电压控制振荡器VCO而产生脉冲信号进行向上/向下计数。
由正/余弦乘法器、同步整流器、积分器、电压控制振荡器、计算器和D/A转换器形成了闭环控制系统,类似于锁相环PPL。当θ与β角度的差值为0时,则计数器的数字值对应于旋转变压器位置传感器输出的角度模拟量,就此RDC芯片解码完成。
对应的基于MCU软解码的示意图如下

图片转自 可可电驱
更多信息,可关注可可电驱,有不少好历史文章,作者已2年多未更新
5
旋转变压器厂家及选型
世界上生产旋变的供应商很多,如德国莱特纳LTN(LITTON)、德国西门子SIEMENS、日本多摩川TAMAGAWA、捷克阿塔斯ATAS、美国泰科TYCO(TE)、美国哈罗威HAROWE等
国内也有不少旋转变压器供应商,如常州华旋,上海赢双,长友自动化等
在进行旋转变压器选型时候,除了关注旋转角精度,速度范围外,还需要注意:
-
极对数:一般选取与电机极对数相同的极数,这样测出来的电角度与逆变器坐标变换的电角度不需要换算,理论上极对数越高,电气误差越小
-
原次边变比:目前主流的激磁信号幅值为7Vrms/4Vrms,反馈的信号最终输入到解码芯片中解码,为降本与简单起见,需保证选择的变比使得反馈信号的幅值在芯片输入范围内且接近其推荐值。如新能源车领域中,变比为0.286
-
尺寸选型:旋转转子安装在电机转轴上,所以电机轴径与旋变转子内径要匹配,尺寸越接近,偏心度会越小
右下角伸出你善良的拇指 ,点个赞👍,给小二一点鼓励!
因为每篇文章会有涉及到内容引用,部分内容不知来源,如果发现有侵权,请后台告知感谢;

芯小二的下午茶
聚焦芯片小二日常,每周一杯下午茶,打造芯片小二的黄埔学院;
公众号
本文来自互联网用户投稿,文章观点仅代表作者本人,不代表本站立场,不承担相关法律责任。如若转载,请注明出处。 如若内容造成侵权/违法违规/事实不符,请点击【内容举报】进行投诉反馈!
