10404-2017 多极和双通道旋转变压器通用技术条件
声明
本文是学习GB-T 10404-2017 多极和双通道旋转变压器通用技术条件. 而整理的学习笔记,分享出来希望更多人受益,如果存在侵权请及时联系我们
1 范围
本标准规定了多极和双通道旋转变压器的分类、技术要求和试验方法、试验条件、检验规则、交付准
备和用户服务等要求。
本标准适用于多极和双通道旋转变压器(以下简称"旋变")。
2 规范性引用文件
下列文件对于本文件的应用是必不可少的。凡是注日期的引用文件,仅注日期的版本适用于本文
件。凡是不注日期的引用文件,其最新版本(包括所有的修改单)适用于本文件。
GB/T 2423.16 电工电子产品环境试验 第2部分:试验方法 试验J 及导则:长霉
GB/T 2828.1—2012 计数抽样检验程序 第1部分:按接收质量限(AQL)
检索的逐批检验抽样
计划
GB/T 7345—2008 控制电机基本技术要求
GB/T 10405 控制电机型号命名方法
GB/T 18211—2000 微电机安全通用要求
JB/T 8162 控制电机包装 技术条件
3 分类与基本参数
3.1 分类
旋变分为多极旋变发送机(XFD)、 多极旋变变压器(XBD)、
双通道旋变发送机(XFS) 和双通道旋变
变压器(XBS) 四类。
3.2 型号命名
旋变的型号命名应符合 GB/T 10405 的规定,参见附录 A,
或由产品专用技术条件规定。
3.3 外形结构型式
3.3.1 分类
旋变的外形结构型式分为基本型和派生型两类。
3.3.2 基本结构型式
旋变以分装式有凸缘为基本结构,外形及安装尺寸应符合图1和表1的规定。
GB/T 10404—2017

图 1 凸缘安装基本结构外形
表 1 凸缘安装基本结构外形尺寸 单位为毫米
|
| ||||||||
|---|---|---|---|---|---|---|---|---|---|
|
|
|
|
|
|
|
|
| |
|
|
|
|
|
|
|
|
| |
|
|
|
|
|
|
|
|
|
|
|
|
|
|
|
|
|
|
|
|
|
|
|
|
|
| ||||
|
|
|
|
|
| ||||
|
|
|
|
|
| ||||
|
|
|
|
|
|
|
| ||
|
|
|
|
|
| ||||
|
|
|
|
|
| ||||
|
|
|
|
|
|
|
|
|
|
|
|
|
|
|
| ||||
3.3.3 派生结构型式
派生结构的派生代号、结构型式与轴伸型式等外形及安装尺寸应符合表2~表10以及图2~图8
的规定。
表 2 派生结构外形及尺寸
|
|
|
|
|
|
|
|
|
|
|
|
|---|---|---|---|---|---|---|---|---|---|---|---|
|
|
|
| ||||||||
|
|
| |||||||||
|
|
|
|
|
| ||||||
GB/T 10404—2017
表2(续)
|
|
|
|
|
| ||||||
|---|---|---|---|---|---|---|---|---|---|---|---|
|
|
|
|
|
| ||||||
|
|
|
|
|
|
|
|
|
|
| |
|
|
|
|
|
|
|
|
|
| ||
|
|
|
|
|
|
|
|
|
| ||
| |||||||||||
| |||||||||||
表 3 凸缘安装派生结构外形尺寸 单位为毫米
|
| ||||||||
|---|---|---|---|---|---|---|---|---|---|
|
|
|
|
|
|
|
|
| |
|
|
|
|
|
|
| |||
|
|
|
|
|
|
|
|
|
|
|
|
|
|
|
| ||||
|
|
|
|
|
| ||||
|
|
|
|
|
| ||||
|
|
|
|
|
|
|
| ||
|
|
|
|
|
|
|
|
|
|
|
|
|
|
|
| ||||

图 2 无凸缘安装派生结构外形
GB/T 10404—2017
表 4 无凸缘安装派生结构外形尺寸 单位为毫米
|
| ||||
|---|---|---|---|---|---|
|
|
|
|
| |
|
|
| |||
|
|
|
|
|
|
|
|
|
| ||
|
|
|
| ||
|
|
|
| ||
|
|
|
|
|
|
|
|
|
| ||
|
|
|
| ||
|
|
|
|
|
|
|
|
|
| ||

图 3 法兰盘及腰形孔安装派生结构外形
表 5 法兰盘及腰形孔安装派生结构外形尺寸
单位为毫米
|
| |||||||||
|---|---|---|---|---|---|---|---|---|---|---|
|
|
|
|
|
|
|
|
|
| |
|
|
|
|
|
|
|
|
|
| |
|
|
|
|
|
|
|
|
|
|
|
|
|
|
|
|
|
|
| |||
|
|
|
|
|
|
|
|
|
|
|
|
|
|
|
|
| |||||
|
|
|
|
|
| |||||

图 4 外 圆 及 凸 缘 安 装 派
生 结 构 外 形
表 6 外 圆 及 凸 缘 安 装 派
生 结 构 外 形 尺 寸
GB/T 10404—2017
单位为毫米
|
| ||||||||
|---|---|---|---|---|---|---|---|---|---|
|
|
|
|
|
|
|
|
| |
|
|
|
|
|
|
| |||
|
|
|
|
|
|
|
|
|
|
|
|
|
|
|
|
|
|
|
|
|
|
|
|
|
| ||||
|
|
|
|
|
| ||||
|
|
|
|
|
|
| |||

图 5 端 部 大 止 口 及 凹 槽
安 装 派 生 结 构 外 形
表 7 端 部 大 止 口 及 凹 槽
安 装 派 生 结 构 外 形 尺 寸
单位为毫米
|
| |||||||||||||
|---|---|---|---|---|---|---|---|---|---|---|---|---|---|---|
|
|
|
|
|
|
|
|
|
|
|
|
| ||
|
|
|
|
|
|
|
|
|
|
|
| |||
|
|
|
|
|
|
|
|
|
|
|
|
|
|
|
GB/T 10404—2017

图 6 法兰盘及腰形孔安装光轴伸结构外形
表 8 光轴伸外形尺寸
|
| |
|---|---|---|
|
| |
| ||
|
|
|
|
|
|
|
|
|
|
|
|
|
|
|

图 7 法兰盘及腰形孔安装螺纹止推轴伸结构外形
表 9 螺纹止推轴伸结构外形尺寸
|
| |||||
|---|---|---|---|---|---|---|
|
|
|
|
|
| |
|
| |||||
|
|
|
|
|
|
|
|
|
|
|
|
|
|
|
|
|
|
|
|
|
|
|
|
|
|
|
|
|
|
|
|
|
|
|

图 8 双轴伸旋变另一端轴伸结构外形
表10 双轴伸旋变另一端轴伸结构外形尺寸
GB/T 10404—2017
单位为毫米
|
| |
|---|---|---|
|
| |
| ||
|
|
|
|
|
|
|
|
|
|
|
|
|
|
|
3.4 基本参数
除另有规定外,旋变的基本参数应在表11中选取。
表 1 1 基本参数
|
| |
|---|---|---|
|
| |
|
| |
|
| |
|
| |
|
|
|
| ||
| ||
| ||
3.5 技术性能参数
旋变的技术性能参数应符合产品专用技术条件的规定,可参见附录B。
3.6 旋转方向
从轴伸端或非出线端视之,转子逆时针方向旋转为旋转正方向。
GB/T 10404—2017
3.7 电路图及输出电压方程式
从轴伸端或非出线端视之,当旋变处于基准电气零位时,定转子绕组相对位置及其向量关系应符合
表12规定。
旋变输出绕组的输出电压应满足表12电压方程式,式中θ为转子从旋变的基准电气零位正向转动
的机械角。
表12 电路图及输出电压方程式
|
|
|
| |||||||
|---|---|---|---|---|---|---|---|---|---|---|
|
|
|
|
|
|
| ||||
|
|
| ||||||||
![]() |
|
| ||||||||
| ||||||||||
|
|
|
|
|
| |||||
| ||||||||||
|
| 6 S3
|
| ![]() |
|
| ||||
![]() | ||||||||||
| ||||||||||
| ![]() | ![]() |
| |||||||
| ||||||||||
GB/T 10404—2017
3.8 使用环境条件等级
旋变使用环境条件应符合表13等级规定或产品专用技术条件规定。
表13 使用环境条件等级
|
|
|
|
|
|
|
|---|---|---|---|---|---|---|
|
|
|
| |||
|
|
| 10 Hz~55 Hz
|
| ||
|
|
| ||||
|
|
|
|
|
|
4 技术要求和试验方法
4.1 外观
4.1.1 技术要求
旋变的外观应符合 GB/T 7345—2008 中5.1.1的规定。
4.1.2 试验方法
目检旋变外观。
4.2 外形及安装尺寸
4.2.1 技术要求
旋变的外形和安装尺寸应符合3.3或产品专用技术条件的规定。
4.2.2 试验方法
用能保证测量精度的量具检查旋变外形及安装尺寸。
4.3 引出线或接线端标记
4.3.1 技术要求
旋变采用引出线时,引出线长度应不小于200 mm
或产品专用技术条件的规定。旋变引出线或接
线端标记及套管颜色应符合表14或产品专用技术条件的规定。
表14 引出线或接线端标记
|
|
|
| ||
|---|---|---|---|---|---|
|
|
|
| ||
|
|
|
| ||
|
|
| |||
|
|
|
|
|
|
|
|
|
|
| |
GB/T 10404—2017
4.3.2 试验方法
用能保证测量精度的量具检查引出线长度,并目检引出线或接线端标记。
4.4 径向间隙
4.4.1 技术要求
旋变径向间隙和径向力应符合产品专用技术条件的规定。
鉴定检验和C 组检验后,径向间隙允许增加到规定的最大值的1.5倍。
4.4.2 试验方法
旋变径向间隙按 GB/T 7345—2008 中5.5.2的规定进行检查。
4.5 轴向间隙
4.5.1 技术要求
旋变的轴向间隙和轴向推力应符合表15或产品专用技术条件的规定。鉴定检验和
C 组检验后,
轴向间隙应不大于表15规定最大值的1.66倍。
表15 轴向间隙和轴向推力
|
|
|
|---|---|---|
|
|
|
|
|
|
|
|
4.5.2 试验方法
旋变轴向间隙按GB/T 7345—2008 中5.6.2的规定进行检查。
4.6 轴伸径向圆跳动
4.6.1 技术要求
旋变轴伸径向圆跳动应不大于0.02 mm。
4.6.2 试验方法
旋变轴伸径向圆跳动按GB/T 7345—2008 中5.7.2的规定进行检查。
4.7 安装配合面的同轴度
4.7.1 技术要求
旋变安装配合面的同轴度应不大于3.3的规定。
4.7.2 试验方法
旋变安装配合面的同轴度按 GB/T 7345—2008中5.8.2的规定进行检查。
GB/T 10404—2017
4.8 安装配合端面的垂直度
4.8.1 技术要求
旋变安装配合端面的垂直度应不大于3.3的规定。
4.8.2 试验方法
旋变安装配合端面的垂直度按GB/T 7345—2008 中5.9.2的规定进行检查。
4.9 电刷接触电阻变化
4.9.1 技术要求
旋变转子转动时,电刷接触电阻的变化应符合 GB/T 7345—2008
中5.16.1的规定。鉴定检验和C
组检验后,其最大变化值还应符合表16的规定。
表16 电刷接触电阻变化
|
| |
|---|---|---|
|
| |
| 1.50 Ω |
|
4.9.2 试验方法
电刷接触电阻变化按 GB/T 7345—2008 中5.16.2的规定进行检查。
4.10 静摩擦力矩
4.10.1 技术要求
旋变的静摩擦力矩应不大于表17或产品专用技术条件的规定。鉴定检验和 C
组检验后,静摩擦
力矩应不大于表17 规定值的2倍。
表17 静摩擦力矩
|
|
|---|---|
|
|
|
|
|
|
|
|
4.10.2 试验方法
旋变的静摩擦力矩按GB/T 7345—2008 中5.10.2.1的规定进行检查。
GB/T 10404—2017
4.11 绝缘介电强度
4.11.1 技术要求
旋变的绝缘介电强度应符合GB/T 7345—2008 中5. 17.
1的规定。其中机座号小于或等于130的 旋变绕组的峰值漏电流应不大于1 mA,
机座号大于130且小于或等于250的旋变绕组的峰值漏电流应
不大于5 mA, 机座号大于250的旋变绕组的峰值漏电流应不大于10 mA。
4.11.2 试验方法
旋变的绝缘介电强度按GB/T 7345—2008 中5.17.2的规定进行检查。
4.12 绝缘电阻
4.12.1 技术要求
旋变的绝缘电阻在正常试验大气条件及在产品专用技术条件规定的低温条件下,绕组对壳体及绕
组之间的绝缘电阻应不小于50 MQ;
在产品专用技术条件规定的高温条件下,绝缘电阻应不小于 10
MΩ;在产品专用技术条件规定的恒定湿热条件下,绝缘电阻应不小于1 MQ;
在产品专用技术条件
规定的低气压条件下,绝缘电阻应符合产品专用技术条件的规定。
4.12.2 试验方法
旋变的绝缘电阻按GB/T 7345—2008
中5.18.1的要求选择对应的绝缘电阻表,测量旋变各绕组对
机壳及各绕组间的绝缘电阻。
4.13 消耗功率
4.13.1 技术要求
旋变的消耗功率应不大于产品专用技术条件的规定。
4.13.2 试验方法
按图9接线,被试旋变输入绕组额定励磁,输出绕组开路(对 XBD 型和 XBS
型旋变输入绕组一相
励磁,另一相短路),分别测量粗、精机的空载消耗功率。
允许用能保证精度的其他方法测量。

说明:
— 低功率因数瓦特表;
— 高 阻 抗 电 压 表 。
图 9 消耗功率试验电路
GB/T 10404—2017
4.14 最大输出电压
4.14.1 技术要求
旋变的最大输出电压应符合表11或产品专用技术条件的规定,其偏差值在规定值的±10%范
围内。
4.14.2 试验方法
被试旋变按图10接线,额定励磁(磁路组合式粗、精机同时励磁),输出端接入高阻抗电压表或数字
电压表,当转子缓慢转动时,由电压表读出最大空载输出电压。
|
| ||
|---|---|---|---|
|
|
|
|
说明:
RX—— 旋变发送机;
RT— 旋变变压器。
图10 最大输出电压试验电路
4.15 接线正确性
4.15.1 技术要求
旋变的定、转子绕组按4.3规定接线后应满足3.7的电压关系。
4.15.2 试验方法
旋变安装在角分度装置上,按图11a)接线,额定励磁,先检查粗机接线正确性,转动转子使相敏电
压表读数最小,对于XFD 型和XFS 型旋变,确认R1、R3;S1、S3;对于XBD 型和 XBS
型旋变,确认 S2、
S4;R1、R3。
此时转子位置为粗机近似的基准电气零位。再按图11b)接线,额定励磁,转动转子,使相
GB/T 10404—2017
敏电压表读数最小,此时转子位置为粗机基准电气零位。按图11c)接线,对于XFD
型和 XFS 型旋变,
当转子从粗机基准电气零位正向旋转电气角度90°时,相敏电压表读数由大逐渐减小,则接线正确。对
于XBD 型和XBS
型旋变当转子从粗机基准电气零位反向旋转电气角度90°时,相敏电压表读数由大逐
渐减小,则接线正确。
在粗机基准电气零位附近用同样的方法检查精机接线正确性,并确定精机的基准电气零位。
对于 XFD 和 XBD
型旋变,可在任何位置检查接线正确性并确定精机的基准电气零位。
对于 XFS 和 XBS 型旋变应共励磁。
|
|
|
| |||||||
|---|---|---|---|---|---|---|---|---|---|---|
|
|
|
|
|
|
| ||||
| ||||||||||
|
| |||||||||
|
|
|
| |||||||
| ||||||||||
|
|
|
| |||||||
|
| |||||||||
|
| |||||||||
a) b) c)
说明:
RX— 旋变发送机;
RT— 旋变变压器。
图 1 1 接线正确性试验电路
4.16 基准电气零位标记和粗、精机电气零位偏差
4.16.1 技术要求
当旋变处于基准电气零位时,应在定、转子或机壳和轴伸的相应的适当位置应有明显而牢固的"基
准电气零位"标记。
对XFS 型和XBS 型旋变,当极对数p≤8
时,粗、精机零位偏差应在士60’(机械角,下同)范围内;当极
对数8
时,粗、精机零位偏差应在±20’范围内。GB/T 10404—2017
4.16.2 试验方法
按4.15.2方法确定精机基准电气零位后,在定、转子或机壳和轴伸的相应的适当位置给予明显而
牢固的"基准电气零位"标记,读取粗、精机的基准电气零位值,其差值即为粗、精机电气零位偏差。
4.17 最大输出电压相位移
4.17.1 技术要求
旋变的最大输出电压相位移应符合产品专用技术条件的规定。
4.17.2 试验方法
用相位计测量相位移,被试旋变按图10接线,额定励磁,转子从基准电气零位正向转到输出电压近
似等于最大输出电压时,从相位计上读取相位移。
允许用能保证精度的其他方法测量。
4.18 电气误差
4.18.1 技术要求
旋变的精度按电气误差确定分为三级,其值应不大于表18的规定。
表18 电气误差精度分级
|
|
|
| ||
|---|---|---|---|---|---|
|
|
| |||
|
|
|
| ||
|
| ||||
|
|
|
|
|
|
|
|
|
| ||
|
|
|
| ||
|
|
|
| ||
|
|
|
|
| |
|
|
|
| ||
| |||||
|
|
|
|
| |
| |||||
|
|
|
| ||
| |||||
| |||||
|
|
|
| ||
鉴定检验和 C
组检验后误差允许增加。0级产品精机电气误差应不大于规定值的1.5倍,I、Ⅱ级
产品电气误差应不大于规定值的1.25倍;粗机电气误差应不大于规定值的1.25倍 。
GB/T 10404—2017
4.18.2 试验方法
4.18.2.1 总则
电气误差测量时,粗机返零的角度偏差小于2’,精机返零的角度偏差小于该机0级精度时的电气误
差的20%。
被试旋变先处于粗机基准电气零位,对粗机每隔15°测一点,共测24点,对精机从旋变基准电气零
位开始,转子正向旋转使相敏电压表指示的基波同相分量为零,依次读取所有点的零位误差,然后在最
大正、负零位误差所处的极对下各测一对极(当出现多个相同最大正值或负值时,应取最大正、负值的空
间位置相差近180°),每对极测24点(电气角度15°测一点)。测量中转子正向旋转使相敏电压表指示的
基波同相分量为零,分别记下转子实际机械角度与其相应的理论电气位置所对应的机械角度,计算两者
之差,超前为正偏差,滞后为负偏差,取其中绝对值最大的偏差作为电气误差。
对于极对数 p≥64 的旋变,在 A
组试验和验收试验时,可以简化测量,其方法是从旋变的基准电气
零位开始,先测第一个单元绕组下所有零位误差,并取出正、负零位误差较大者各1~3点,然后测量其
余各单元绕组下与第一单元绕组下所取出较大正、负零位误差(1~3点)相对应的各点零位误差,最后
在所测得的零位误差中取最大正、负误差所处的极对下各测24点(电气角度15°测一点,当出现多个相
同正值或负值时,应取正、负值的空间相差近180°),取其中绝对值最大的偏差为电气误差。
4.18.2.2 比例电压法
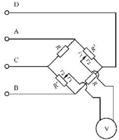
旋变发送机采用比例电压法测量电气误差,按图12接线,额定励磁(磁路组合式粗、精机同时励
磁)。试验用的四臂函数电桥由两个无感电阻分压器 R '和两个10 kΩ 无感电阻R
组成。分压器分压比
与给定角度的对应关系见式(1)、式(2)和表19。

R1(R5) R3(R7)
说 明 :
RX—— 旋变发送机。
图 1 2 比例电压法电气误差试验电路
(1)
R’=r₁+r₂ (2)
式中:
K 分压器的分压比;
GB/T 10404—2017
ri、r2— 分压器的分压电阻,单位为千欧(k2);
R’ 无感电阻分压器,单位为千欧(kΩ);
φ ——给定的电气角度,单位为度(°)。
表19 分压比与电气角度对应关系
|
|
|---|---|
|
|
|
|
|
|
|
|
旋变发送机电气角度按式(3)确定。转子每转动45°时,四臂函数电桥端钮
A、B、C、D与旋变输出
端钮换接一次,换接顺序与分压比K 的变化方向见表20。
允许用能保证精度的其他方法测量。
β=45°(m+n)+(- 1)"φ ………………………… (3)
式中:
β - 旋变发送机的电气角度,单位为度(°);
m、n-— 换接顺序值,按表20确定。
表20 电桥端钮与旋变输出端钮换接关系
|
|
|
|
|
|
|---|---|---|---|---|---|
|
| 0→ 1 |
|
|
|
|
| ||||
|
|
|
| ||
|
| ||||
|
|
|
|
|
|
|
| ||||
|
|
|
| ||
|
| ||||
|
| 0→ 1 |
|
|
|
|
| ||||
|
|
|
| ||
|
| ||||
|
|
|
|
|
|
|
| ||||
|
|
|
| ||
|
|
GB/T 10404—2017
4.18.2.3 感应分压器法
旋变变压器采用感应分压器测量电气误差,按图13接线,分压器 E₁ 和
E2额定励磁,其分压比与给
定电气角度β对应关系如表21所示。分压器输出端钮与旋变输入端钮换接顺序见表22。
对磁路组合式 XBS
型,测量粗机电气误差时,精机按图14接线,并以0.7倍额定电压励磁。

说明:
RT 旋变变压器。
图13 感应分压器法电气误差试验电路
表21 分压比与电气角度对应关系
|
|
| |||
|---|---|---|---|---|---|
|
|
|
|
| |
|
|
|
|
|
|
|
|
|
|
|
|
|
|
|
|
|
|
|
|
|
|
|
|
|
|
|
|
|
|
|
|
|
|
| |
表 2 2 分压器输出端钮与旋变输入端钮换接顺序
|
|
| |||
|---|---|---|---|---|---|
|
| ||||
|
|
|
| ||
|
|
|
|
| |
|
|
| |||
|
|
| |||
|
|
| |||
GB/T 10404—2017

说明:
RT——旋变变压器。
图14 精机试验电路
对磁路组合式 XBS
型,测量精机电气误差时,粗机两相输入绕组根据粗机转子转角θ所处的角度
按表23接线并以0.7倍额定电压励磁,输出端开路。
表23 旋变输入端钮与电源端钮对应关系
|
|
| |
|---|---|---|---|
|
| ||
|
|
| |
|
|
| |
|
|
| |
|
|
| |
允许用能保证精度的其他方法测量。
4.19 零位电压
4.19.1 技术要求
旋变的零位电压的总值:
粗机:应不大于最大空载输出电压规定值的0.5%;
精机:应不大于最大空载输出电压规定值的0.3%;
零位电压的基波值应符合产品专用技术条件的规定。
4.19.2 试验方法
在测量电气误差的同时,读取所有零位下的零位电压。
对磁路组合式 XFS 型,粗、精机同时励磁;对磁路组合式 XBS
型,测精机时,粗机按表22顺序以
0.7倍额定电压励磁。
4.20 阻抗
4.20.1 技术要求
旋变的开路输入阻抗应符合产品专用技术条件的规定。精机的偏差应在规定值的±15%范围内,
GB/T 10404—2017
粗机的偏差应在规定值的±30%范围内。旋变的短路输出阻抗应符合产品专用技术条件的规定。
4.20.2 试验方法
阻抗应按GB/T 7345—2008 中5. 15和表24的规定测量。
表24 阻抗试验电压及电路连接
|
|
|
| |||
|---|---|---|---|---|---|---|
|
|
|
|
|
| |
|
|
|
|
|
| |
| ||||||
|
|
|
| |||
| ||||||
|
|
|
|
| ||
| ||||||
4.21 电磁兼容
4.21.1 技术要求
当有要求时,旋变的电磁兼容应符合产品专用技术条件的规定。
4.21.2 试验方法
旋变的电磁兼容按 GB/T 7345—2008
中5.32的规定进行试验。输入绕组额定励磁而转子以
300 r/min±50 r/min
的转速旋转,将等于开路输出阻抗四倍的电阻负载加在输出绕组两端。
4.22 质量
4.22.1 技术要求
旋变质量应符合产品专用技术条件的规定。
4.22.2 试验方法
用相对精度不低于1%的衡器称量旋变的质量。
4.23 引出线或接线端强度
4.23.1 技术要求
旋变的引出线或接线端强度应符合 GB/T 7345—2008 中5.3.1的规定。
4.23.2 试验方法
按 GB/T 7345—2008 中5.3.2规定的方法检查引出线或接线端强度。
GB/T 10404—2017
4.24 振动
4.24.1 技术要求
除另有规定外,旋变应能承受 GB/T 7345—2008
中表7规定的一种正弦扫频振动或随机振动试
验。试验后应无零部件松动或损坏,并且电刷接触电阻变化、静摩擦力矩、径向间隙、轴向间隙、绝缘介
电强度和绝缘电阻应符合4.9.1、4.10.1、4.4.1、4.5.1、4.11.1和4.12.1的规定。
4.24.2 试验方法
旋变输出绕组开路,输入绕组额定励磁(对XBD 型和 XBS
型,两相输入绕组串接并以 √2倍额定电 压励磁),按GB/T 7345—2008
中5.26.2的规定进行试验(160机座号旋变的机械负载同130机座号旋
变。分装式旋变定、转子固定不动)。
4.25 冲击
4.25.1 技术要求
除另有规定外,旋变应能承受GB/T 7345—2008
中表8规定的一种冲击试验,试验后应无零部件
松动或损坏,并且电刷接触电阻变化、静摩擦力矩、径向间隙、轴向间隙、绝缘介电强度、绝缘电阻、电气
误差和零位电压应符合4.9.1、4.10.1、4.4.1、4.5.1、4.11.1、4.12.1、4.18.1和4.19.1的规定。
4.25.2 试验方法
旋变按GB/T 7345—2008
中5.27.2规定的方法进行试验,试验时接线通电方式及转子所处的状态
均同4.24.2。
4.26 低气压
4.26.1 低温低气压
4.26.1.1 技术要求
当有要求时,旋变应能承受产品专用技术条件规定的低温低气压试验,试验期间绝缘电阻应符合
4.12.1的要求,试验后电刷接触电阻变化应符合4.9.1的规定。
4.26.1.2 试验方法
旋变按GB/T 7345—2008
中5.25.1.2规定的方法进行试验,试验时接线通电方式及转子所处的状
态均同4.24.2。
4.26.2 高温低气压
4.26.2.1 技术要求
当有要求时,旋变应能承受产品专用技术条件规定的高温低气压试验,试验期间绝缘电阻应符合
4.12.1的要求,试验后电刷接触电阻变化应符合4.9.1的规定。
4.26.2.2 试验方法
旋变按GB/T 7345—2008
中5.25.2.2规定的方法进行试验,试验时接线通电方式及转子所处的状
态均同4.24.2。
GB/T 10404—2017
4.27 寿命
4.27.1 技术要求
旋变的寿命应不小于2000
h,试验后电刷接触电阻变化、静摩擦力矩、径向间隙、轴向间隙、电气误
差和零位电压应符合4.9.1、4.10.1、4.4.1、4.5.1、4.18.1和4.19.1的规定。
4.27.2 试验方法
旋变输出绕组开路,输入绕组额定励磁(对 XBD 型和 XBS
型,两相输入绕组串接并以 √2倍额定电 压励磁),转子以1150 r/min±50 r/min
的转速旋转。除另有规定外,旋变按表25规定的条件进行试
验,其中在每一轴伸位置,旋变正反方向旋转时间各为50%,每隔24 h
改变一次转向。
表25 轴伸安装位置及寿命时间分配
|
|
|---|---|
|
|
|
|
|
|
4.28 低 温
4.28.1 技术要求
旋变应能承受产品专用技术条件规定的低温试验,试验期间绝缘介电强度和绝缘电阻应符合
4.11.1和4.12.1的规定,试验后电刷接触电阻变化和静摩擦力矩应符合4.9.1和4.10.1的规定。
4.28.2 试验方法
旋变按GB/T 7345—2008
中5.22.2规定的方法进行试验,不通电置于试验箱中,箱温逐渐降低至
产品专用技术条件规定的低温极限值,温差±2℃,旋变应达到稳定非工作温度。然后输出绕组开路,
输入绕组额定励磁(对 XBD 型和XBS 型,两相输入绕组串接并以
√2倍额定电压励磁),运行到稳定工作
温度。
4.29 高温
4.29.1 技术要求
旋变应能承受产品专用技术条件规定的高温试验,试验期间绝缘介电强度和绝缘电阻应符合
4.11.1和4.12.1的规定,试验后电刷接触电阻变化、静摩擦力矩、电气误差和零位电压应符合4.9.1、
4.10.1、4.18.1和4.19.1的规定。
4.29.2 试验方法
旋变按 GB/T 7345—2008
中5.23.2规定的方法进行试验,不通电置于试验箱中,箱温逐渐升高至
产品专用技术条件规定的高温极限值,温差±2℃,旋变应达到稳定非工作温度。然后输出绕组开路,
输入绕组额定励磁(对XBD 型和XBS 型,两相输入绕组串接并以
√2倍额定电压励磁),运行到稳定工作
温度。
GB/T 10404—2017
4.30 湿热
4.30.1 恒定湿热
4.30.1.1 技术要求
旋变应能承受温度为40℃±2℃、相对湿度为90%~95%、历时4 d
或按产品专用技术条件规定
的恒定湿热试验,试验期间绝缘电阻应符合4.12.1的规定,试验后电刷接触电阻变化、静摩擦力矩、绝
缘介电强度和电气误差应符合4.9.1、4.10.1、4.11.1和4.18.1的规定。
4.30.1.2 试验方法
旋变不通电置于试验箱中,按GB/T 7345—2008
中5.29.1.2规定的方法进行试验。
4.30.2 交变湿热
4.30.2.1 技术要求
当有要求时,旋变应能承受GB/T 7345—2008
中5.29.2.1表10规定的一种交变湿热试验,试验后
电刷接触电阻变化、静摩擦力矩、绝缘介电强度、绝缘电阻和电气误差应符合4.9.1、4.10.1、4.11.1、
4.12.1和4.18.1的规定。
4.30.2.2 试验方法
旋变按GB/T 7345—2008
中5.29.2.2规定的方法进行试验,试验期间一台旋变通电运行,输出绕
组开路,输入绕组额定励磁(对XBD 型和XBS 型,两相输入绕组串接并以
√2倍额定电压励磁),另一台
不通电。
4.31 非正常工作
4.31.1 技术要求
当有要求时,旋变应能承受 GB/T 18211—2000 中17.1规定的非正常工作试验。
4.31.2 试验方法
旋变按GB/T 18211—2000 中17.2规定的方法试验。
4.32 盐雾
4.32.1 技术要求
当有要求时,旋变应能承受GB/T 7345—2008
中5.33.1规定的盐雾试验,持续时间为48 h。 试验
后旋变任何部位不能有明显腐蚀迹象和破坏性变质。
4.32.2 试验方法
旋变按 GB/T 7345—2008 中5.33.2的规定进行试验。
4.33 长霉
4.33.1 技术要求
当有要求时,旋变应能承受 GB/T 7345—2008
中5.34.1规定的长霉试验,持续时间为28 d。 试验
GB/T 10404—2017
后旋变长霉应不超过GB/T 2423.16规定的2级水平或产品专用技术条件的规定。
注 **:**允许用相同材料的试验报告替代。
4.33.2 试验方法
旋变按 GB/T 7345—2008中5.34.2的规定进行试验。
5 试验条件
5.1 试验的标准大气条件
试验的标准大气条件按 GB/T 7345—2008 中5.37.1的规定。
5.2 仲裁试验的标准大气条件
仲裁试验的标准大气条件按GB/T 7345—2008 中5.37.2的规定。
5.3 基准试验的标准大气条件
基准试验的标准大气条件按GB/T 7345—2008 中5.37.3的规定。
5.4 试验电源
电压的偏差为额定值的±1%;频率的偏差为额定值的±1%;波形为正弦波,谐波含量不大于1%。
5.5 试验装置及仪表
试验装置及测试仪表应符合:
a) 角分度装置的误差不大于旋变0级精度等级的20%;
b)
四臂函数电桥的电阻器全部电阻值及分压器的分压比的精度不低于0.005%,分压器相位移小
于10’;
c) 感应分压器的比例误差不大于1×10-⁵,最大输出阻抗为4Ω;
d)
电气测量仪表的精度,检查试验和验收试验时应不低于1级,型式试验时应不低于0.5级。高
阻抗电压表应用相应试验类别规定的精度等级的电工仪表进行校准;
e) 相敏电压表的输入阻抗应大于500 kΩ 和30 pF
的并联阻抗,电压表谐波抑制不小于80 dB 或
当谐波电压和正交电压分别达到旋转变压器最大输出电压的1%和0.2%时,两者所产生的仪
表指示应不大于粗机的转子从零位偏移0.2’时所产生的仪表指示,相敏电压表的最小指示应
能分辨出粗机从零位偏移0.2’时所产生的仪表指示。
5.6 旋变的安装与接地
旋变水平或垂直位置安装,旋变机壳应有良好的接地。
5.7 试验规定
试验线路中,粗、精机共用一个线路图,绕组出线标志不带括号者表示粗机,带括号者表示精机。
试验中除指出粗、精机同时励磁外,其余均为单独励磁。
6 检验规则
6.1 检验分类
旋变的检验分为鉴定检验和质量一致性检验。
GB/T 10404—2017
6.2 鉴定检验
6.2.1 鉴定检验时机和条件
当有要求时,鉴定检验应在国家认可的实验室按通用技术条件规定进行。
有下列情况之一时,应进行鉴定检验:
a) 新产品设计确认前;
b) 已鉴定产品设计或工艺变更时;
c) 已鉴定产品关键原材料、元器件变更时;
d) 产品制造场所改变时。
6.2.2 样机数量
从批产品中随机抽取六台样机,其中四台供鉴定检验用,另外两台保存备用。定型批产品数量不足
六台时,应全数提交鉴定检验。但供鉴定检验样机数量不得少于两台。
6.2.3 检验程序
鉴定检验项目、基本顺序和样机编号根据产品专用技术条件参照表26的规定进行。
表26 检验项目及顺序
|
|
|
|
| |
|---|---|---|---|---|---|
|
| ||||
|
|
|
|
| |
|
|
|
|
| |
|
|
|
| ||
|
|
|
|
| |
|
|
|
|
| |
|
|
|
|
| |
|
|
|
| ||
|
|
|
|
| |
|
|
|
|
| |
|
|
|
|
| |
|
|
|
|
| |
|
|
|
|
| |
|
|
|
|
| |
|
|
|
|
| |
|
|
|
|
| |
|
|
|
|
| |
|
|
|
|
| |
|
|
|
|
| |
|
|
|
|
| |
|
|
|
|
| |
GB/T 10404—2017
表26 (续)
|
|
|
|
| |
|---|---|---|---|---|---|
|
| ||||
|
|
|
| ||
|
|
|
| ||
|
|
|
| ||
|
|
|
| ||
|
|
|
| ||
|
|
|
| ||
|
|
|
| ||
|
|
|
| ||
|
|
|
| ||
|
|
|
| ||
|
|
|
| ||
|
|
|
| ||
|
|
|
| ||
|
|
|
| ||
|
|
|
| ||
| |||||
| |||||
6.2.4 检验结果的评定
6.2.4.1 合格
鉴定检验用样机的全部项目检验符合要求,则鉴定检验合格。
6.2.4.2 不合格
只要有一台样机的任一项目不符合要求,则鉴定检验不合格。
6.2.4.3 偶然失效
当鉴定部门确定旋变某一不合格项目属于孤立性质的偶然失效时,允许在每次提交的样机中取一
台备用样机代替失效样机,并补做失效发生前(包括失效时)的所有项目。然后继续试验,若再有一台样
机的任一个项目不符合要求,则鉴定检验不合格。
6.2.4.4 性能降低
样机经环境试验后,允许出现不影响其使用的性能降低,性能降低的允许值由产品专用技术条件
规定。
GB/T 10404—2017
6.2.4.5 环境试验期间和试验后的性能严重降低
样机在环境试验期间和试验后,出现影响其使用的性能严重降低时,鉴定部门可以采取两种方式:
或者认为鉴定不合格,或者当一台样机出现失效时,允许用新的两台样机代替,并补做失效发生前(包括
失效时)的所有试验,然后补足原样机数量继续试验,若再有一台样机的任一个项目不合格,则鉴定检验
不合格。
6.2.5 同类型产品鉴定检验
当某一类同机座号的两个及两个以上型号的旋变同时提交鉴定检验时,每种型号均应提交四台样
机,所有样机应通过质量一致性中的 A
组检验,然后选取四台有代表性的不同型号的样机进行其余项
目的试验,试验结果评定按6.2.4规定。任一台样机的任一项目不合格,则其所有的旋变鉴定检验不合
格。本检验不允许样机替换。
若鉴定检验合格,则同时提交的所有型号的旋变均鉴定合格。
对此后制造的同类同机座不同型号旋变或对原型号设计更改的旋变应进行差异性鉴定检验,差异
性鉴定检验合格,则认为该型号旋变鉴定检验合格。
6.3 质量一致性检验
6.3.1 质量一致性检验分类
质量一致性检验分为 A 组和C 组检验:
a) A 组检验是为了证实旋变产品是否满足常规质量要求所进行的出厂检验;
b) C 组检验是周期性的检验。
6.3.2 A 组检验
A 组检验项目及基本顺序按表26规定进行。
A 组检验可以抽样或逐台进行。抽样按 GB/T 2828.1—2012
中检验水平Ⅱ,一次抽样方案进行,
接收质量限(AQL 值),由使用方和制造方协商选定。
逐台检验中,旋变若有一项或一项以上不合格,则该旋变为不合格品。
A 组检验合格,则除抽样中的不合格旋变之外,用户应整批接收。
若 A
组检验不合格,则整批拒收,由制造商消除缺陷并剔除不合格品后,再次提交 A
组检验。
6.3.3 C 组检验
6.3.3.1 C 组检验项目及基本顺序
C 组检验项目及基本顺序按表26规定进行。
6.3.3.2 检验时机和周期
有下列情况之一时, 一般应进行C 组检验:
a) 相关项目检验;
b) A 组检验结果与鉴定检验结果发生较大偏差时;
c) 周期检验。除非另有规定,每两年应至少进行一次;
d) 政府或行业监管产品质量或用户要求时。
GB/T 10404—2017
6.3.3.3 检验规则
C 组检验项目及基本顺序按表26规定进行。
C 组检验样机从已通过 A 组检验的产品中抽取,对未作过 A
组检验的样机应补作 A 组检验项目
的试验,待合格后方能进行C 组检验其余项目的试验。
C 组检验样机数量及检验结果评定按6.2.2和6.2.4的规定。
若C 组检验不合格,由制造商消除不合格原因后,重新进行C 组检验。
7 交付准备
7.1 总则
除另有规定外,交付的旋变应是通过设计确认后制造的,且经 A
组检验合格的产品。
7.2 标志
每台旋变都应有铭牌,铭牌上的数据应保证旋变在使用期间字迹清晰,不应剥落,其内容至少应
包括:
a) 产品型号;
b) 产品编号;
c) 制造厂名称或标记。
7.3 包装
旋变包装应符合JB/T 8162
的规定,制造商应确保旋变通过包装能得到有效防护。
7.4 运 输
包装的旋变在运输过程中应小心轻放,避免碰撞和敲击,严禁与酸碱等腐蚀性物质放在一起。制造
商应将通过标识和协议方式将运输条件告知用户和承运商。
7.5 贮存
旋变应贮存在环境温度为-10℃~35℃,相对湿度不大于85%且清洁、通风良好的库房内,空气
中不得含有腐蚀性气体。储存期分为一年、三年和五年,由制造商规定。制造商应将贮存条件和贮存期
告知用户。
7.6 保证期
保证期系制造商就旋变正确储存和使用期限而向用户的承诺。
保证期是从产品出厂之日算起的贮存期(包括运输期)与保用期之和。
保用期从旋变包装起封开始计算,分为一年和两年半两种。由产品专用技术条件规定。
在正确存放和使用旋变的情况下,制造商应保证旋变在保用期(不超过保证工作期限)内正常工作。
如在保用期内旋变因制造质量不良而发生损坏或不能正常工作时,制造商应负责维修或更换。
8 用户服务
产品专用技术条件应对旋变交付后的技术服务做出规定,当用户有需求时,应能及时提供技术服务。
GB/T 10404—2017
A.1 型号命名
旋变型号按GB/T10405
型号组成如下:
附 录 A
(资料性附录)
产 品 型 号
的规定,由机座号、产品名称代号、性能参数代号和派生代号四部分组成。

A.2 机座号
机座号以旋变外径表示(mm),
若外圆直径基本尺寸非整数时,应取整数部分。机座号与旋变外径
的关系见表 A.1。
表 A.1 机座号与旋变外径的关系
|
|
|
|
|
|
|
|
|
|
|
|---|---|---|---|---|---|---|---|---|---|---|
|
|
|
|
|
|
|
|
|
|
|
A.3 产品名称代号
产品名称代号由三个大写汉语拼音字母组成。
XFD— 多极旋变发送机(旋、发、多);
XBD— 多极旋变变压器(旋、变、多);
XFS—— 双通道旋变发送机(旋、发、双);
XBS— 双通道旋变变压器(旋、变、双)。
A.4 性能参数代号
性能参数代号由四位阿拉伯数字组成,前两位数字为极对数代号,第三位数字为频率代号,第四位
数字为电压代号。
极对数代号与极对数的对应关系见表 A.2。
GB/T 10404—2017
表 A.2 极对数代号与极对数的对应关系
|
|
|---|---|
|
|
|
|
|
|
|
|
|
|
|
|
|
|
|
|
|
|
频率代号与额定频率的对应关系见表 A.3。
表 A.3 频率代号与额定频率的对应关系
|
|
|---|---|
|
|
|
|
|
|
|
|
电压代号与额定电压的对应关系见表 A.4。
表 A.4 电压代号与额定电压的对应关系
|
|
|---|---|
|
|
|
|
|
|
|
|
A.5 派 生 代 号
派生代号包括性能派生和结构派生,用一个大写汉语拼音字母表示。
A、B、C……L 表示结构派生
代号,L 以后的字母加数字01、02 ……表示性能派生代号,但不宜使用字母 I 和
O。
GB/T 10404—2017
附 录 B
(资料性附录)
多极和双通道旋转变压器技术性能参数表
多极和双通道旋转变压器技术性能参数见表B.1。
表 B.1 技术性能参数
|
|
|
|
|
|
|
|
|
|---|---|---|---|---|---|---|---|---|
|
|
|
|
|
|
|
|
|
|
|
|
|
|
|
|
|
|
|
|
|
|
|
|
|
|
|
|
|
|
|
|
|
| ||
|
|
|
|
| ||||
|
|
|
|
|
|
|
| |
|
|
|
|
| ||||
|
|
|
|
|
|
|
|
|
|
|
|
|
|
|
|
|
|
|
|
|
|
|
|
| ||
|
|
|
|
|
|
|
|
|
|
|
|
|
|
|
|
|
|
|
|
|
|
|
|
|
|
|
|
|
|
|
|
|
|
|
|
|
|
|
|
|
|
| ||
|
|
|
|
|
|
|
|
|
|
|
|
|
|
|
| ||
|
|
|
|
|
|
|
|
|
|
|
|
|
|
|
| ||
|
|
|
|
|
|
|
|
|
|
|
|
|
|
|
| ||
|
|
|
|
|
|
|
|
|
|
|
|
|
|
|
| ||
|
|
|
|
|
|
|
|
|
|
|
|
|
|
|
| ||
|
|
|
|
|
|
|
|
|
GB/T 10404—2017
表 B.1 ( 续 )
|
|
|
|
|
|
|
|
|
|---|---|---|---|---|---|---|---|---|
|
|
|
|
|
|
|
|
|
|
|
|
|
|
|
| ||
|
|
|
|
|
|
|
|
|
|
|
|
|
|
|
|
|
|
|
|
|
|
|
|
| ||
|
|
|
|
|
|
|
|
|
|
|
|
|
|
|
| ||
|
|
|
|
|
|
|
|
|
|
|
|
|
|
|
| ||
|
|
|
|
|
|
|
|
|
|
|
|
|
|
|
| ||
|
|
|
|
|
|
|
|
|
|
|
|
|
|
|
|
|
|
|
|
|
|
|
|
| ||
|
|
|
|
|
|
|
|
|
|
|
|
|
|
|
| ||
|
|
|
|
|
|
|
|
|
|
|
|
|
|
|
| ||
|
|
|
|
|
|
|
|
|
|
|
|
|
|
|
| ||
|
|
|
|
|
|
|
|
|
|
|
|
|
|
|
| ||
|
|
|
|
|
|
|
|
|
|
|
|
|
|
|
|
|
|
|
|
|
|
|
|
| ||
|
|
|
|
|
|
|
|
|
|
|
|
|
|
|
| ||
|
|
|
|
|
|
|
|
|
|
|
|
|
|
|
|
|
|
|
|
|
|
|
|
| ||
|
|
|
|
|
|
|
|
|
|
|
|
|
|
|
|
GB/T 10404—2017
表 B.1 ( 续 )
|
|
|
|
|
|
|
|
|
|---|---|---|---|---|---|---|---|---|
|
|
|
|
|
|
|
|
|
|
|
|
|
|
|
| ||
|
|
|
|
|
|
|
|
|
|
|
|
|
|
|
| ||
|
|
|
|
|
|
|
|
|
|
|
|
|
|
|
| ||
|
|
|
|
|
|
|
|
|
|
|
|
|
|
|
| ||
|
|
|
|
|
|
|
|
|
|
|
|
|
|
|
| ||
|
|
|
|
|
|
|
|
|
|
|
|
|
|
|
| ||
|
|
|
|
|
|
|
|
|
|
|
|
|
|
|
| ||
|
|
|
|
|
|
|
|
|
|
|
|
|
|
|
| ||
|
|
|
|
|
|
|
|
|
|
|
|
|
|
|
| ||
| ||||||||
延伸阅读
更多内容 可以 GB-T 10404-2017 多极和双通道旋转变压器通用技术条件. 进一步学习
联系我们
DB42-T 2076-2023 幼龄橘园套种生姜栽培技术规程 湖北省.pdf
本文来自互联网用户投稿,文章观点仅代表作者本人,不代表本站立场,不承担相关法律责任。如若转载,请注明出处。 如若内容造成侵权/违法违规/事实不符,请点击【内容举报】进行投诉反馈!
S5
S2

S6
S5
R5
S2
R1 R3
R5 R7


S1(S5)
R1(R5)
S1(S5) S3(S7)
S1(S5) S3(S7)
S1(Sh) S3(S7)
S1(S5)S3(S7)
S1(S5)S3(S7)
S1(S5) S3(S7)