Acrel-2000Z电力监控系统在重庆五桂堂历史文化商业街区的应用
摘要:Acrel-2000Z电力监控系统适用于35kV及以下电压等级的各类变电站,可以帮助用户掌握配电系统的实时运行状态,获取预警、告警等各类事件,实现重点区域的无人值守,提高安全监管水平。针对重庆五桂堂历史文化商业街区项目的要求,系统将完成对专用开闭所、配电房内主要设备和输配电线路的自动监视、测量、控制、保护,以及与上级系统通信等综合性的自动化功能。其中保护、测量等功能通过中、低压智能型保护测控装置和多功能电表来实现,为变电站安全稳定地运行提供了坚实的保障。
关键词:Acrel-2000Z;电力监控系统;实时监测;保护测量;王兰 ; 136--4185--4052
0 引言
历史街区是一个城市的文脉,重庆市五桂堂历史文化商业街区为了在现代化城市的发展进程中找到适合历史街区的发展路径,让老街保持高品质的文化遗产这一核心特质,进行了一系列的整改、建设。为了建筑可以安全可靠的用电,变电站内需要一套系统来进行监测保护,安科瑞推出的Acrel-2000Z电力监控系统,可以控制和管理变电站设备,满足变电站无人或少人值守的需求,为变电站安全、稳定、经济运行提供坚实的保障。在该项目中,系统将完成对专用开闭所、配电房内主要设备和输配电线路的自动监视、测量、控制、保护,以及与上级系统通信等综合性的自动化功能。
1 项目概述
据悉原五桂堂街是一条上百年的地地道道的涪陵“老街”,北起火神庙(后来的铁器社)西侧,南止天主堂大门前横街尽头,长约200米,宽约2米,该项目建设地点位于重庆市涪陵区敦仁街道望栏桥社区(八角井),占地面积约36225㎡,合约54.3亩。
变电站内设有2个配电室,直接从110kV东门变电站的开闭所引入10kV线路,每个配电室内有4个容量为1000kVA的10kV变0.4kV变压器,变压器1B和2B、3B和4B均为解列独立运行,互为备用(单台变压器运行时,联络开关可合闸;两台同时运行时,联络开关须断开)。其中1#配电室内有6面高压柜、36面低压柜,2#配电室内有6面高压柜、39面低压柜,除开关柜外配电室内还有直流屏、无功补偿控制器、有源滤波等装置。
该项目对电力监控系统的安全管理有较高的要求,安全管理信息简单来说包括用户登陆和注销等信息,还包括系统各级用户权限变更的信息以及其他一些和安全服务相关的信息。针对上述需求,Acrel-2000Z电力监控软件具备分级限权的用户管理功能来满足,除此外其他功能需求如下:
1、系统可以进行图形及报表的生成、修改、打印,可以对数据库进行定义和修改;
2、系统可以发出操作控制命令,并对报警确认、报警点退出/恢复;
3、系统可以查看历史数值以及各项定值;
4、系统应有硬件设备网络拓扑图,能反映所有硬件设备的运行状态;
5、系统具备用户分级管理和用户权限设置功能。
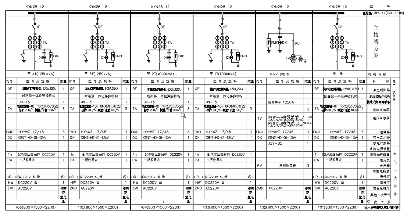
以下是配电室高压部分的电气接线图:

2 方案配置
本项目为每面高压柜配置AM3SE-I系列微机保护装置以及电压电流数显表。AM3SE-I电流型保护装置的功能有:三段式过流保护(可经低电压闭锁、可经二次谐波闭锁)、反时限过流保护(可经低电压闭锁)、过负荷告警/跳闸、三段式零序过流/反时限过流保护、FC回路配合的过流闭锁功能、零序过压告警/跳闸、过电压告警/跳闸、PT断线告警、低电压告警/跳闸、两段式负序过流保护、负序反时限过流保护、非电量保护、三相一次重合闸、低频减载、后加速过流保护(可经低电压闭锁)、电参量测量、故障录波功能(保护动作时启动)等。
高压柜上图方案如下:

1#配电室高压柜上图方案
2#配电室高压柜上图方案
整个项目硬件产品配置方案如下:
| 三相数显表 | AMC72L-AI3/C | 台 | 273 |
| 三相数显表 | AMC72L-AV3/C | 台 | 10 |
| 电流型微机保护装置 | AM3SE-I | 台 | 10 |
| 名称 | 型号、规格 | 单位 | 数量 |
| 三相多功能表 | AMC72L-E4/KC | 只 | 31 |
系统整体网络结构分为三层,采用屏蔽双绞线直接将仪表数据接至数据采集器,然后通过网线直接接至监控主机,保障了电力监控监控系统传输的稳定性与实时性。
1)站控管理层
站控管理层针对电力监控系统的管理人员,包括工控机、显示器、打印机等高性能设备,是人机交互的直接窗口。
2)网络通讯层
通讯层主要是由采集器、以太网设备及总线网络组成。串口服务器主要功能是监测现场智能仪表;以太网设备及总线网络的主要功能是实现分站与主站之间的数据交互,使配电系统管理集中化、信息化、智能化,不仅提高了配电系统的安全性、可靠性和稳定性,也达到了无人值守的目的。
3)现场设备层
现场设备层的主要目的就是对配电系统中的各类运行参数做好测量与采集,同时将获取的数据信息传输到监控系统,各类设备应该在不依赖于主控计算机运行情况下,可以保持互相独立完成各自功能。现场设备层主要由智能仪表组成,智能仪表通过屏蔽双绞线RS485接口,采用MODBUS通讯协议总线型连接接入通讯服务器,经通讯服务器到达该配电间监控主机进行组网,实现远程控制。
3 现场安装
配电室内柜体安装如下图:
4 软件功能
4.1 实时监测
Acrel-2000Z电力监控系统人机界面友好,能够以配电一次图的形式直观显示配电线路的运行状态,实时监测各回路电压、电流、功率、功率因数等电参数信息,动态监视各配电回路断路器、隔离开关、地刀等合、分闸状态及有关故障、告警等信号。
4.2 曲线查询
在历史曲线界面,可以直接查看各电参量曲线,包括三相电流、三相电压、有功功率、无功功率、功率因数、温度等曲线。

4.3 电能统计报表
系统同时具备定时抄表汇总统计功能,用户可以自由查询自系统正常运行以来任意时间段内各配电节点的用电情况,即该节点进线用电量与各分支回路消耗电量的统计分析报表。

4.4 历史事件查询
系统能够对遥信变位,保护动作、事故跳闸,以及电压、电流、功率、功率因数越限等事件记录进行存储和管理,方便用户对系统事件和进行历史追溯、查询统计、事故分析。可以按时间、类型和设备进行查询和排序。
4.5 用户权限管理
为保障系统安全稳定运行,设置了用户权限管理功能,通过用户权限管理能够防止未经授权的操作(如遥控的操作,数据库修改等)。可以定义不同级别用户的登录名、密码及操作权限,为系统运行、维护、管理提供可靠的安全保障。
5 结语
在当今配电设施的应用中,配电的安全性至关重要,本文介绍的Acrel-2000电力监控系统在上述历史文化商业街区中的应用,不但可以实现对配电室供配电回路用电的实时监控,还具有网络通讯功能,可以将数据进行上传转发。该项目中系统软件实时显示配电室内10KV配电进出线回路的运行状态,对分合闸、负载越限具有弹出报警对话框、报警声音提示;同时生成各种电能报表、分析曲线、图形等,便于电能的远程抄表以及分析、研究;该系统安全、可靠、稳定的运行,为上述历史文化商业街区及时解决用电问题提供了真实可靠的依据。
参考文献
[1] 安科瑞企业微电网设计与应用手册.2020.06月版
[2] 唐翰,史浩山.分布式电力监控系统中安全问题的研究与实现[J].电讯技术2004.
[3] 安科瑞用户变电站综合自动化与运维解决方案.2021.11月版
本文来自互联网用户投稿,文章观点仅代表作者本人,不代表本站立场,不承担相关法律责任。如若转载,请注明出处。 如若内容造成侵权/违法违规/事实不符,请点击【内容举报】进行投诉反馈!
