电压调整器之LDO低压差线性稳压器
一、 低压差线性稳压器
LDO即low dropout regulator,是一种低压差线性稳压器,使用在其饱和区域内运行的晶体管或场效应管(FET),从应用的输入电压中减去超额的电压,产生经过调节的输出电压。
1. 其四大要素为:压差Dropout、噪音Noise、电源抑制比(PSRR)、静态电流Iq
2. 主要构成: 启动电路、恒流源偏置单元、使能电路、调整元件、基准源、误差放大器、反馈电阻网络和保护电路等。

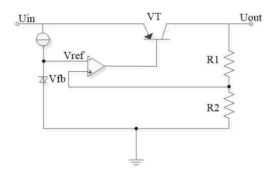
图1 LDO基本电路
*
3、工作原理
LDO基本电路由串联调整管VT、取样电阻R1和R2、比较放大器A组成
系统加电,如果使能脚处于高电平时,电路开始启动,恒流源电路给整个电路提供偏置,基准源电压快速建立,未调节的输入电压作为供电电源的电压,基准电压作为误差放大器的负相输入电压,电阻反馈网络将输出电压进行分压并获得反馈电压,此反馈电压输入到误差比较器的同向端,与负向的基准电压进行比较。两电压差值通过误差放大器放大后直接控制功率调整元件的栅极,通过改变调整管的导通状态来控制LDO的输出,即:Vout=(R1+R2)/R2 ×Vref
实际的低压差线性稳压器还具有如负载短路保护、过压关断、过热关断、反接保护等其它的功能。
4、主要参数
输出电压
最大输出电流
电压差
接地电流,也成为静态电流
负载调整率(此值越小,LDO抑制负载的能力越强)
线性调整率(越小,输入电压对输出电压影响越小,LDO性能越好)
电源抑制比(PSSR),反映了LDO对干扰信号的抑制能力。
5、优缺点及现状
低压降(LDO)线性稳压器的成本低、噪音低、静态电流小、外接元件也很少,通常只需一两个旁路电容,且具有极低的自有噪声和较高的电源抑制比PSRR(Power Supply Rejection Ratio)。LDO是一个自耗很低的微型片上系统(SoC)。它可用于电流主通道控制,芯片上集成了具有极低线上导通电阻的MOSFET,肖特基二极管、取样电阻和分压电阻等硬件电路,并具有过流保护、过温保护、精密基准源、差分放大器、延迟器等功能。PG是新一代LDO,具各输出状态自检、延迟安全供电功能,也可称之为Power Good,即“电源好或电源稳定”。 很多LDO仅需在输入端及输出端各接一颗电容即可稳定工作
新的LDO可达到以下指标:输出噪声30μV,PSRR为60dB,静态电流6μA,电压降只有100mV。 LDO线性稳压器有这样的性能提升主要原因:其使用的调整管是用P沟道MOSFET,P沟道MOSFET是电压驱动的,无需电流,降低了器件本身消耗的电流,其上的电压降大致等于输出电流与导通电阻的乘积。由于MOSFET的导通电阻很小,因而它上面的电压降非常低。;普通的线性稳压器是使用PNP晶体管。在采用PNP晶体管的电路中,为防止PNP晶体管进入饱和状态而降低输出能力, 输入和输出之间的电压降不可太低。
6、选择方案
升压是一定要选DCDC的,降压,是选择DCDC还是LDO,要在成本,效率,噪声和性能上比较。
❶当输入电压和输出电压接近时,最好是选用LDO稳压器,可达到很高的效率。
实例:把锂离子电池电压转换为3V输出电压的应用中多选用LDO稳压器。虽说电池的能量最后10%没有使用,LDO稳压器仍然能够保证电池的工作时间较长,同时噪音较低。
❷当输入电压和输出电压不是很接近,考虑开关型的DCDC了,因为LDO的输入电流基本上是等于输出电流的,如果压降太大,耗在LDO上能量太大,效率不高。
7、分类
LDO分为正输出电压的LDO和负输出 LDO。正输出电压的LDO(低压降)稳压器:使用功率晶体管(也称为传递设备)作为 PNP。这种晶体管允许饱和,所以稳压器可以有一个非常低的压降电压,通常为 200mV 左右;负输出 LDO 使用 NPN 作为它的传递设备,其运行模式与正输出 LDO 的 PNP设备类似。
扩展小课堂:压降电压是指稳压器将输出电压维持在其额定值上下 100mV 之内所需的输入电压与输出电压差额的最小值。
8、传统线性稳压器的特点
传统的线性稳压器:一般要求输入电压Uin要比输出电压Uout至少高出2V~3V(如78XX系列的芯片),否则就不能正常工作。但这样的条件太苛刻。如5V转3.3V,输入与输出之间的压差只有1.7v,显然这是不满足传统线性稳压器的工作条件的。其使用 NPN 复合电源晶体管的传统线性稳压器的压降为 2V 左右。
使用 MOS 功率晶体管,它能够提供最低的压降电压。使用 功率MOS,通过稳压器的唯一电压压降是电源设备负载电流的 ON 电阻造成的。如果负载较小,这种方式产生的压降只有几十毫伏。
二、 DC-DC转换器
DC-DC直流变(到)直流(不同直流电源值的转换),只要符合这个定义都可以叫DC-DC转换器,包括LDO。但是一般的说法是把直流变(到)直流由开关方式实现的器件叫DC-DC。DC-DC转换器包括升压、降压、升/降压和反相等电路。DC-DC转换器的优点是效率高、可以输出大电流、静态电流小。随着集成度的提高,许多新型DC-DC转换器仅需要几只外接电感器和滤波电容器。但是,这类电源控制器的输出脉动和开关噪音较大、成本相对较高。

三种直流电源调整器特点对比
新一代高性能的电源管理方案将DC-DC变换器与LDO,或者LDO和电荷泵结合起来,克服三者电压调整器的各自缺陷,从而达到低噪声和高效率的组合。
本文来自互联网用户投稿,文章观点仅代表作者本人,不代表本站立场,不承担相关法律责任。如若转载,请注明出处。 如若内容造成侵权/违法违规/事实不符,请点击【内容举报】进行投诉反馈!
