数电3_2——CMOS门电路
数电3_2——CMOS门电路
- 1. 概述
- 2. MOS管的开关特性
- 3. COMS反相器
- 3.1 电路结构
- 3.2 工作原理
- 3.3 特点
- 3.4 电压电流特性
- 3.4.1 电压传输特性
- 3.4.2 电流传输特性
- 3.5 输入噪声容限
- 3.6 CMOS反相器的静态特性
- 3.6.1 输入特性
- 3.6.2 输出特性
- 低电平输出特性
- 高电平输出特性
- 3.7 CMOS反相器的动态特性
- 3.7.1 传输延迟时间
- 3.7.2 交流噪声容限
- 3.7.3 动态功耗
- 4. 其他逻辑功能的CMOS电路
- 4.1 CMOS与非门——上并下串
- 4.2 CMOS或非门——上串下并
- 4.3 带缓冲级的CMOS门电路
- 4.3.1 上述电路存在的问题
- 4.3.2 改进的电路
1. 概述
- CMOS逻辑门电路是在TTL器件之后,出现的应用比较广泛的数字逻辑器件,在功耗、抗干扰、带负载能力上优于TTl逻辑门,所以超大规模器件几乎都采用CMOS门电路,如存储器ROM、可编程逻辑器件PLD等
- 国产的CMOS器件有CC4000(国际CD4000/MC4000)、高速54HC/74HC系列(国际MC54HC/74HC),此外还有兼容型的74HCT和74BCT系列(BiCMOS)
2. MOS管的开关特性
有关MOS管与三级管,请参看我的另外一篇博客
- 增强型NMOS管:

- 当 v G S < V G S ( T H ) v_{GS}
vGS<VGS(TH) ,管子截止, i D = 0 i_{D}=0 iD=0, R O F F > 1 0 9 Ω R_{OFF}>10^{9}Ω ROFF>109Ω - 当 v G S > V G S ( T H ) v_{GS}>V_{GS}(TH) vGS>VGS(TH),管子导通, i D ∝ V G S 2 i_{D}\propto V^{2}_{GS} iD∝VGS2, R O N < 1 0 3 Ω R_{ON}<10^{3}Ω RON<103Ω
- 增强型PMOS:

- 当 v G S > V G S ( T H ) v_{GS}>V_{GS}(TH) vGS>VGS(TH),管子截止, i D = 0 i_{D}=0 iD=0
- 当 v G S < V G S ( T H ) v_{GS}
vGS<VGS(TH) ,管子导通, i D ∝ V G S 2 i_{D}\propto V^{2}_{GS} iD∝VGS2
- 耗尽型NMOS

- 当 v G S < V G S ( O F F ) ( V G S ( O F F ) < 0 ) v_{GS}
vGS<VGS(OFF)(VGS(OFF)<0) ,管子截止, i D = 0 i_{D}=0 iD=0 - 当 v G S > V G S ( O F F ) v_{GS}>V_{GS}(OFF) vGS>VGS(OFF),管子导通
备注:因为h耗尽型 v G S = 0 v_{GS}=0 vGS=0时电流 i D ≠ 0 i_{D} \neq 0 iD=0,
- 耗尽型PMOS

- 当 v G S > V G S ( O F F ) ( V G S ( O F F ) > 0 ) v_{GS}>V_{GS}(OFF)(V_{GS}(OFF)>0) vGS>VGS(OFF)(VGS(OFF)>0),管子截止, i D = 0 i_{D}=0 iD=0
- 当 v G S < V G S ( O F F ) v_{GS}
vGS<VGS(OFF) ,管子导通
3. COMS反相器
COMS反相器单路结构是CMOS电路的基本结构形式,是构成复杂CMOS逻辑电路的基本模块智一。
3.1 电路结构
如下图所示:T1为增强型PMOS管,T2为增强型NMO管,它们构成互补对称电路


3.2 工作原理
- 它们的开启电压分别为 V G S ( t h ) P 、 V G S ( t h ) N V_{GS(th)P} 、V_{GS(th)N} VGS(th)P、VGS(th)N ,
且 ∣ V G S ( t h ) P ∣ = V G S ( t h ) N |V_{GS(th)P} |=V_{GS(th)N} ∣VGS(th)P∣=VGS(th)N ,并设 V D D > ∣ V G S ( t h ) P ∣ + V G S ( t h ) N V_{DD} >|V_{GS(th)P} |+V_{GS(th)N} VDD>∣VGS(th)P∣+VGS(th)N, V I L = 0 , V I H = V D D V_{IL} =0,V_{IH} =V_{DD} VIL=0,VIH=VDD - 当 v I = V I L = 0 v_{I} =V_{IL} =0 vI=VIL=0为低电平时,
T1管导通( ∣ V G S P ∣ > ∣ V G S ( t h ) P ∣ |V_{GS_{P}}|>|V_{GS(th)P} | ∣VGSP∣>∣VGS(th)P∣,
T2管截止( V G S N < V G S ( t h ) N V_{GS_{N}}VGSN<VGS(th)N ),
此时输出高电平 V O H = R o f f R o f f + R o n ∗ V D D ≈ V D D , ( R o f f ≫ R o n ) V_{OH}=\frac{R_{off}}{R_{off}+R_{on}}*V_{DD}\approx V_{DD} , (R_{off}\gg R_{on}) VOH=Roff+RonRoff∗VDD≈VDD,(Roff≫Ron)
[明确导通截止后,按两个电阻串联来看] - 当 v I = V I H = V D D v_{I} =V_{IH} =V_{DD} vI=VIH=VDD为高电平时,
T1管截止( ∣ V G S P ∣ < ∣ V G S ( t h ) P ∣ |V_{GS_{P}}|<|V_{GS(th)P} | ∣VGSP∣<∣VGS(th)P∣,
T2管导通( V G S N > V G S ( t h ) N V_{GS_{N}}>V_{GS(th)N} VGSN>VGS(th)N),
此时输出低电平 V O L = R o n R o f f + R o n ∗ V D D ≈ 0 , ( R o f f ≫ R o n ) V_{OL}=\frac{R_{on}}{R_{off}+R_{on}}*V_{DD}\approx 0 , (R_{off}\gg R_{on}) VOL=Roff+RonRon∗VDD≈0,(Roff≫Ron)
备注:(IL :input_low,IH: input_high,OL:output_low…)
3.3 特点
- 无论 v I v_{I} vI是高电平还是低电平,T1和T2管总处于是一个导通一个截止的工作状态,称为互补,这种电路结构CMOS电路(Complementary Metal Oxide Semiconductor)
- 由于静态下无论输入 v I v_{I} vI为低电平还是高电平, T1 和T2 总是有一个截止的,其截止电阻很高,故流过T1 和T2 的静态电流很小,故其静态功耗很小。这是CMOS电路的一大突出优点。
3.4 电压电流特性
3.4.1 电压传输特性
- AB段与CD段如上面所讲,电压的输入与输出相反
- BC段, v i > V G S ( T H ) N , ∣ V D D − v i ∣ > ∣ V G S ( T H ) P ∣ v_{i}>V_{GS(TH)N},|V_{DD}-v_{i}|>|V_{GS(TH)P}| vi>VGS(TH)N,∣VDD−vi∣>∣VGS(TH)P∣,
整理, V G S ( T H ) N < v i < V D D − ∣ V G S ( T H ) P ∣ V_{GS(TH)N}VGS(TH)N<vi<VDD−∣VGS(TH)P∣ ,
T1 ,T2 同时导通,如果 v i = 1 2 V D D , v o = 1 2 V D D v_{i}=\frac{1}{2}V_{DD},v_{o}=\frac{1}{2}V_{DD} vi=21VDD,vo=21VDD

3.4.2 电流传输特性
- AB,CD段的露出电流都非常小,毕竟原来的电流就很小
- BC:因为T1与T2都导通了,电阻相对较小,特别是 v i = 1 2 V D D , v o = 1 2 V D D v_{i}=\frac{1}{2}V_{DD},v_{o}=\frac{1}{2}V_{DD} vi=21VDD,vo=21VDD时,漏出电流最大。
使用时,输入电压不应长时间工作在这段,以防止由于功耗过大而电路损坏。

3.5 输入噪声容限
从CMOS反相器的电压传输特性克制,在输入电压 v i v_{i} vi偏离正常的高低电平时,输出电压并不会马上改变,允许输入电压有一定的变化范围
- 输入端噪声容限:是指在保证输出高、低电平基本不变(不超过规定范围)时,允许输入信号高、低电平的波动范围
- 计算方法: 输入噪声容限分为输入高电平噪声容限 V N H V_{NH} VNH 和输入低电平噪声容限 V N L V_{NL} VNL 。下图给出计算输入噪声容限的方法:
V N H = V O H ( m i n ) − V I H ( m i n ) V_{NH}=V_{OH(min)}-V_{IH(min)} VNH=VOH(min)−VIH(min)
V N L = V O L ( m a x ) − V I L ( m a x ) V_{NL}=V_{OL(max)}-V_{IL(max)} VNL=VOL(max)−VIL(max)

- 输入噪声容限与电源电压 V D D V_{DD} VDD有关,当 V D D V_{DD} VDD增加时,电压传输特性右移——可以通过提高 V D D V_{DD} VDD提高噪声容限

3.6 CMOS反相器的静态特性
3.6.1 输入特性
- 输入特性:从CMOS反相器输入端看其输入电压与电流的关系
- 由于MOS管的栅极和衬底之间存在SiO 2 为介质的输入电容,而绝缘介质又很薄,非常容易被击穿,所以对CMOS电路,必须采取保护措施
- CMOS反相器的常用两种保护电路:

- CMOS反相器保护电路:图(a)为74HC系列的输入保护电路。图(b)是4000系列的输入保护电路[
其实我也不知道这两个系列是什么]
以图(a)为例子,
D 1 D_{1} D1 和 D 2 D_{2} D2都是双极型二极管 ,正向导通压降为 V D F = 0.5 V ~ 0.7 V V_{DF} =0.5V~0.7V VDF=0.5V~0.7V,反向击穿电压约为 30 V 30V 30V, D 2 D_{2} D2 为分布式二极管, 可以通过较大的电流, R S R_{S} RS 的值一般在 1.5 2.5 K Ω 1.5~2.5KΩ 1.5 2.5KΩ之间。 C 1 C_{1} C1 和 C 2 C_{2} C2 为 T 1 T_{1} T1 和 T 2 T_{2} T2 的栅极等效电容(等效电容是一种等效,不是真实存在)
a. 当 v i > V D D + V D F v_{i}>V_{DD}+V_{DF} vi>VDD+VDF时,二极管 D 1 D_{1} D1导通,将 v G v_{G} vG的电压钳制在 V D D + V D F V_{DD}+V_{DF} VDD+VDF,这样就能保证 C 2 C_{2} C2(下面的等效电容)的电压不超过 V D D + V D F V_{DD}+V_{DF} VDD+VDF
b. 当 v i < − V D F v_{i}<-V_{DF} vi<−VDF时,二极管 D 2 D_{2} D2导通, v G v_{G} vG的电压钳制在 − V D F -V_{DF} −VDF,将保证 C 1 C_{1} C1(上面的等效电容)上的电压不超过 V D D + V D F V_{DD}+V_{DF} VDD+VDF - 电流曲线

因为保护电路的存在,在 − V D F < v i < V D D + V D F -V_{DF}−VDF<vi<VDD+VDF 时, I i ≈ 0 I_{i}\approx 0 Ii≈0,当 v i v_{i} vi$超过范围时(二极管导通),电流迅速增大,绝对值由电压和电路内阻决定
3.6.2 输出特性
输出特性为从反相器输出端看输出电压和输出电流的关系,包括输出为低电平输出特性和输出为高电平输出特性
低电平输出特性
- 在输入为高电平,即 v I = V I H = V D D v_{I} =V_{IH} =V_{DD} vI=VIH=VDD 时,此时 T 1 T_{1} T1 截止(看成一个定值电阻 R L R_{L} RL), T 2 T_{2} T2导通,此时输出为低电平。
- 如下图所示,电流从负载注入 T 2 T_{2} T2 ,输出电压 V O L V_{OL} VOL 随电流增加而提高。[此时, V O L V_{OL} VOL就是 v D S 2 v_{DS2} vDS2, I O L I_{OL} IOL就是 i D 2 i_{D2} iD2]。
所以输出特性曲线实际上就是T2的漏极特性曲线,从曲线上可以看到,由于T2的导通内阻与 v G S 2 v_{GS2} vGS2的大小有关, v G S 2 v_{GS2} vGS2越大,内阻越小,同样的 I O L I_{OL} IOL值下, V D D V_{DD} VDD越大, v G S 2 v_{GS2} vGS2越小, V O L V_{OL} VOL也越低

高电平输出特性
- 在输入为低电平,即 v I = V I L = 0 v_{I} =V_{IL} =0 vI=VIL=0 时,此时 T 2 T_{2} T2导通, T 2 T_{2} T2 截止(看成一个定值电阻 R L R_{L} RL),此时输出为高电平。
- 如下图所示,电流从T1管流出到负载【电流方向和图中所假设方向相反】,输出电压 V O H = V D D − I O H R O N 1 V_{OH}=V_{DD}-I_{OH}R_{ON1} VOH=VDD−IOHRON1( R O N 1 R_{ON1} RON1为T1的导通电阻)

- 随着负载电流的增加(注意,因为方向相反,所以为负值,实际上电流的绝对值减小),T1的导通压降加大, V O H V_{OH} VOH下降。
- 又因为MOS管的内阻与 v G S v_{GS} vGS有关,同样的 I O H I_{OH} IOH下, V D D V_{DD} VDD越高,则T1导通的 v G S v_{GS} vGS越负,导通内阻越小, V O H V_{OH} VOH也下降的越少(相对于 V D D V_{DD} VDD)。
3.7 CMOS反相器的动态特性
3.7.1 传输延迟时间
由于MOS管的寄生电容和负载电容的存在,使得输出电压的变化滞后输入电压的变化,将输出电压变化迟后输入电压变化的时间成为传输延迟时间
- t P H L t_{PHL} tPHL:输出由高电平跳变为低电平时的传输延迟时间
- t P L H t_{PLH} tPLH:输出由低电平跳变为高电平时的传输延迟时间
- t p d t_{pd} tpd:平均传输延迟时间, t p d t_{pd} tpd= ( t P H L + t P L H ) / 2 (t_{PHL}+t_{PLH})/2 (tPHL+tPLH)/2
COMS电路 t P H L = t P L H t_{PHL}=t_{PLH} tPHL=tPLH
3.7.2 交流噪声容限
- 交流噪声容限是在窄脉冲作用下,输入电压允许变化的范围,下图是输入为不同宽度窄脉冲时CMOS反相器的交流噪声容限曲线。
即 V N A = f ( t w ) V_{NA} =f(t w ) VNA=f(tw),它反映CMOS反相器的动态抗干扰能力。其中 t w t_{w} tw 是脉冲宽度, t w t_{w} tw越大,容限越小

- 由于电路中存在着开关时间和分布电容的充放电过程,因而门电路输出状态的改变,直接与输入脉冲信号的幅度和宽度有关:
当输入脉冲信号的宽度接近于门电路传输延迟时间的情况下,则需要较大的输入脉冲幅度才能使电路的输出发生变化。也就是说门电路对窄脉冲的噪声容限要高于直流噪声容限[直流相当于 t w t_{w} tw无限大]
3.7.3 动态功耗
当CMOS反相器从一种稳定工作状态突然转变到另一种稳定状态过程,将产生附加的功耗,称为动态功耗。
它包括
- 对负载电容充放电的功耗 P C = C L F V D D 2 P_{C}=C_{L}FV_{DD}^{2} PC=CLFVDD2
(其中 C L C _{L} CL是负载电容, f f f是输入信号的频率, V D D V_{DD} VDD 是漏极电源电压) - 在 V G S ( t h ) N < V I < V D D − ∣ V G S ( t h ) P ∣ V_{GS(th)N} < V_{I}
VGS(th)N<VI<VDD−∣VGS(th)P∣ 情况下两个管子同时导通时的功耗 P T = V D D I T A V = C P D F V D D 2 P_{T}=V_{DD}I_{TAV}=C_{PD}FV_{DD}^{2} PT=VDDITAV=CPDFVDD2
( C P D C_{PD} CPD是功耗电容,厂家给出 - 总功耗等于静态功耗和动态功耗之和,即 P T O T = P D + P S = P S + P C + P T P_{TOT} =P_{D} +P_{S} =P_{S} +P_{C} +P_{T} PTOT=PD+PS=PS+PC+PT 。
其中静态功耗P S 由于稳定时无论输入是高还是低电平,总有一个管子截止,故静态功耗很小,
故在计算总功耗时,一般只计算动态功耗
4. 其他逻辑功能的CMOS电路
CMOS反相器就相当于一个非门,输出与输入相反
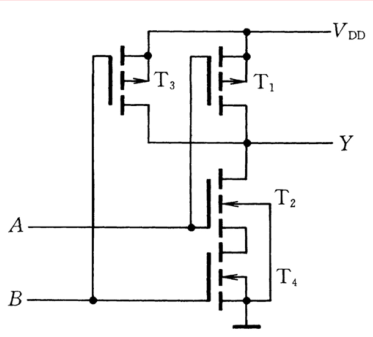
4.1 CMOS与非门——上并下串
如图所示, T 1 T_{1} T1 、 T 3 T_{3} T3 为两个并联的PMOS, T 2 T_{2} T2 、 T 4 T_{4} T4 为两个串联的NMOS
- A , B A,B A,B有一个为“0”时, T 2 , T 4 T2,T4 T2,T4至少有一个截止, T 1 , T 3 T1,T3 T1,T3至少有一个导通,此时 Y = 1 Y=1 Y=1
- A , B A,B A,B同时为“1”时, T 2 , T 4 T2,T4 T2,T4同时导通, T 1 , T 3 T1,T3 T1,T3同时截至,此时 Y = 0 Y=0 Y=0
所以: Y = ( A B ) ′ Y = (AB)' Y=(AB)′
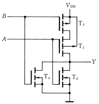
4.2 CMOS或非门——上串下并
如图所示, T 1 、 T 3 T 1 、T 3 T1、T3 为两个串联的PMOS, T 2 、 T 4 T 2 、T 4 T2、T4 为两个
并联的NMOS

- A 、 B A、B A、B有一个为“1”时, T 2 、 T 4 T 2 、T 4 T2、T4 至少有一个导通, T 1 、 T 3 T 1 、 T 3 T1、T3至少有一个截止,故输出为低电平, Y = 0 Y=0 Y=0
- A 、 B A、B A、B同时为“0”时, T 2 、 T 4 T 2 、 T 4 T2、T4同时截止, T 1 、 T 3 T 1 、 T 3 T1、T3 同时导通,故输出为高电平, Y = 1 Y=1 Y=1
所以: Y = ( A + B ) ′ Y=(A+B)' Y=(A+B)′
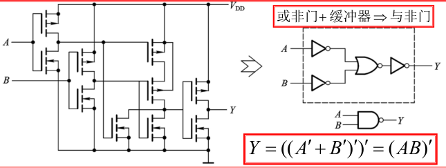
4.3 带缓冲级的CMOS门电路
4.3.1 上述电路存在的问题
以与非门为例

- 输出电阻受输入状态的影响

- 输出的高低电平受输入端数目的影响:
输入端数目愈多,输出为低电平时串联的导通电阻越多,低电平 V O L V_{OL} VOL 越高;输出为高电平时,并联电阻也多,输出高电平 V O H V_{OH} VOH也提高 - 输入状态不同对电压传输特性有影响:
- 使 T 2 、 T 4 T 2 、T 4 T2、T4 达到开启电压时,输入电压 v I v_{I} vI不同
4.3.2 改进的电路
电路结构:反相器+或非门+反相器

带缓冲级的CMOS门电路其输出电阻、输出高低电平均不受输入端状态的影响,电压传输特性更陡
后记:精力有限,先整理到这里,硬件知识还需要再补充,基本的CMOS门电路能看懂了,缓冲之类的还需要再加把劲
本文来自互联网用户投稿,文章观点仅代表作者本人,不代表本站立场,不承担相关法律责任。如若转载,请注明出处。 如若内容造成侵权/违法违规/事实不符,请点击【内容举报】进行投诉反馈!
