STM32学习第二天
2.4 MCU
微控制单元(Microcontroller Unit;MCU) ,又称单片微型计算机(Single Chip Microcomputer )或者单片机,是把中央处理器(Central Process Unit;CPU)的频率与规格做适当缩减,并将内存(memory)、计数器(Timer)、USB、A/D转换、UART、PLC、DMA等周边接口,甚至LCD驱动电路都整合在单一芯片上,形成芯片级的计算机,为不同的应用场合做不同组合控制。诸如手机(功能机)、PC外围、遥控器,至汽车电子、工业上的步进马达、机器手臂的控制等,都可见到MCU的身影
2.5 CPU
中央处理器(central processing unit,简称CPU)作为计算机系统的运算和控制核心,是信息处理、程序运行的最终执行单元。CPU自产生以来,在逻辑结构、运行效率以及功能外延上取得了巨大发展。
2.6 SoC
SoC称为系统级芯片,也有称片上系统,意指它是一个产品,是一个有专用目标的集成电路,其中包含完整系统并有嵌入软件的全部内容。同时它又是一种技术,用以实现从确定系统功能开始,到软/硬件划分,并完成设计的整个过程。
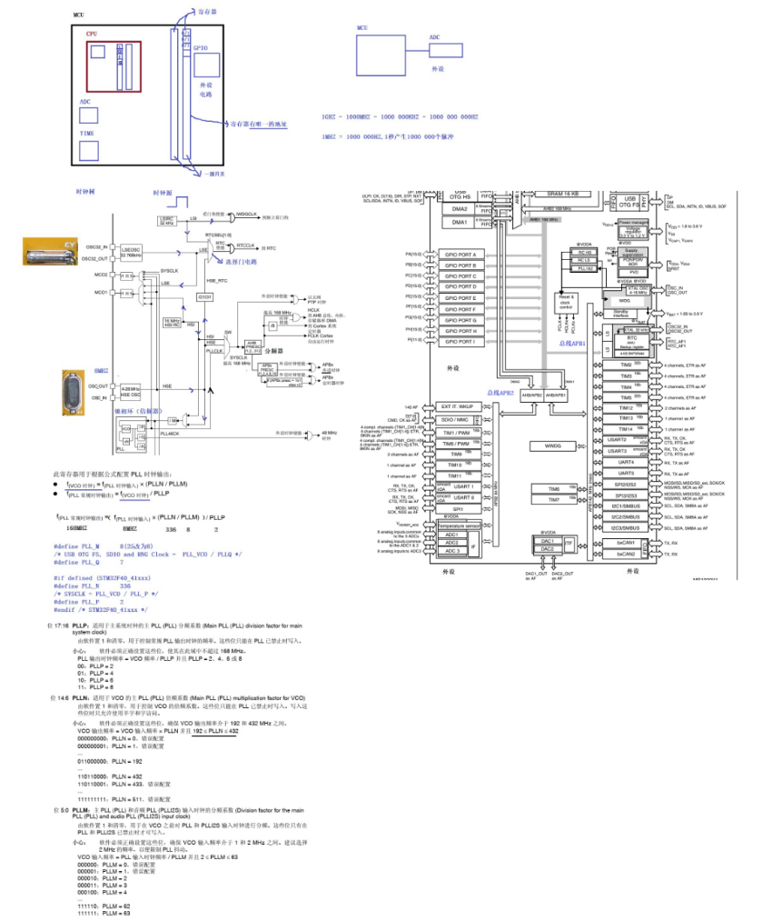
三、STM32内部结构分析
3.1STM32时钟分析
寄存器:寄存器的功能是存储二进制代码,它是由具有存储功能的触发器组合起来构成的。一个触发器可以存储1位二进制代码,故存放n位二进制代码的寄存器,需用n个触发器来构成
在计算机领域,寄存器是CPU内部的元件,包括通用寄存器、专用寄存器和控制寄存器。寄存器拥有非常高的读写速度,所以在寄存器之间的数据传送非常快。
控制寄存器:相当一排可通过0/1进行设置外设功能的开关,程序中通过地址查找到对应的寄存器,所以说控制寄存器的地址是唯一。
芯片时钟:芯片工作时,是需要脉冲,脉冲相当于给芯片起振,可保证芯片的正常工作,类似于人,心脏正常跳动,人体生命特征才能正常。
1HZ:一秒产生1个脉冲
频率换算单位:
1GHZ = 1000MHZ = 1000 000KHZ = 1000 000 000HZ
时钟源是一种可以产生脉冲的外设或者模块
LSIRC 32KHZ 32 kHz 低速内部 RC (LSI RC)
LSEOSC 32.168KHZ 32.768 kHz 低速外部晶振( LSE 晶振)
16MHZ HSI RC 16MHZ 高速内部 RC (LSI RC)
4-26MHZ HSE OSC 4-26MHZ高速外部晶振(HSE 晶振) 粤嵌开发板外部晶振为8MHZ
STM32主要总线时钟频率
SYSCLK 168MHZ
HCLK 168MHZ
AHB1/AHB2 168MHZ
APB1 42MHZ(PCLK1)
APB2 84MHZ(PCLK2)

3.2STM32程序启动

3.3寄存器的基本操作

3.4GPIO分析
GPIO: GPIO(英语:General-purpose input/output),通用型之输入输出的简称。
GPIO分组
STM32F407ZET6(芯片型号)
- 一共有7组IO口(PA PB PC PD PE PF PG)
- 每组IO口有16个IO引脚
- 一共16X7=112个IO引脚
外加2个PH0和PH1
一共112个IO口引脚

每组(PA PB PC PD PE PF PG)通用 I/O 端口包括:
•4 个 32 位配置寄存器(GPIOx_MODER、GPIOx_OTYPER、GPIOx_OSPEEDR 和 GPIOx_PUPDR)。
•2 个 32 位数据寄存器(GPIOx_IDR 和 GPIOx_ODR)。
•1 个 32 位置位/复位寄存器 (GPIOx_BSRR)、
•1 个 32 位锁定寄存器(GPIOx_LCKR)
•2 个 32 位复用功能选择寄存器(GPIOx_AFRH 和 GPIOx_AFRL)。

GPIO工作方式(通过寄存器进行设置)
4种输入模式
- 浮空输入(无上下拉电阻)
- 上拉输入(有上拉电阻)
- 下拉输入(有下拉电阻)
- 模拟输入(模拟信号)
4种输出模式
- 开漏输出(带上拉或者下拉)
- 开漏复用功能(带上拉或者下拉)
- 推挽式输出(带上拉或者下拉)
- 推挽式复用功能(带上拉或者下拉)
4种最大输出速度
- 2MHZ
- 25MHZ
- 50MHZ
- 100MHZ
注意点:
开漏输出只能输出0(低电平),若想出输出1(高电平),需要外部接上拉电阻。
推挽式输出可输出0(低电平)或者1(高电平)
寄存器地址查找
寄存器地址 = 寄存组基地址+偏移地址
本文来自互联网用户投稿,文章观点仅代表作者本人,不代表本站立场,不承担相关法律责任。如若转载,请注明出处。 如若内容造成侵权/违法违规/事实不符,请点击【内容举报】进行投诉反馈!
