专题:手把手学习硬件基础之手册阅读------MIC29302
在本项目中,MIC29302是输入5V,输出4V-2A,专为GPRS模块电源,且GPRS模块中推荐的电源
General Description
MIC29150/29300/29500/29750是一个大电流、高精确、低压降稳压器。采用专有的Super β eta PNP工艺,带有PNP通用元件,这些稳压器具有350mV至425mV(满载)的典型降压输出电压和非常低的接地电流
这些器件专为高电流负载设计,也可应用于低电流、极低压差临界系统,其中微小的压差电压和地电流值是重要的属性
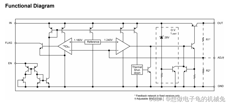
MIC29150/29300/29500/29750完全保护对过流故障,反向输入极性,反向引脚插入,过温操作,正和负瞬态电压尖峰。五脚固定电压版本的功能逻辑电平ON/OFF控制和错误标志,每当输出掉出调节信号。标记状态包括输入电压低(dropout),输出电流限制,过温关机,以及输入端的极高电压尖峰。
在29xx1和29xx2上,如果不需要开/关控制,ENABLE引脚可以绑定到VIN上。MIC29150/29300/29500可提供3针和5针TO-220和表面贴装TO-263 封装。
29750 7.5A调压器可在3针和5针- 247包。1.5A,可调输出29152可在一个5针电源D-Pak 封装。
Features
•高电流能力
MIC29150/29151/29152/29153 ................................. 1.5A
MIC29300/29301/29302/29303 .................................... 3A
MIC29500/29501/29502/29503 .................................... 5A
MIC29750/29751/29752 ............................................ 7.5A
•低压差电压
•接地电流小
•精确的1%保证公差
•极快的瞬态响应
•反向电池和“负载转储”保护
•零电流关机模式(5脚版本)
•错误标志信号输出失控(5脚版本)
•也适用于较小的负载,具有行业领先的性能规格
•固定电压和可调版本
Applications
•电池供电设备
•高效的“绿色”计算机系统
•汽车电子
•高效率线性低供给量
•用于开关电源的高效率损失调节器


Absolute Maximum Ratings
Input Supply Voltage (Vin) 输入电压 -20----+60V
Enable Input Voltage (Ven) 使能引脚输入电压 -0.3----Vin
Lead Temperature 焊接温度 260℃
Power Dissipation 功率损耗 (内部限制)
Storage Temperature Range 储存温度 -65℃ to +150℃
Electrical Characteristics


Application Information
MIC29150/29300/29500/29750处于高位性能低压差稳压器适用所有中等到高电流稳压器应用程序。 他们的350mV到425mV的典型失速在满载时的电压使它们特别有价值电池供电系统和噪音一样高效“后调节器”应用中的过滤器。 不像旧的NPN晶体管设计,那里的最小dropout电压受基极和发射极电压降的限制集电极-发射极饱和电压,压降性能这些设备的PNP输出仅受限于VCE饱和电压。
低对低压差的权衡是一个变化的基本驱动器的要求。但超级ßeta PNP®过程减少这一驱动器的要求,仅为负载电流的1%。
MIC29150/29300/29500/29750系列监管机构完全保护由于故障条件造成的损坏。
提供电流限制。 这个极限是线性的; 输出过载条件下的电流是恒定的。 热关机禁用设备时,模具温度超过125°C的最大安全运行温度。 瞬态保护允许设备(和负载)生存,即使当输入电压尖峰-20V至+60V之间。 当输入电压超过35V ~ 40V左右,过电压传感器暂时关闭调节器。 输出结构这些稳压器允许的电压超过期望的输出电压不加反向电流。 MIC29xx1和MIC29xx2版本提供一个逻辑电平开/关控制:禁用时,设备电流几乎为零。
这个调节器家族的另一个特点是一个常见的引脚:一个设计的当前要求可以向上或向下改变,但使用相同的板布局,因为所有这些调节器都有相同的引脚。

Thermal Design 散热设计
线性调节器使用简单。需要考虑的最复杂的设计参数是热特性。热设计需要以下特定应用的参数:
最高周围温度
首先,我们从这些数字和设备参数的数据表中计算调节器的功耗。
![]()
其中地电流约为IOUT的1%。然后根据该公式确定散热器热阻

其中TJMAX≤125°C, θCS在0 ~ 2°C/W之间。
散热片可以在已知最小输入电压的应用与漏极电压相比是很大的。 使用一个串联输入电阻降低过电压和在电阻器和电阻器之间分配热量
监管机构。 Super的低dropout特性ß埃塔PNP®监管机构允许大幅削减 调节器的功率损耗和相关的散热片在不影响性能。 当这种技术使用时,需要一个至少0.1 μ F的电容器直接在输入端和稳压器接地之间。
请参阅应用注9和应用提示有关热设计和散热器规格的进一步细节和示例
在没有散热器的应用中,计算结温,以确定在超过最大结温29152之前允许的最大功耗。允许的最大功率可以通过D-Pak的热电阻(θJA)来计算,并遵循PCB设计的以下标准:2盎司铜和29152的铜面积为100mm2
例如,给定预期最高环境温度(TA)为75°C, VIN = 3.3V, VOUT = 2.5V, IOUT = 1.5A,首先使用方程(1)
![]()
接下来,计算期望功率耗散的结温
![]()
现在确定允许的最大功耗不会超过集成电路的最大结温度(125°C),而不使用散热器
![]()
Capacitor Requirements
为了稳定和最小的输出噪声,一个电容器的稳压器输出是必要的。这个电容的值取决于输出电流;较小的电流允许较小的电容器
这种电容器不需要是一个昂贵的低ESR类型:铝电解是足够的。事实上,极低的ESR电容可能会导致不稳定。
钽电容器推荐用于快速负载瞬态响应很重要的系统
当稳压器的电源来源为高交流阻抗时,建议在输入和GND之间连接0.1µF电容器。该电容器应具有良好的特性到250kHz以上
Minimum Load Current
MIC29150-29750调节器在有限负载之间指定。如果输出电流太小,漏电流占主导,输出电压上升。下面的最小负载电流淹没了在操作温度范围内的任何预期泄漏电流

Adjustable Regulator Design

可调节调节器版本,mic29x2和MIC29xx3,允许编程输出电压在1.25V和25V之间的任何地方。使用两个电阻器。电阻值由

其中VOUT为所需输出电压。图4显示了组件定义。负载电流变化很大的应用场合,可以调整电阻以获得正常工作所需的最小负载电流“最小负载电流”部分)。
Error Flag
MIC29xx1和MIC29xx3版本具有一个错误标志,它查看输出电压,当电压低于期望值5%时,发出错误信号。错误标志是一个开路集电极输出,在故障条件下拉低。它可能会下沉10mA。低输出电压意味着许多可能的问题,包括过流故障(设备处于限流状态)和低输入电压。在超温关机条件下,标志输出无效
Enable Input
MIC29xx1和MIC29xx2版本具有使能功能(EN)输入,允许设备的开/关控制。
特殊的设计允许当设备被禁用时“零”电流漏出-只有微安培的泄漏电流流动。EN输入具有TTL/CMOS兼容阈值,用于简单的逻辑接口,或可以直接绑定到≤30V。启用调节器大约需要20 μ A的电流
本文来自互联网用户投稿,文章观点仅代表作者本人,不代表本站立场,不承担相关法律责任。如若转载,请注明出处。 如若内容造成侵权/违法违规/事实不符,请点击【内容举报】进行投诉反馈!
