Chapter 21 Amplifiers
Chapter 21 Amplifiers
这一章我们focus on single-stage CMOS amplifiers.
Gate-Drain-Connected Loads
这一节以gate-drain-connected MOSFET作为负载
Common-Source (CS) Amplifier
CS即gate为输入, drain为输出, drain接AC=0.
A gate-drain-connected MOSFET 的阻抗为1/gm, 四种常见架构:

The small-signal gain of the common-source amplifier:
V o u t V i n = − resistance in the drain resistance in the source = − g m 1 g m 2 \frac{V_{out}}{V_{in}}=-\frac{\text{resistance in the drain}}{\text{resistance in the source}}=-\frac{g_{m1}}{g_{m2}} VinVout=−resistance in the sourceresistance in the drain=−gm2gm1

带source degeneration

Miller’s Theorem 米勒定律
对于Cf 在运放输入输出两端. 等效为输入电容为Cf*Av.
定性理解为effective voltage across CF is Av + 1 times larger than the input signal itself. This large voltage drop across CF (one side going up by vin while the other side goes down by ) results in Av vin a large displacement current, which makes the capacitor appear larger than it really is. Cf两端电压差变大Av倍, 等效为电流变大, 电容变大.

Frequency Response

频率响应, 引入right-half plane zero (RFP 右零点) at, 导致gain上升, phase 下降
f z = g m 1 2 π C g d 1 f_z=\frac{g_{m1}}{2\pi C_{gd1}} fz=2πCgd1gm1
A Common-Source Current Amplifier
transimpedance amplifier, that is, voltage out and current in. 电流进, 电压出.

V o u t = − i i n 1 g m 3 g m 1 1 g m 2 V_{out}=-i_{in}\frac{1}{g_{m3}}g_{m1}\frac{1}{g_{m2}} Vout=−iingm31gm1gm21
因此Current Gain:
A R = V o u t i i n = − g m 1 g m 3 g m 2 A_R=\frac{V_{out}}{i_{in}}=-\frac{g_{m1}}{g_{m3}g_{m2}} AR=iinVout=−gm3gm2gm1
Common-Source Amplifier with Source Degeneration
在Source上加Rs是有用的, 可以降低effective gm.

g m , e f f e c t i v e = 1 1 g m + R s g_{m,effective}=\frac{1}{\frac{1}{g_m}+Rs} gm,effective=gm1+Rs1
当Rs较大时, 运放的gm就由1/Rs精确确定了.
输出阻抗:
R o = ( 1 + g m R ) r o R_o=(1+g_mR)r_o Ro=(1+gmR)ro
Noise Performance of the CS Amplifier with Gate-Drain Load

减小输入噪声最好的方式就是增大输入gm1, 和减小load gm2
The Source Follower (Common-Drain Amplifier)
Source Follower即gate为输入, source为输出, drain接AC=0

AC增益约为1

V o u t = V i n 1 / g m 1 1 / g m 1 + 1 / g m 2 V_{out}=V_{in}\frac{1/g_{m1}}{1/g_{m1}+1/g_{m2}} Vout=Vin1/gm1+1/gm21/gm1
输出阻抗:
R o u t = 1 g m 1 ∥ 1 g m 2 R_{out}=\frac{1}{g_{m1}}\parallel \frac{1}{g_{m2}} Rout=gm11∥gm21
Common Gate Amplifier
CG即source为输入, drain为输出, gate接AC=0

注意CG的增益是正值, 输出输入方向相同, 而CS的gain是反的, 增益形式类似

Current Source Loads
这一节以current source load作为负载, 以取得最大电阻
Common-Source Amplifier

Class A Operation
The CS amplifier in Fig. 21.17 is called a class A amplifier because, for proper operation, both MOSFETs are always conducting a current. 两个MOS 一直on 称为Class-A.
In a class B amplifier, only one MOSFET is conducting a current at a given time. 只有一个MOS on, 称为Class-B
In class AB amplifiers (which we’ll talk about later), both MOSFETs or a single MOSFET conduct a current at a given time. 两个MOS都on, 或者一个MOS on称为Class-AB.
Slew-Rate
I=C dv/dt. Slew rate: dV/dt = I/C
Small-Signal Gain
A V = V o V i = − g m 1 ( r o 1 ∥ r 02 ) A_{V}=\frac{V_o}{V_i}=-g_{m1}(r_{o1}\parallel r_{02}) AV=ViVo=−gm1(ro1∥r02)
Open Circuit Gain

High-Impedance and Low-Impedance Nodes
M1和M2的drain 为high-impedance node. 等效电阻为ro1并联ro2.
对于node连在MOS的source或者gate-drain connected, 为low-impedance node. 等效电阻为1/gm.
Frequency Response

在输入输出有两个极点: fin和fout

注意 对于fout, Cgd的引入导致Av下降, 产生 极点分离 (pole splitting), 即output实际的极点 pole会比预测的fout (Eq. 21.42)值大得多.
还有一个右零点:

因此传输函数Transfer Function: 两个极点, 一个右零点

Pole Splitting
above fin the gain of the amplifier, Av , decreases causing the effective input capacitance of the amplifier to decrease. 由于Cgs或者Cc的引入, 在高于fin频率, 增益Av下降, 因此在drain输出处fout(f2)这个高频极点会往后移, 推向更高的频率, 同时由于miller效应会把在gate处fin (f1) 这个低频极点往前移. 因此分开了极点.

Pole Splitting Summary
在M2的gate和drain之间加入Cc电容, 可得传输函数
右零点fz = gm2/Cc
first pole 主极点 在M2的gate输入, 等效电容=Miller Cap=gm2*R2 *Cc, 等效阻抗=R1, 因此f1=1/(gm2 *Miller Cap *R1)
second pole 次级点 在M2的drain输出, f2=gm2 * Cc / (Cc*C1 + C1 * C2 + Cc * C2)
C1为M2 gate电容, C2为 M2的输出电容, Cc为M2的gate和drain之间加入miller电容

假设主极点f1决定GBW, 则GBW
f G B W = g m 1 2 π C c f_{GBW}=\frac{g_{m1}}{2\pi C_{c}} fGBW=2πCcgm1
Cancelling the RHP Zero
消除右零点的方法: 1, 加入zero-nulling resistor Rz; 2, 只允许Output经过Cc往Input, 而不能input通过Cc往Output

加入Rz电阻可以消除RHP, 或者把zero推向LHP.
Any practical design where pole splitting is used should include the zero-nulling resistor Rz!

The Cascode Amplifier

Gain: Av=gm1 * Rout. Rout = gm*ro^2

Class A Operation
Input够低时, M1 off, M3和M4为current source
Noise Performance of the Cascode Amplifier

增大gm1有助于减小input-referred noise.
Operation as a Transimpedance Amplifier
current input and voltage output

R i n = R o c a s p g m r o = g m r o 2 g m r o R_{in}=\frac{Rocasp}{g_{m}r_{o}}=\frac{g_{m}r_o^{2}}{g_{m}r_{o}} Rin=gmroRocasp=gmrogmro2
Gain:

The Common-Gate Amplifier

M2的source作为input, M3,M4为PMOS cascode source, M1为NMOS current source
Gain
A v = v o u t v i n = g m n r o n A_v=\frac{v_{out}}{v_{in}}=g_{mn}r_{on} Av=vinvout=gmnron
The Source Follower (Common-Drain Amplifier)

vin=vgs2+vout
Gain
A v = v o u t v i n = g m 2 r o g m 2 r o + 1 ≈ 1 A_v=\frac{v_{out}}{v_{in}}=\frac{g_{m2}r_{o}}{g_{m2}r_{o}+1}\approx 1 Av=vinvout=gm2ro+1gm2ro≈1
The SF is a class A amplifier. The maximum output voltage then goes to VDD- VGS2. The minimum output voltage is set by the minimum voltage across the current source load (to keep the MOSFETs in the saturation region).
Body Effect and Gain

eta=0.25, gain is 0.8. 由于输入M1的body effect, gain有所降低. 消除body effect方法就是把body和source tie到一起.
Level Shifting
One of the important uses of an SF is to provide a DC level shift to an input voltage. SF一大作用就是产生DC level shift to input voltage. 这个对于改善input voltage range很有用.
Input Capacitance
For SF the source-gate capacitance doesn’t affect the input capacitance (unlike the CS amplifier, which can have a very large input capacitance due to the Miller effect).
对于SF, Cgs不影响input cap, 因为gate和source的变化方向一致, gain约为1, 所以displacement电流为零. Cgs不影响输入电容, The SF is often used on the input of amplifiers that must have low input capacitance (like in charge-amplification applications). SF常用于对输入电容敏感的电路.
Noise Performance of the SF Amplifier
SF’s gain is close to one, the input-referred noise is nearly equal to the output noise PSD. Again, by using a large value of gm1, we can minimize both the input-referred and output noise.
SF gain=1, input noise=output noise, 减小噪声方法只能减小输入gm.
Frequency Behavior
在gate端口加一个Zs, The impedance looking into the source of a MOSFET as a function of frequency is

We note that at low frequencies the impedance is resistive and has a value of 1/gm. However, at higher frequencies and with a resistive source impedance, that is, Zs = Rs , the impedance looking into the source appears to be the series connection of a resistor with a value of 1/gm and an inductor of value.
在低频时impedance =1/gm, 在高频时为Rs. 因此像一个电感.
把Zs换成一个电感, Zs =jwL, 在高频下source还能为负, 产生震荡. 正好用于microwave frequency oscillator

SF as an Output Buffer
SF常用于链接high-impedance高阻节点到load resistance, 来保持gain高, 或者提供驱动能力.
例如下图中为casecode添加PMOS M7 buffer

A Class AB Output Buffer Using SFs
SF可用于Class AB buffer. 当Vin=0V时, M3,M4和M1,M2的电流都能确定(这一点很重要)
这个buffer的主要问题是G2_max=VDD, G1_min=VSS. 因此Vout_max=VDD-Vthn, Vout_min=Vthp. Vout输出范围受限.

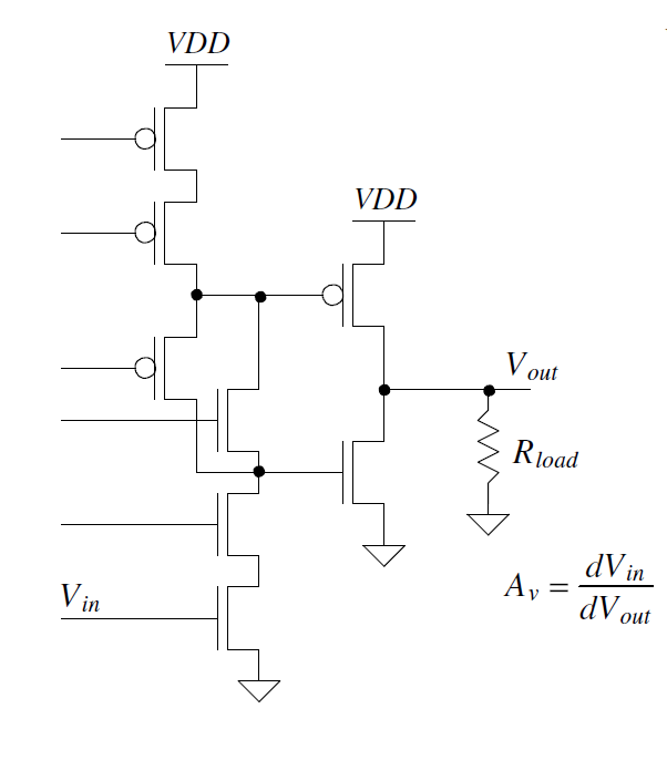
The Push-Pull Amplifier

当输出需要 rail to rail (VDD to GND)时, 需采用Class AB- push pull amplifier. Im2 mirror Im4, Im1 mirror Im3. Ibias为floating current source.
DC Operation and Biasing

If the input current is positive, the gate of MOP is charged up and thus MOP shuts off. At the same time, MFCP turns on (more), causing the gate of MON to go up, turning it on further. If the input current is negative, MOP turns on and MON shuts off. Iin为正, MOP turns off, MFCP 电流更大, 导致MON开启更大.

这是电压控制, M3, M4形成common-source amplifier with current source load.
Small-Signal Analysis
最后一级增益:
v o u t = − ( g m o n + g m o p ) v i n R l o a d v_{out}=-(g_{mon}+g_{mop})v_{in}R_{load} vout=−(gmon+gmop)vinRload
上图Push-pull整体增益:
A V = g m n ( g m n r o n 2 ∥ g m p r o p 2 ) ( g m o n + g m o n ) R l o a d A_{V}=g_{mn}(g_{mn}r_{on}^{2}\parallel g_{mp}r_{op}^{2})(g_{mon}+g_{mon})R_{load} AV=gmn(gmnron2∥gmprop2)(gmon+gmon)Rload
对于小信号增益, 可能有人会想MFCN或者MFCP是source接, impedance是1/gm. 其实不然,MFCN和MFCP形成negative feedback, 不会降低输出阻抗的.
考虑下图:

v i / i t = R n c a s v_i/i_t=R_{ncas} vi/it=Rncas
本文来自互联网用户投稿,文章观点仅代表作者本人,不代表本站立场,不承担相关法律责任。如若转载,请注明出处。 如若内容造成侵权/违法违规/事实不符,请点击【内容举报】进行投诉反馈!
