buck电路matlab,buck变换器介绍_buck变换器matlab仿真
描述
BUCK 电路是一种降压斩波器,降压变换器输出电压平均值UO 总是小于输入电压Ui。通常电感中的电流是否连续,取决于开关频率、滤波电感L 和电容C 的数值。
简单的BUCK 电路输出的电压不稳定,会受到负载和外部的干扰,当加入PID控制器,实现闭环控制。可通过采样环节得到PWM 调制波,再与基准电压进行比较,通过PID控制器得到反馈信号,与三角波进行比较,得到调制后的开关波形,将其作为开关信号,从而实现BUCK 电路闭环PID 控制系统。
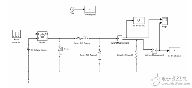
主电路设计

该电路设计能实现的功能为以下几点:
输入直流电压(VIN):15V
输出电压(VO) :5V
输出电流(IN):10A
输出电压纹波峰-峰值
Vpp《 50mV
锯齿波幅值Um=1.5V
采样网络传函H(s)=0.3
BUCK主电路二极管的通态压降VD 0.5V,
电感中的电阻压降VL=0.1V,开关管导通压降VON=0.5V,滤波电容C 与电解电容的乘积为75μΩ*F。
buck变换器PID控制的参数设计
PID 控制是根据偏差的比例P)、积分I)、微分D)进行控制,是控制系统中应用最为广泛的- 一种控制规律。通过调整比例、积分和微分三项参数,使得大多数工业控制系统获得良好的闭环控制性能。
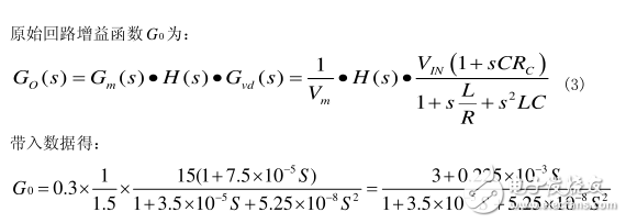
主电路传递函数分析

主电路


补偿器伯德图

超前滞后校正器的伯德图
加入补偿器后

加入补偿器后系统的伯德图
BUCk变换器系统仿真模型图及仿真结果

主电路仿真图

仿真波形

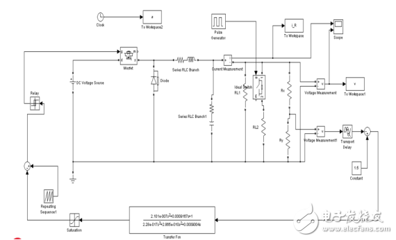
加PID控制的仿真电路

仿真波形
打开APP精彩内容
点击阅读全文
本文来自互联网用户投稿,文章观点仅代表作者本人,不代表本站立场,不承担相关法律责任。如若转载,请注明出处。 如若内容造成侵权/违法违规/事实不符,请点击【内容举报】进行投诉反馈!
