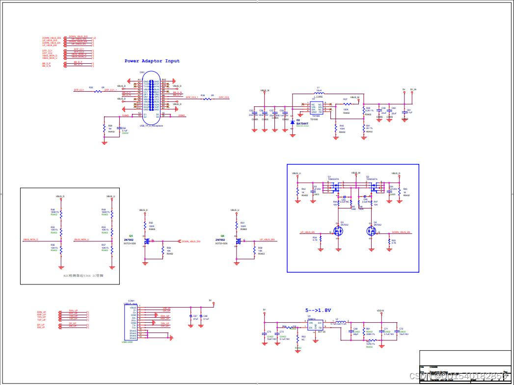
CS5466+VL171方案应用原理图|Typec母座正反插转HDMI带PD快充方案设计原理
CS5466国产Typec音视频转换芯片方案,搭配威锋VL171设计应用Typec母座正反插转HDMI带PD快充方案。Type-C/DP1.4转HDMI2.1的显示协议转换芯片, 内部集成了PD3.0及DSC decoder,可支持DP 2Lane 8K30或4K144, 并能按客户需求配置成不同的功能组合。
CS5466+VL171方案应用原理图:

CS5466 支持USB Type-C,HDMI2.1输出 ·HDMI输出48Gbps(FRL,12G4Lane) ·支持4K@120Hz 格式 ·支持DSC ·支持音频SPDIF/I2S/HBR/DSD/TDM格式.DSC支持RGB, YCbCr4:4:4, YCbCr4:2:2, Native YCbCr4:2:2, YCbCr4:2:0。
本文来自互联网用户投稿,文章观点仅代表作者本人,不代表本站立场,不承担相关法律责任。如若转载,请注明出处。 如若内容造成侵权/违法违规/事实不符,请点击【内容举报】进行投诉反馈!
