[Arduino Uno 实验]使用Arduino Uno开发板与无源蜂鸣器播放乐曲
目录
- 前言
- 一、无源蜂鸣器电路
- 二、MIDI文件转换
- 三、实例分析
前言
本实验结合python程序转换,利用Arduino开发板配合无源蜂鸣器电路播放任意MIDI乐曲。
MIDI:MIDI是编曲界最广泛的音乐标准格式,可称为“计算机能理解的乐谱”。它用音符的数字控制信号来记录音乐。一首完整的MIDI音乐只有几十KB大,而能包含数十条音乐轨道。
无源蜂鸣器:无源蜂鸣器利用电磁感应现象,为音圈接入交变电流后形成的电磁铁与永磁铁相吸或相斥而推动振膜发声,接入直流电只能持续推动振膜而无法产生声音,只能在接通或断开时产生声音。
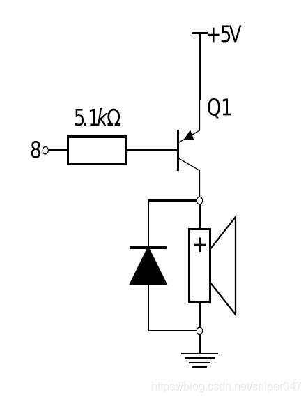
一、无源蜂鸣器电路

如图所示,连接好电路,并将8号端点连接Arduino Uno开发板上的8号数字I/O端口。
我们知道,Arduino Uno开发板的数字I/O端口通过PWM1的方式进行模拟信号输出,无源蜂鸣器在外加直流电压的前提下接受该模拟信号即可发出相应频率的声音。
二、MIDI文件转换
对于任意MIDI音频文件,我们可以提取其各个轨道的信息,经过适当的转换后得到各个音的频率与发音时间,再结合Arduino开发板的一些功能,就可以利用蜂鸣器播放相应的音乐了。
MIDI文件转换程序将MIDI文件转换为cpp格式,将转换后的cpp代码粘贴到ArduinoUno IDE并上传到开发板即可运行。转换程序支持设定播放乐曲的目标速率(bpm)。
转换程序的代码如下(有缺省):
import mido
import time
from alive_progress import alive_barmid = mido.MidiFile() # midi文件
file_name = "" # 文件名
bpm = 0 # 速率
track_count=0#轨道数
note_count=0#音符数note_list = [] # 频率表
dura_list = [] # 延时表#88键频率对照表
fre_list = []#此处省略具体内容def tick2time(bpm, tick):'''根据bpm计算音符持续时间(ms)'''t = 60*1000/bpm # 拍时return round(tick/mid.ticks_per_beat*t)def create_cpp():'''由midi文件生成对应cpp文件'''global track_count,note_count,note_list, dura_list with alive_bar(len(mid.tracks)) as bar:for track in mid.tracks:bar()for i, msg in enumerate(track):if msg.type == "note_on":if i == len(track)-1 or track[i+1].type == "note_off":if msg.time != 0:note_list.append(0)dura_list.append(tick2time(bpm, msg.time))note_list.append(fre_list[msg.note-21])elif msg.type == "note_off":if i == len(track)-1 or track[i+1].type == "note_on":dura_list.append(tick2time(bpm, msg.time))with open(file_name.split('.')[0]+f'--track_{track_count}'+'.cpp', 'w') as f:f.write(f'\nint melody[{max(len(dura_list),len(note_list))+1}]='+str(note_list).replace('[', '{').replace(']', '}')+';')f.write(f'\nint noteDurations[{max(len(dura_list),len(note_list))+1}]='+str(dura_list).replace('[', '{').replace(']', '}')+';')f.write('\nvoid setup() {')f.write('\n}')f.write('''\nvoid loop(){ for(int thisNote = 0; thisNote < sizeof(melody)/4; thisNote ++){tone(8,melody[thisNote],noteDurations[thisNote]);delay(noteDurations[thisNote]);noTone(8);}}''')track_count+=1note_count+=len(note_list)note_list = [] dura_list = [] if __name__ == "__main__":print("========================================================")print("Program started.\n")file_name = input('please input the file name (same path):')bpm = int(input('please input the playing speed (bpm):'))print('\n\nProcessing...\n')mid = mido.MidiFile(file_name) # 打开midi文件create_cpp()print(f'\n\nCompleted. \n{track_count} tracks found. \n{note_count} notes created in total.')print("\n========================================================")input("\nPress any key to exit...")
三、实例分析
以一首Astronomia为例,将文件拷贝到转换程序同一目录下,运行转换程序,输入“Astronomia.mid”与“80”(bpm),等待程序运行,得到结果。
转换结果如下(Astronomia,共266个音符):
int melody[267]={0, 523, 466, 0, 440, 349, 392, 0, 392, 0, 587, 0, 523, 0, 466, 0, 440, 0, 440, 0, 523, 0, 466, 0, 440, 392, 0, 392, 0, 932, 880, 932, 880, 932, 392, 0, 392, 932, 880, 932, 880, 932, 392, 0, 392, 587, 523, 0, 466, 0, 440, 0, 440, 440, 0, 523, 0, 466, 0, 440, 0, 392, 0, 392, 0, 932, 880, 932, 0, 880, 932, 392, 0, 392, 932, 0, 880, 932, 0, 880, 932, 392, 0, 392, 587, 0, 523, 0, 466, 0, 440, 0, 440, 0, 523, 0, 466, 0, 440, 0, 392, 0, 392, 0, 932, 880, 0, 932, 880, 0, 932, 392, 0, 392, 0, 932, 880, 0, 932, 880, 932, 0, 466, 466, 466, 466, 0, 587, 587, 587, 587, 523, 523, 523, 523, 698, 698, 698, 698, 0, 784, 784, 784, 784, 784, 784, 784, 784, 784, 784, 784, 784, 0, 523, 466, 440, 349, 392, 0, 392, 0, 587, 0, 523, 0, 466, 0, 440, 0, 440, 0, 440, 523, 0, 466, 0, 440, 0, 392, 0, 392, 0, 932, 880, 932, 880, 0, 932, 392, 0, 392, 932, 880, 932, 880, 932, 392, 0, 392, 587, 523, 0, 466, 0, 440, 0, 440, 0, 523, 0, 466, 0, 440, 0, 392, 0, 392, 932, 0, 880, 932, 0, 880, 0, 932, 392, 0, 392, 0, 932, 0, 880, 932, 0, 880, 932, 466, 466, 466, 466, 587, 587, 587, 587, 523, 523, 523, 523, 0, 698, 698, 698, 698, 0, 784, 784, 784, 784, 784, 784, 784, 784, 784, 784, 784, 784};
int noteDurations[267]={9000, 375, 281, 94, 281, 469, 375, 188, 281, 94, 281, 188, 375, 375, 281, 469, 375, 281, 375, 375, 375, 281, 281, 94, 375, 469, 94, 375, 94, 375, 375, 281, 375, 375, 375, 281, 375, 375, 375, 375, 281, 469, 375, 281, 375, 281, 562, 188, 375, 375, 469, 188, 375, 375, 94, 375, 281, 281, 94, 281, 94, 375, 281, 281, 94, 281, 375, 281, 94, 375, 469, 375, 188, 375, 281, 94, 375, 281, 94, 281, 469, 469, 188, 281, 375, 94, 469, 188, 375, 375, 375, 281, 469, 188, 469, 375, 375, 94, 281, 94, 375, 94, 375, 94, 281, 375, 94, 281, 281, 94, 562, 375, 94, 375, 94, 281, 281, 94, 281, 375, 562, 94, 375, 281, 375, 281, 94, 281, 375, 281, 281, 375, 375, 375, 375, 281, 281, 375, 281, 94, 375, 375, 375, 375, 281, 281, 281, 375, 375, 375, 375, 375, 94, 375, 375, 375, 281, 375, 375, 281, 94, 281, 94, 375, 281, 375, 375, 469, 281, 281, 94, 281, 375, 375, 281, 94, 281, 94, 375, 281, 281, 94, 281, 375, 375, 281, 94, 375, 375, 281, 375, 375, 281, 375, 375, 469, 375, 281, 281, 375, 469, 281, 375, 281, 469, 281, 469, 281, 375, 281, 375, 94, 281, 94, 375, 188, 375, 375, 94, 281, 281, 94, 281, 94, 469, 375, 94, 281, 188, 281, 94, 281, 375, 94, 281, 375, 375, 375, 375, 375, 281, 375, 281, 375, 375, 375, 281, 375, 94, 375, 375, 281, 375, 94, 375, 281, 375, 281, 375, 375, 281, 281, 281, 375, 281};
void setup() {
}
void loop(){ for(int thisNote = 0; thisNote < sizeof(melody)/4; thisNote ++){tone(8,melody[thisNote],noteDurations[thisNote]);delay(noteDurations[thisNote]);noTone(8);}}
经过实际测试,该c++程序在ArduinoUno开发板上运行良好,蜂鸣器可以正确播放整首抬棺曲~
脉冲宽度调制(PWM)是一种模拟控制方式,根据相应载荷的变化来调制晶体管基极或MOS管栅极的偏置,来实现晶体管或MOS管导通时间的改变,从而实现开关稳压电源输出的改变。这种方式能使电源的输出电压在工作条件变化时保持恒定,是利用微处理器的数字信号对模拟电路进行控制的一种非常有效的技术。 ↩︎
本文来自互联网用户投稿,文章观点仅代表作者本人,不代表本站立场,不承担相关法律责任。如若转载,请注明出处。 如若内容造成侵权/违法违规/事实不符,请点击【内容举报】进行投诉反馈!
