无稳态自激谐振器
首先,什么是无稳态自激谐振器?
顾名思义,所谓的无稳态就是电路中没有稳定状态,任何时刻都是在变化的。自激谐振即不需要任何的控制就能自己产生震荡。
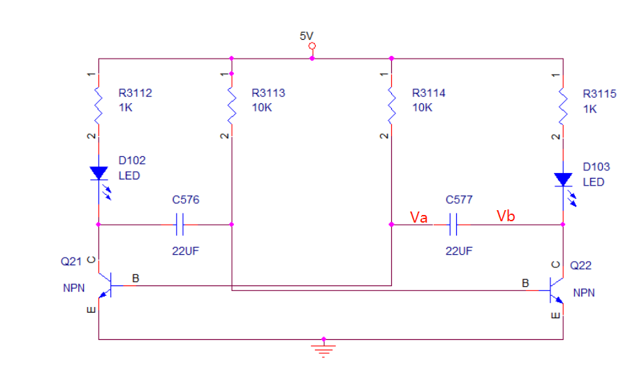
下图是无稳态自激谐振器的电路设计。

为方便分析该电路,下文讲解一下该电路的基本原理(与实际稍有偏差,后续将进一步通过抓取波形进行分析):
该电路主要运用了电容两端电压不能突变的原理。由于该电路具有互补对称性,从理论上来说,该电路Q21和Q22的N型三极管应该是同时关断或同时导通的。但是由于每根管子在生产的时候,都具有一定的差异,导致同时上电的三极管会产生先后导通的差异。
我们假设Q21比Q22先导通,那么当Q21导通时,该集电极C点将会被拉低到地,此时D102导通,该LED点亮。因为Q21的集电极C点为0V,又因为电容两端电压不能突变的原因,C576两端电压会维持在Q21导通之前的C576电压,因此C576两端的电压都是0V。
此时,VCC通过R3113电阻对C576电容进行充电,当充电到0.7V时,Q22三极管会导通。原先C577电容两端电压为0V,那么Q22导通瞬间,C577电容两端电压在该时刻也会维持在0V,Q21三极管基级B给拉低到0V,Q21关断。此时,VCC对C577电容进行充电,充电到0.7V时,Q21再次导通。反复循环即可点亮LED灯。
下图是Q21基级的电压波形图(深入分析):
该波形上升到0.7V后有一个平台时间,该平台持续时间即为C576充电到0.7V使Q22导通所需要的时间。
我们可以看到,该基级的负压最大会达到-2.4V左右(VCC我使用了5V进行供电)。为什么呢?
这是因为当Q21基级电压达到0.7V时,稳定了一段时间。该稳定的时间,导致有部分电流,通过R3115、D103再到流入C577电容,该过程会对C577进行充电。
为了进一步验证该现象,我抓取了C577两端的波形如下图所示(通道1为Q21基级电压,通道二为Q22集电极电压):
从上图我们能可以看到,通道1维持在0.7V的时候,通道二的电压仍在爬坡,爬坡波形和电容充电波形基本一致。最高爬坡点为3.1V左右,3.1V-0.7V=2.4V,该电压刚好是电容两端的电压。
综上,我们可以得出Q22导通时,因为电容两端电压不能突变,因此Q21基级电压为-2.4V。
同时,我们可以也发现无稳态自激谐振器用于LED灯交替闪烁时,会出现两个LED均同时亮的情况(其中1个LED会逐渐变暗)
补充:该电路中,R3112和R3115电阻的作用是限流,用于控制LED的亮度。R3113和R3114电阻用于控制VCC对电容充电的速度,也就是说,改变R3113和R3114电阻或C576和C577电容可以调整LED交替闪烁的频率。
本文来自互联网用户投稿,文章观点仅代表作者本人,不代表本站立场,不承担相关法律责任。如若转载,请注明出处。 如若内容造成侵权/违法违规/事实不符,请点击【内容举报】进行投诉反馈!
