使用matlab如何求经过bp神经网络计算后的输出值
第一种方法:
首先需要使用matlab搭建一个bp神经网络,然后搭建完成之后,在命令界面 gensim(xxx,-1)命令,xxx为训练好的网络,这个时候网络模型就已经搭建好了并且可以使用了,模型如下:

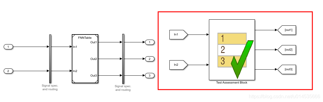
将模型添加一个输入,和两个输出,变成2输入和3输出

本来想使用使用test harness计算输出值,先选择Test Harness,然后记得选择add separate assessment block,不选择的话,2个输入和3个输出不会被带入计算


创建完成后大概是这个样子

添加了输出,更改之后变成下面这个样子,也不知道对不对,双击这个模块可以更改和运行

我运行之后也没有出现什么结果或者表格什么的,后面就不知道怎么做了,抓腮,如果谁会请留言,欢迎讨论。

第二种方法:
就是在神经网络建立完成并应用之后使用disp展示神经网络结果,不用使用plot画图,结果就可以在控制台显示了
disp用来展示变量的内容,可以是字符串,元胞,矩阵,结构体,相当于print。
例如下面这个bp神经网络训练
t=importdata('tttt.txt');%矩阵
p=importdata('pppp.txt');%矩阵
net=newff(p,t,14,{},'traingdx');%新建一个bp网络
net.trainParam.epoches=1000;%训练次数
net.trainParam.goal=0.001;%误差
nett=train(net,p,t);%训练
Y=sim(net,t);%测试训练好的神经网络
disp(Y) %显示Y的值,不管是任何形式的Y
结果

本文来自互联网用户投稿,文章观点仅代表作者本人,不代表本站立场,不承担相关法律责任。如若转载,请注明出处。 如若内容造成侵权/违法违规/事实不符,请点击【内容举报】进行投诉反馈!
