51单片机-LCD1602显示(无字库)
51单片机-LCD1602显示(无字库)
- LCD1602液晶显示屏显示
- 字符显示
- 汉字的显示
- LCD1602液晶显示屏引脚说明
- LCD1602液晶显示屏11条控制指令
- LCD1602读写时序图
- LCD1602的RAM地址映射
- LCD1602默认字库
LCD1602液晶显示屏显示
字符显示
用LCD显示一个字符时比较复杂,因为一个字符由6×8或8×8点阵组成,既要找到和显示屏幕上某几个位置对应的显示RAM区的8字节,还要使每字节的不同位为“1”,其它的为“0”,为“1”的点亮,为“0”的不亮。这样一来就组成某个字符。但由于内带字符发生器的控制器来说,显示字符就比较简单了,可以让控制器工作在文本方式,根据在LCD上开始显示的行列号及每行的列数找出显示RAM对应的地址,设立光标,在此送上该字符对应的代码即可。
汉字的显示
汉字的显示一般采用图形的方式,事先从微机中提取要显示的汉字的点阵码(一般用字模提取软件),每个汉字占32B,分左右两半,各占16B,左边为1、3、5……右边为2、4、6……根据在LCD上开始显示的行列号及每行的列数可找出显示RAM对应的地址,设立光标,送上要显示的汉字的第一字节,光标位置加1,送第二个字节,换行按列对齐,送第三个字节……直到32B显示完就可以LCD上得到一个完整汉字。
LCD1602液晶显示屏引脚说明
| 引脚 | 功能 |
|---|---|
| VDD | 电源正极 |
| VSS | 电源地 |
| VL | 液晶显示偏压 |
| RS | 数据/命令选择 |
| R/W | 读/写选择 |
| E | 使能信号 |
| D0~D7 | 数据 |
| BLA | 背光源正极 |
| BLK | 背光源负极 |
- VSS为地电源。
- VDD接5V正电源。
- VL为液晶显示器对比度调整端,接正电源时对比度最弱,接地时对比度最高,对比度过高时会产生“鬼影”,使用时可以通过一个10K的电位器调整对比度。 >* RS为寄存器选择,高电平时选择数据寄存器、低电平时选择指令寄存器。
- R/W为读写信号线,高电平时进行读操作,低电平时进行写操作。当RS和R/W共同为低电平时可以写入指令或者显示地址,当RS为低电平R/W为高电平时可以读忙信号,当RS为高电平R/W为低电平时可以写入数据。
- E端为使能端,当E端由高电平跳变成低电平时,液晶模块执行命令。
- D0~D7为8位双向数据线。
- BLA背光源正极。
- BLK背光源负极。
LCD1602液晶显示屏11条控制指令
| 指令 | RS R/W D7 D6 D5 D4 D3 D2 D1 D0 |
|---|---|
| 清显示 | 0 0 0 0 0 0 0 0 0 1 |
| 光标返回 | 0 0 0 0 0 0 0 0 1 * |
| 置输入模式 | 0 0 0 0 0 0 0 1 I/D S |
| 显示开/关控制 | 0 0 0 0 0 0 1 D C B |
| 光标或字符移位 | 0 0 0 0 0 1 S/C R/L * * |
| 置功能 | 0 0 0 0 1 DL N F * * |
| 置字符发生存贮器地址 | 0 0 0 1 字符发生存贮器地址 |
| 置数据存贮器地址 | 0 0 1 显示数据存贮器地址 |
| 读忙标志或地址 | 0 1 BF 计数器地址 |
| 写数到CGRAM或DDRAM | 1 0 要写的数据内容 |
| 从CGRAM或DDRAM读数 | 1 1 读出的数据内容 |
- 清显示,指令码01H,光标复位到地址00H位置。
- 光标复位,光标返回到地址00H。
- 光标和显示模式设置 I/D:光标移动方向,高电平右移,低电平左移 S:屏幕上所有文字是否左移或者右移。高电平表示有效,低电平则无效。
- 显示开关控制。 D:控制整体显示的开与关,高电平表示开显示,低电平表示关显示 C:控制光标的开与关,高电平表示有光标,低电平表示无光标 B:控制光标是否闪烁,高电平闪烁,低电平不闪烁。
- 光标或显示移位 S/C:高电平时移动显示的文字,低电平时移动光标。
- 功能设置命令 DL:高电平时为4位总线,低电平时为8位总线 N:低电平时为单行显示,高电平时双行显示 F: 低电平时显示5x7的点阵字符,高电平时显示5x10的点阵字符。
- 字符发生器RAM地址设置。
- DDRAM地址设置。
- 读忙信号和光标地址 BF:为忙标志位,高电平表示忙,此时模块不能接收命令或者数据,如果为低电平表示不忙。
- 写数据。
- 读数据。
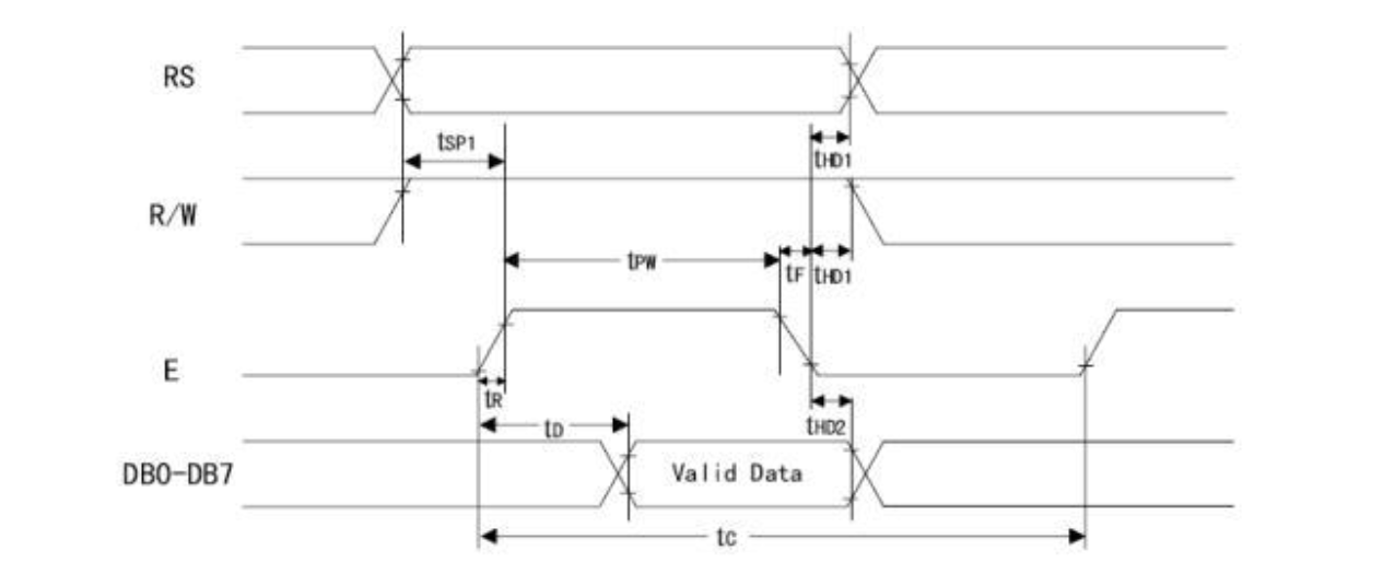
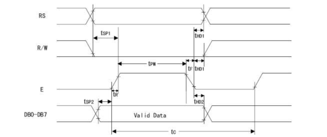
LCD1602读写时序图


| 符号 | 时限 |
|---|---|
| tc | 400ns~ |
| tpw | 150ns~ |
| tr,tf | ~25ns |
| tsp1 | 30ns~ |
| thd1 | 10ns~ |
| td | ~200ns |
| thd2 | 20ns~ |
| tsp2 | 40ns~ |
LCD1602的RAM地址映射

LCD1602默认字库

其中00H-07H用户可以自定义保存字符。通过字模软件或者自己编写字模代码写入字库中,后期可以调用使用。
下面为参考程序
/*delayms()函数自己补全*/
#define EN P3^4
#define RS P3^5
#define RW P3^6
#define DATAPORT P0sbit En = EN;
sbit Rs = RS;
sbit Rw = RW;void lcd_delayms(){ unsigned int x,y;for(x=1;x>0;x--)for(y=114;y>0;y--);
}unsigned char StrLen(char *str){unsigned char num=0;unsigned char i=0;while(str[i++]!='\0')num++;return num;
}unsigned char StrLen(char *str){unsigned char num=0;unsigned char i=0;while(str[i++]!='\0')num++;return num;
}/*用于向LCD1602发送指令码*/
void Lcd1602_SendCode(unsigned char codes){Rs = 0;Rw = 0;En = 0;DATAPORT = codes;lcd_delayms();En = 1;lcd_delayms();En = 0;DATAPORT = 0XFF;
}/*用于向LCD1602发送数据*/
void Lcd1602_SendData(unsigned char datas){Rs = 1;Rw = 0;En = 0;DATAPORT = datas;
lcd_delayms();En = 1;
lcd_delayms();En = 0;DATAPORT = 0XFF;
}/*LCD1602初始化*/
void Lcd1602_Init(){Lcd1602_SendCode(0x38); //设置16*2显示,5*7点阵,8位数据接口Lcd1602_SendCode(0x38); //设置16*2显示,5*7点阵,8位数据接口Lcd1602_SendCode(0x38);Lcd1602_SendCode(0x08); //只开显示Lcd1602_SendCode(0x01); //清屏,光标复位到地址00H位置/*光标右移|显示移动:0x07*//*光标右移|显示不移动:0x06*//*光标左移|显示移动:0x05*//*光标左移|显示不移动:0x04*/Lcd1602_SendCode(0x06);/*显示开|光标显示|光标闪烁:0x0f*/ /*显示开|光标显示|光标不闪烁:0x0e*/ /*显示开|光标不显示:0x0c*/ Lcd1602_SendCode(0x0c);}/*LCD1602单个字节显示在屏幕固定位置*/
//POSI为LCD1602屏幕位置,datas为显示字符
void Lcd1602_Byte_Show(unsigned char POSI,unsigned char datas){Lcd1602_Init();if(POSI>15)Lcd1602_SendCode(0x80|((0x80|(POSI-16))+0x40));else Lcd1602_SendCode(0x80|POSI);Lcd1602_SendData(datas);
}/*LCD1602双行显示同一字符串*/
//str为显示字符串,time为单个字符出现的先后时间
void Lcd1602_String_Repeat(unsigned char *str,unsigned char time)
{ unsigned char x; unsigned char num=StrLen(str);Lcd1602_Init();Lcd1602_SendCode(0x80); for(x=0;x<num;x++){Lcd1602_SendData(str[x]);delayms(time);}Lcd1602_SendCode(0x80+0x40); for(x=0;x<num;x++){Lcd1602_SendData(str[x]);delayms(time);}
}/*LCD1602显示完整字符串(不超过两行)*/
//str为显示字符串,time为单个字符出现的先后时间
void Lcd1602_String_noRepeat(unsigned char *str,unsigned char time)
{ unsigned char x; unsigned char num=StrLen(str);Lcd1602_Init();Lcd1602_SendCode(0x80); for(x=0;x<num;x++){Lcd1602_SendData(str[x]);delayms(time);}
if(num>16){Lcd1602_SendCode(0x80+0x40); for(x=16;x<num;x++){Lcd1602_SendData(str[x]);delayms(time);}
}
else{
}
}/*LCD1602固定位置显示字符串*/
//colu_posi为显示的液晶行位(0:第一行,1:第二行),arr_posi为显示在单行的位置,str为显示字符串
void Lcd1602_String_FixPosi(bit colu_posi,unsigned char arr_posi,unsigned char *str) //posi为十六进制
{ // colu_posi,0为第一行unsigned char x=0;unsigned char temp; unsigned char str_num = StrLen(str);if(colu_posi)temp = (0x80|arr_posi)+0x40;else temp = (0x80|arr_posi);Lcd1602_Init();Lcd1602_SendCode(temp); for(;x<str_num;x++)Lcd1602_SendData(str[x]);
}//sav_posi只能为0-7
void Down_To_Cgrom(unsigned char sav_posi,unsigned char *table){unsigned char m;sav_posi=sav_posi<<3;
Lcd1602_Init();Lcd1602_SendCode(0x40|sav_posi);for(m=0;m<8;m++) //将table[]中的数据依次写入1602显示 { Lcd1602_SendData(table[m]); }
}
您的点赞是我创造的动力 ^v^~~!
本文来自互联网用户投稿,文章观点仅代表作者本人,不代表本站立场,不承担相关法律责任。如若转载,请注明出处。 如若内容造成侵权/违法违规/事实不符,请点击【内容举报】进行投诉反馈!
