对给定干扰信号的simulink数字控制系统仿真
参数
| T, с | Вид возмущения |
| 0.2 | 2e^(−kT)sin(3kT) + 0.1 |
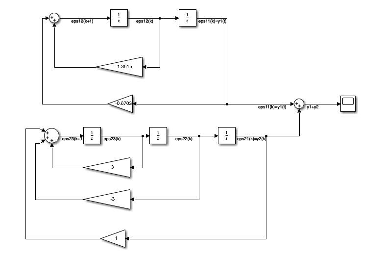
建立离散状态方程
干扰信号有如下形式:
![]()
取样时间为T=0.2.
分解成两个信号加的形式

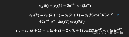
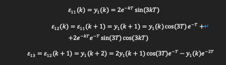
对于第一个信号


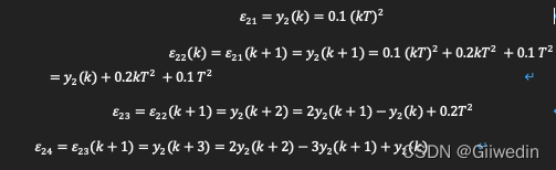
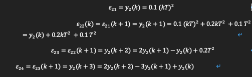
对于第二个信号:


根据状态方程建立simulink模型


相关文章:
使用simulink仿真连续(离散)线性定长系统全维渐进状态观测器_Giiwedin的博客-CSDN博客
使用drem对控制系统进行参数估计simulink仿真_Giiwedin的博客-CSDN博客
对给定干扰信号的simulink数字控制系统仿真_Giiwedin的博客-CSDN博客_simulink扰动信号
二相混合式步进电机闭环矢量控制simulink仿真(含仿真文件)_Giiwedin的博客-CSDN博客_步进电机数学模型
二相混合式步进电机开环细分控制simulink建模仿真含模型文件_Giiwedin的博客-CSDN博客
本文来自互联网用户投稿,文章观点仅代表作者本人,不代表本站立场,不承担相关法律责任。如若转载,请注明出处。 如若内容造成侵权/违法违规/事实不符,请点击【内容举报】进行投诉反馈!
