第28讲 微操作与寄存器传输
微操作与寄存器传输
- 1.微操作
- 2.寄存器传输
- 2.1专用线路
- 2.2基于BUS的多寄存器传输
1.微操作
●RTL
1).寄存器传输语言(Register Transfer Language)
2).寄存器传输级( Register Transfer Level )
●微操作:不再细分的操作
1).传送微操作:将数据从一个Reg传送到另一个Reg.
R2←R1
2).算术微操作:对寄存器中的数据进行算术运算
3).加减法微操作
4).逻辑微操作
可以改变寄存器某些位的值,如清零或置1
5).移位微操作
逻辑移位:位置变化
算术移位:符号不变,值的大小变化
2.寄存器传输
2.1专用线路
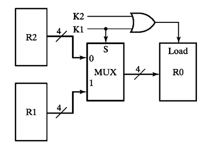
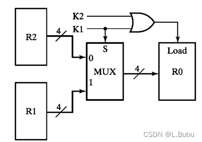
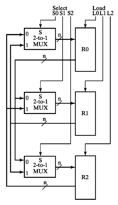
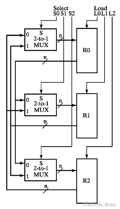
●多源单目标

●多源多目标:可同时传送

每一个多路复用器仅为一个寄存器提供数据,寄存器之间数据的互传可以同时进行,当寄存器数目较多时,成本会比较高,欲降低成本,需使用共享通道。
2.2基于BUS的多寄存器传输
●三态输出结构:

如图,当EN为0时,C为1,D为0,OUT既不接高电平也不接低电平,此时输出为高阻态。
特点:
1).除0和1外还有第三个状态Z
2).多个三态输出可以连接在一起,共享数据通路
3).可能出现冲突
4).使用时先下线,后上线
5).三态输出结构可用于任意逻辑门
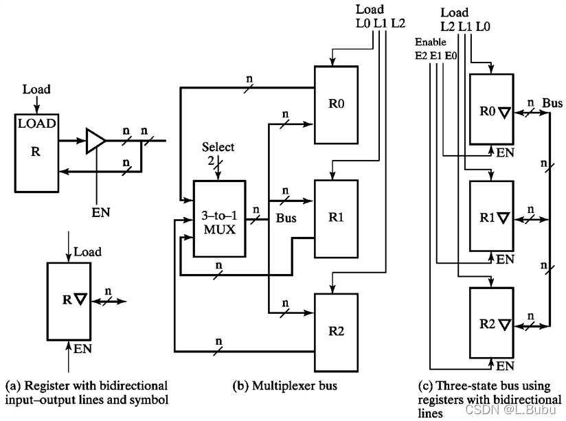
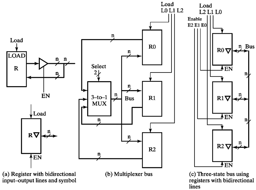
●三态总线:连接在三态门输出端的总线,三态公共线路,比MUX面积小很多,可双向传送。

a为带三态输出端的双向传输寄存器电路及其封装表示,b为结合多路复用器的多个寄存器数据传输,c为使用三态总线的多个寄存器双向数据传输电路。
本文来自互联网用户投稿,文章观点仅代表作者本人,不代表本站立场,不承担相关法律责任。如若转载,请注明出处。 如若内容造成侵权/违法违规/事实不符,请点击【内容举报】进行投诉反馈!
