swiper指示点 在图下面_【三菱PLC指令教程】步进指令应用之并行序列状态转移图编程...
戳上方 蓝字 "PLC课程” 关注我们哦!

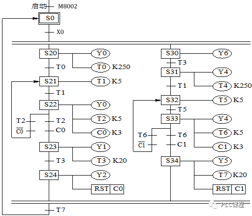
由两个及以上的分支程序组成,各分支同时运行的程序,称为并行序列状态转移图程序。下图是具有两个分支,两个分支并行运行的程序,其特点如下:

1)、分支点和混合点用双横线表示。
2)、先有转换条件再分支,先混合再有转换条件。也即并行性流程程序的各个支路同时进,同时出。
3)、为了减少编写程序时出错的情况,最好在每个分支序列的最后设计一个等待步,当本分支流程结束,就进入等待步,等待其它分支也进入等待步,再一起进入下面的流程程序中。象上面第1分支中的S22步和第2分支中的S32步,就是等待步,此两步不带任何动作。
4)、等待步S22步和S23步都为1,则表示各个分支程序都执行完,则进入S23步,M8000为转换条件,表示条件永远达到。
5)、转换梯形图的方法与选择序列基本相同。


控制要求:
信号灯的动作受总开关控制,按一下启动按钮,信号灯系统开始工作,并周而复始地循环动作;按一下停止按钮,所有信号灯都熄灭。信号灯控制的具体要求如下表所示。

解:(1)I/O分配及接线图:
根据控制要求,其I/O分配和接线图如下图所示。

图中用一个输出点驱动两个信号灯,如果PLC输出点的输出电流不够,可以用一个输出点驱动一个信号灯,也可以在PLC输出端增设中间继电器,由中间继器再去驱动信号灯。
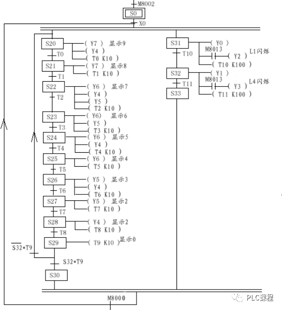
(2)状态转移图:
东西方向和南北方向信号灯的动作过程也可以看成是两个独立的顺序动作过程。其状态转移图如下图所示。它具有两条状态转移支路,其结构为并联分支与汇合。按启动按钮SB1,信号系统开始运行,并反复循环。

按下PLC学习板上按钮区的按钮SB0,动作演示区的LED条开始向上流转,板上的L1也开始闪烁,闪烁频率1HZ,同时数码管DS1开始从“9”开始10秒倒计时,待10秒定时时间到,LED条停止向上流转开始向下流转,指示灯区的L4开始闪烁,闪烁频率1HZ, 同时数码管DS1也开始从“9”开始10秒倒计时,待10秒定时时间到,LED条又停止向下流转开始向上流转,如此循环不断直到按下停止按钮SB1。










启动前LED条中点亮的LED灯应停在SQ4处,如不在SQ4处,应启动归位程序,LED条向上流转,直到LED条中点亮的LED灯到了SQ4处停下。按下启动按钮X0,LED条向下流转,碰到传感器SQ2后,L2点亮表示开始装货;数码管倒计时10s后装货结束,LED条向下继续流转,到传感器SQ1后,L1点亮表示放货,数码管倒计时7s后放完货,LED条向上流转返回碰到SQ4停止。
如果觉得本文有用,欢迎推荐更多朋友关注我们
学习板基本操作
- USB转串口线驱动的安装
- 学习板与三菱编程软件通信设置
- 学习板与西门子编程软件通信设置

你的每个 分享 、 点赞 和 在看 我都喜欢! 
本文来自互联网用户投稿,文章观点仅代表作者本人,不代表本站立场,不承担相关法律责任。如若转载,请注明出处。 如若内容造成侵权/违法违规/事实不符,请点击【内容举报】进行投诉反馈!
