计算机atx电源有什么作用,电脑ATX电源控制电路及原理

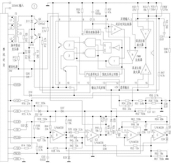
ATX电源的控制电路见图1。控制电路采用TL494(有的电源采用KA7500B,其管脚功能与TL494相同,可互换)及LM339集成电路(以下简称494和339)。494是双排16脚集成电路,工作电压7~40V。它含有由{14}脚输出的+5V基准电源,输出电压为+5V(±0.05V),最大输出电流250mA;一个频率可调的锯齿波产生电路,振荡频率由{5}脚外接电容及{6}脚外接电阻来决定。{13}脚为高电平时,由{8}脚及{11}脚输出双路反相(即推挽工作方式)的脉宽调制信号。本例为此种工作方式,故将{13}脚与{14}脚相连接。比较器是一种运算放大器,符号用三角形表示,它有一个同相输入端“+”;一个反相输入端“-”和一个输出端。
比较器同相端电平若高于反相端电平,则输出端输出高电平;反之输出低电平。494内的比较放大器有四个,为叙述方便,在图1中用小写字母a、b、c、d来表示。其中a是死区时间比较器。因两个作逆变工作的三极管串联后接到+310V的直流电源上,若两个三极管同时导通,就会形成对直流电源的短路。两个三极管同时导通可能发生在一个管子从截止转为导通,而另一个管子由导通转为截止的时候。因为管子在转换时有时间的延迟,截止的管子已经转为导通了,但导通的管子尚未完全转为截止,于是两个管子都呈导通状态而形成对直流电源的短路。为防止这样的事情发生,494设置了死区时间比较器a。从图1可以看出,在比较器a的反相输入端串联了一个“电源”,正极接反相端,负极接494的{4}脚。A比较器同相端输入的锯齿波信号,只有大于“电源”电压的部分才有输出,在三极管导通变为截止与截止转为导通期间,也就是死区时间,494没有脉冲输出,避免了对直流电源的短路。死区时间还可由{4}脚外接的电平来控制,{4}脚的电平上升,死区时间变宽,494输出的脉冲就变窄了,若{4}脚的电平超过了锯齿波的峰值电压,494就进入了保护状态,{8}脚和{11}脚就不输出脉冲了。494内部还有3个二输入端与门(用1、2、3表示)、两个二输入端与非门、反相器、T触发器等电路。与门是这样一种电路,只有所有的输入端都是高电平,输出端才能输出高电平;若有一个输入端为低电平,则输出端输出低电平。反相器的作用是把输入信号隔离放大后反相输出。与非门则相当于一个与门和一个反相器的组合。T触发器的作用是:每输入一个脉冲,输出端的电平就变化一次。如输出端Q为低电平,输入一个脉冲后,Q变为高电平,再输入一个脉冲,Q又回到低电平。比较器、与门、反相器、T触发器以及锯齿波振荡器及{8}脚、{11}脚输出的波形见图2。339是四比较器集成电路。按管脚的顺序把内部四个比较器设为A、B 、C 、D 比较器。494和339再配合其他电路,共同完成ATX电源的稳压,产生PW-OK信号及各种保护功能。
一、 产生PW-OK信号
PC主机要求各路电源稳定之后才工作,以保护各元器件不致因电压不稳而损坏,故设置了PW-OK信号(约+5V),主机在获得此信号后才开始工作。接通电源时,要求PW-OK信号比±5V、±12V、+3.3V电源延迟数百毫秒才产生,关机时PW-OK信号应比直流电源先消失数百毫秒,以便主机先停止工作,硬盘的磁头回复到着陆区,以保护硬盘。
ATX电源接通市电后,辅助电源立即工作。一方面输出 +5VSB电源,同时向494的{12}脚提供十几伏到二十多伏的直流电源。494从{14}脚输出+5V基准电源,锯齿波振荡器也开始起振工作。若主机未开机,PS-ON信号为高电平,经R37使339的B比较器{6}脚亦为高电平,因电阻R37小于R44,{6}脚电平高于{7}脚电平,B比较器输出端{1}脚输出低电平,经D36的钳位作用,A比较器的反相端{4}脚亦为低电平,其电平低于同相端{5}脚的电平,输出端{2}脚呈高电平,经R41使494的{4}脚为高电平,故494内部的死区时间比较器a输出低电平,与门1也因此输出低电平并进而使与门2和与门3输出低电平,封锁了振荡器的输出,{8}脚、{11}脚无脉冲输出,ATX电源无±5V、±12V、+3.3V电源输出,主机处于待机状态。因+5V、+12V电源输出为零,经电阻R15、R16使494的{1}脚电平亦为零,494的c比较器的输出端{3}脚输出亦为零,经R48使339的{9}脚亦为零电平,故339的C比较器的输出端{14}脚为零电平。另外,339的{1}脚低电平信号因D34的钳位作用,也使{14}脚为低电平,经R50和R63使{11}脚亦为低电平。因此D比较器的输出端{13}脚为低电平,也就是PW-OK信号为低电平,主机不会工作。开启主机时,通过人工或遥控操作闭合了与PS-ON相关的开关,PS-ON呈低电平,经R37使339的反相端{6}脚为低电平,B比较器{1}脚输出高电平,D35、D36反偏截止,A比较器的输出电平则由{5}脚与{4}脚的电平决定。正常工作时,{5}脚电平低于{4}脚电平,{2}脚输出低电平,经R41送到494的{4}脚,使{4}脚的电平变为低电平,锯齿波振荡信号可以从死区时间比较器a输出脉冲信号,另一方面,振荡信号送到了PWM比较器b的同相输入端,PWM比较器输出的脉冲信号的宽度,则是由494的{1}脚的电平(也就是负载的大小)与{16}脚的电平来决定。PWM比较器输出的脉冲信号,最后经缓冲放大器放大后,从{8}、{11}脚输出脉冲信号,ATX电源向主机输出±5V、±12V、+3.3V电源。此过程因C35的充电有数百毫秒的延时,但对主机开机并无影响。494的{1}脚从+5V、+12V经取样电阻R15、R16得到电压,其电平略高于{2}脚电平,{3}脚输出高电平,经R48使339的{9}脚得到高电平,其电平高于{8}脚电平,因而{14}脚输出高电平,此电平经R50与基准+5V电源经R64共同对C39充电,经数百毫秒后,{11}脚电平升到高于{10}脚电平时,D比较器{13}脚输出高电平,此电平经R49反馈至{11}脚,维持{11}脚处于高电平状态,故{13}脚输出稳定的高电平 PW-OK信号,主机检测到此信号后即开始正常工作。
关机时,主机内开关使PS-ON呈高电平,此时339的{6}脚电平高于{7}脚,{1}脚输出低电平,因二极管D34的钳位作用,{14}脚呈低电平,C39对C比较器及B比较器放电,很快{11}脚呈低电平,{13}脚输出低电平,即PW-OK信号呈低电平。在339的{1}脚为低电平时,经D36使{4}臆脚为低电平,{2}脚输出高电平,经R41传送到494的{4}脚,但因C35电位不能突变,经数百毫秒的放电后方使494的{4}脚转为高电平,从而封锁正负脉冲的输出 ,主机进入待机状态。上述的过程中,关机时C39和C35都要放电,但因放电时间常数不同,C39放电较快,故PW-OK信号先于各电源变成低电平,满足了主机关机的需要。此外,关机时因各路输出电源的电解电容放电需要时间,也使PW-OK信号先于各电源回到低电平。

二、 稳压
494的{2}脚经R47与基准电压+5V相连,维持较好的稳定电压,而{1}脚则与取样电阻R15、R16与+5V、+12V相连接,正常的情况下,{1}脚电平与{2}脚电平相等或略高。当输出电压升高时(无论+5V或+12V),{1}脚电平高于{2}脚电平,c比较器输出误差电压与锯齿波振荡脉冲在PWM比较器b进行比较使输出脉冲宽度变窄,输出电压回落到标准值,反之则促使振荡脉冲宽度增加,输出电压回升。由于494内的放大器增益很高,故稳压精度很好。从稳压的原理,我们可以得到ATX电源输出电压偏高或偏低的维修方法。如果输出电压偏低,可在494的{1}脚对地并联电阻,或是把R47的电阻增大。要是电源的输出偏高,则可在{2}脚对地并联电阻,也可以用增大R33或取下R69、R35来降低输出电压。
三、 过流保护
过流保护的原理是基于负载愈大,Q3、Q4集电极的脉冲电压也愈高,也即是R13(1.5kΩ)上的电压也愈高,从这里采样经D14整流和C36滤波,再经R54、R55并联电阻与R51、R56、R58等组成的分压电路送到494的{16}脚。随着负载的加重,{16}脚的电平也随之上升,当超过{15}脚的电平时,误差放大器输出的误差电压促使调制脉冲的宽度变窄从而使负载电流减小。另外,从R56、R58并联电阻获得的分压再经R52送到339的{5}脚,当{5}脚的电平超过{4}脚时,{2}脚即输出高电平送到494的{4}脚,494停止输出脉冲信号,终止±5V、±12V、+3.3V电源的输出,达到过流及短路保护的目的。需要说明的是:494的{16}脚电平的高低只能改变输出脉冲的宽度,但不影响494的{4}脚电平状态,而339的{5}脚电平一旦超过{4}脚的电平,339的{2}脚就送出高电平去封锁449的脉冲输出,终止±5V、±12V、+3.3V电源的输出,同时{2}脚的高电平经R59和二极管D39反馈到{5}脚,维持{5}脚处于高电平状态,此时若过载或短路状态消失,494的{4}脚仍维持高电平,±5V与±12V、+3.3V电源仍不能输出,只有切断交流市电的输入,再重新接通交流电,方可再次开机。
本文来自互联网用户投稿,文章观点仅代表作者本人,不代表本站立场,不承担相关法律责任。如若转载,请注明出处。 如若内容造成侵权/违法违规/事实不符,请点击【内容举报】进行投诉反馈!
