(十七)【模电】(放大电路中的反馈)负反馈放大电路的方框图及放大倍数的估算
文章目录
- A 负反馈放大电路的方框图及放大倍数的估算
- A.a 负反馈放大电路的方框图
- A.b 负反馈放大电路放大倍数的一般表达式
- A.c 深度负反馈的实质
- A.d 基于反馈系数的放大倍数的估算方法
- A.d.a 电压串联负反馈电路
- A.d.b 电压并联负反馈
- A.d.c 电流串联负反馈电流
- A.d.d 电流并联负反馈电路
- A.e 基于理想运放的放大倍数的计算方法
A 负反馈放大电路的方框图及放大倍数的估算
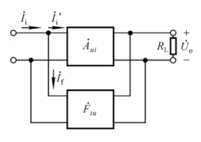
A.a 负反馈放大电路的方框图

方框图中信号是单向流通的。
基本(开环)放大电路的放大倍数(输出量与净输入量之比): A ˙ = X ˙ o X i ‘ ˙ \dot{A}=\frac{\dot{X}_o}{\dot{X_i‘}} A˙=Xi‘˙X˙o
反馈系数(反馈量与输出量之比): F = X ˙ f X ˙ o F=\frac{\dot{X}_f}{\dot{X}_o} F=X˙oX˙f
反馈(闭环)放大电路的放大倍数(输出量比输入量): A ˙ f = X ˙ o X ˙ i \dot{A}_f=\frac{\dot{X}_o}{\dot{X}_i} A˙f=X˙iX˙o
A.b 负反馈放大电路放大倍数的一般表达式
| 反馈组态 | 功能 | A ˙ \dot{A} A˙ | F ˙ \dot{F} F˙ | A ˙ f \dot{A}_f A˙f |
|---|---|---|---|---|
| 电压串联 | 电压控制电压 | U ˙ o / U ˙ i ′ \dot{U}_o/\dot{U}_i' U˙o/U˙i′ | U ˙ f / U ˙ o \dot{U}_f/\dot{U}_o U˙f/U˙o | U ˙ o / U ˙ i \dot{U}_o/\dot{U}_i U˙o/U˙i(电压放大倍数) |
| 电压并联 | 电流控制电压 | U ˙ o / I ˙ i ′ \dot{U}_o/\dot{I}_i' U˙o/I˙i′ | I ˙ f / U ˙ o \dot{I}_f/\dot{U}_o I˙f/U˙o | U ˙ o / I ˙ i ( 互 阻 放 大 倍 数 ) \dot{U}_o/\dot{I}_i(互阻放大倍数) U˙o/I˙i(互阻放大倍数) |
| 电流串联 | 电压控制电流 | I ˙ o / U ˙ i ′ \dot{I}_o/\dot{U}_i' I˙o/U˙i′ | U ˙ f / I ˙ o \dot{U}_f/\dot{I}_o U˙f/I˙o | I ˙ o / U ˙ i \dot{I}_o/\dot{U}_i I˙o/U˙i(互导放大倍数) |
| 电流并联 | 电流控制电流 | I ˙ o / I ˙ i ′ \dot{I}_o/\dot{I}_i' I˙o/I˙i′ | I ˙ f / I ˙ o \dot{I}_f/\dot{I}_o I˙f/I˙o | I ˙ o / I ˙ i \dot{I}_o/\dot{I}_i I˙o/I˙i (电流放大倍数) |

A ˙ f \dot{A}_f A˙f称为负反馈放大倍数的一般表达式。
A.c 深度负反馈的实质


只有环路放大倍数>0时,电路引入的才为负反馈(输出降低,放大倍数降低)。
深度负反馈条件:

表明在深度负反馈条件下,放大倍数仅决定于负反馈网络,而与基本放大电路无关,因此放大倍数具有很大高的稳定性(基本放大电路中的半导体受温度影响。)

上式说明:输入信号等于反馈信号,净输入信号忽略不计

- 在串联负反馈电路中, U ˙ i ≈ U ˙ f , U ˙ i ′ ≈ 0 \dot{U}_i\approx \dot{U}_f,\dot{U}_i'\approx0 U˙i≈U˙f,U˙i′≈0
- 在并联负反馈电路中, I ˙ i ≈ I ˙ f , I ˙ i ′ ≈ 0 \dot{I}_i\approx\dot{I}_f,\dot{I}_i'\approx 0 I˙i≈I˙f,I˙i′≈0
在中频段,通常, A ˙ 、 F ˙ 、 A ˙ f \dot{A}、\dot{F}、\dot{A}_f A˙、F˙、A˙f符号相同。
A.d 基于反馈系数的放大倍数的估算方法
交流负反馈的阻态 → F ˙ → ( 利 用 深 度 负 反 馈 ) A ˙ u f \rightarrow\dot{F}\rightarrow(利用深度负反馈) \dot{A}_{uf} →F˙→(利用深度负反馈)A˙uf
A.d.a 电压串联负反馈电路

例子:

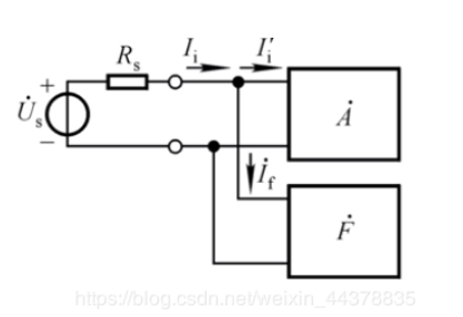
A.d.b 电压并联负反馈


加含有内阻的电压源。

深度负反馈时 I ’ i ≈ . 0 I’_i\approx. 0 I’i≈.0,则 U ˙ I ≈ 0 \dot{U}_I\approx 0 U˙I≈0所以用 U ˙ s \dot{U}_s U˙s代替 U ˙ i 且 U ˙ s \dot{U}_i且\dot{U}_s U˙i且U˙s两端电压几乎在 R s R_s Rs两端

例子:

A.d.c 电流串联负反馈电流


例子:

A.d.d 电流并联负反馈电路

小结:


A.e 基于理想运放的放大倍数的计算方法

1 理想运放参数特点(大的参数趋近于无穷大,小的参数趋近于0):

2 理想运放工作在线性区的电路特征:
引入负反馈。

3 理想运放工作在线性区的特点:



本文来自互联网用户投稿,文章观点仅代表作者本人,不代表本站立场,不承担相关法律责任。如若转载,请注明出处。 如若内容造成侵权/违法违规/事实不符,请点击【内容举报】进行投诉反馈!
