F411-WeAct(一)SPi 驱动外部Flash(W25Q64)
F411-WeAct(一)SPi 驱动外部Flash(W25Q64)
- 硬件资源介绍
- F411-WeAct开发板
- W25Q64
- STM32初始化
- 初始化时钟
- 外设初始化
- 生成文件
- 正式开始
- 下载源代码
- 引用
硬件资源介绍
F411-WeAct开发板
主控:STM32F411CEU6
板载Flash接口,目前焊接的是W25Q64
Flash与STM32接线(四线SPI通讯):
CS–PA4
SCK–PA5
MOSI–PA7
MISO–PA6

W25Q64
容量:8MB(64Mb)
通信方式:支持SPI、QSPI。此例程选用SPI通信方式
STM32初始化
STM32的初始化使用STM32CubeMX软件
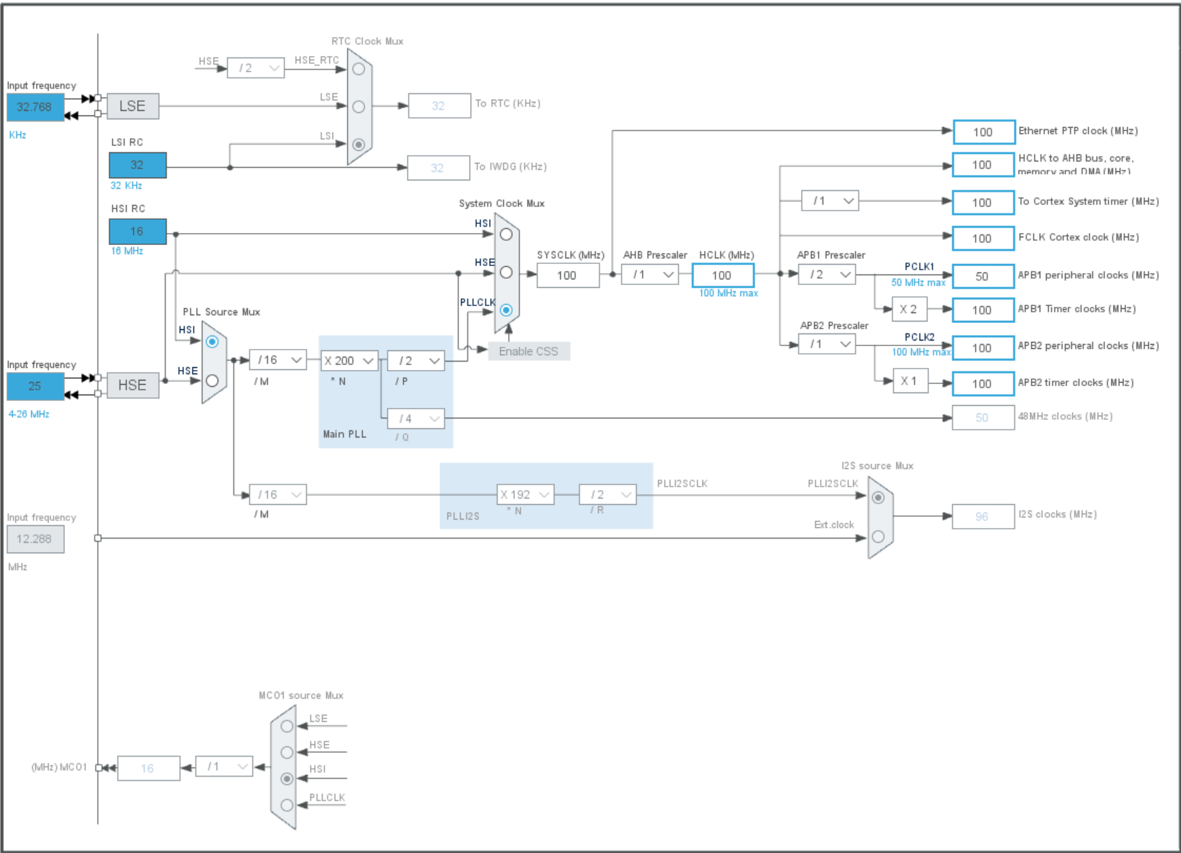
初始化时钟
时钟配置如下图初始化
本次主时钟使用内部时钟,也可以使用外部时钟
配置系数,使得频率最大

外设初始化
配置使用的外设:SWD、调试串口、板载LED&KEY这些常用初始化
在PA4-PA7配置SPI,NSS使用软NSS,所以将PA4设置为GPIO_OUT,并命名为F_CS


生成文件
根据自己使用的工具、目录生成初始化完成的文件
这里使用的keil5
新手需要注意,生成的目录不能出现中文,否则无法完成生成文件

正式开始
首先先编写W25Q64的驱动文件
在…\Core\Src文件夹下创建W25Q64.c文件
/* Define to prevent recursive inclusion -------------------------------------*/
#ifndef __W25Q64_H__
#define __W25Q64_H__#ifdef __cplusplus
extern "C" {
#endif/* Includes ------------------------------------------------------------------*/
#include "main.h"
#include "stdio.h"
#include "W25Q64.h"#define delay(ms) osDelay(ms)
#define get_tick() HAL_GetTick()W25Qx_Parameter W25Qx_Para;/**********************************************************
* @brief 初始化W25QXXXX接口。
* @retval None
**********************************************************/
uint8_t W25Qx_Init(void)
{ uint8_t state;/* 重置 W25Qxxx */W25Qx_Reset();state = W25Qx_Get_Parameter(&W25Qx_Para);return state;
}/*** @brief 此功能重置W25Qx。* @retval None*/
static void W25Qx_Reset(void)
{uint8_t cmd[2] = {RESET_ENABLE_CMD,RESET_MEMORY_CMD};W25Qx_Enable();/* Send the reset command */HAL_SPI_Transmit(&hspi1, cmd, 2, W25QXXXX_TIMEOUT_VALUE); W25Qx_Disable();}/*** @brief 读取W25QXXXX的当前状态。* @retval W25QXXXX内存状态*/
static uint8_t W25Qx_GetStatus(void)
{uint8_t cmd[] = {READ_STATUS_REG1_CMD};uint8_t status;W25Qx_Enable();/* Send the read status command */HAL_SPI_Transmit(&hspi1, cmd, 1, W25QXXXX_TIMEOUT_VALUE); /* Reception of the data */HAL_SPI_Receive(&hspi1,&status, 1, W25QXXXX_TIMEOUT_VALUE);W25Qx_Disable();/* Check the value of the register */if((status & W25QXXXX_FSR_BUSY) != 0){return W25Qx_BUSY;}else{return W25Qx_OK;}
}/*** @brief 该功能发送一个写使能并等待它生效。* @retval None*/
uint8_t W25Qx_WriteEnable(void)
{uint8_t cmd[] = {WRITE_ENABLE_CMD};uint32_t tickstart = get_tick();/*选择FLASH:片选低 */W25Qx_Enable();/* 发送读取ID命令 */HAL_SPI_Transmit(&hspi1, cmd, 1, W25QXXXX_TIMEOUT_VALUE); /*取消选择FLASH:芯片选择高电平 */W25Qx_Disable();/* 等待Flash写入结束 */while(W25Qx_GetStatus() == W25Qx_BUSY){/* Check for the Timeout */if((get_tick() - tickstart) > W25QXXXX_TIMEOUT_VALUE){ return W25Qx_TIMEOUT;}HAL_Delay(1);}return W25Qx_OK;
}/*** @brief 阅读制造商/设备ID。* @param 返回值地址
/ 返回值如下:
/ 0XEF13,表示芯片型号为W25Q80
/ 0XEF14,表示芯片型号为W25Q16
/ 0XEF15,表示芯片型号为W25Q32
/ 0XEF16,表示芯片型号为W25Q64 * @retval None*/
void W25Qx_Read_ID(uint16_t *ID)
{uint8_t idt[2];idt[0]=0x11;idt[1]=0x11;uint8_t cmd[4] = {READ_ID_CMD,0x00,0x00,0x00};W25Qx_Enable();/* 发送读取ID命令 */HAL_SPI_Transmit(&hspi1, cmd, 4, W25QXXXX_TIMEOUT_VALUE); /* 数据接收 */HAL_SPI_Receive(&hspi1,idt, 2, W25QXXXX_TIMEOUT_VALUE);printf("Flash型号参数:");printf("%X",idt[0]);printf("%X\r\n",idt[1]);*ID = (idt[0] << 8) + idt[1]; W25Qx_Disable();}#include
/*** @brief 获取W25QX参数。* @param 参数:W25Qx参数* @retval 空值*/
uint8_t W25Qx_Get_Parameter(W25Qx_Parameter *Para)
{uint16_t id;uint32_t size;Para->PAGE_SIZE = 256;Para->SUBSECTOR_SIZE = 4096;Para->SECTOR_SIZE = 0x10000;W25Qx_Read_ID(&id);if(id < W25Q80 || id > W25Q128) return W25Qx_ERROR;size = (uint32_t) powf(2,(id - 0xEF13)) * 1024 * 1024;Para->FLASH_ID = id;Para->FLASH_SIZE = size;Para->SUBSECTOR_COUNT = Para->FLASH_SIZE / Para->SUBSECTOR_SIZE;Para->SECTOR_COUNT = Para->FLASH_SIZE / Para->SECTOR_SIZE;return W25Qx_OK;
}
/*** @brief 从QSPI存储器读取大量数据。* @param pData:指向要读取的数据的指针* @param ReadAddr:读取起始地址* @param 大小:要读取的数据大小* @retval QSPI内存状态*/
uint8_t W25Qx_Read(uint8_t* pData, uint32_t ReadAddr, uint32_t Size)
{uint8_t cmd[4];/* Configure the command */cmd[0] = READ_CMD;cmd[1] = (uint8_t)(ReadAddr >> 16);cmd[2] = (uint8_t)(ReadAddr >> 8);cmd[3] = (uint8_t)(ReadAddr);W25Qx_Enable();/* 发送读取ID命令 */HAL_SPI_Transmit(&hspi1, cmd, 4, W25QXXXX_TIMEOUT_VALUE); /* 数据接收 */if (HAL_SPI_Receive(&hspi1, pData,Size,W25QXXXX_TIMEOUT_VALUE) != HAL_OK){return W25Qx_ERROR;}W25Qx_Disable();return W25Qx_OK;
}/*** @brief 将大量数据写入QSPI存储器。* @param pData:指向要写入的数据的指针* @param WriteAddr:写入起始地址* @param 大小:要写入的数据大小,不超过256byte。* @retval QSPI内存状态*/
uint8_t W25Qx_Write(uint8_t* pData, uint32_t WriteAddr, uint32_t Size)
{uint8_t cmd[4];uint32_t end_addr, current_size, current_addr;uint32_t tickstart = get_tick();/* Calculation of the size between the write address and the end of the page */current_addr = 0;while (current_addr <= WriteAddr){current_addr += W25QXXXX_PAGE_SIZE;}current_size = current_addr - WriteAddr;/* Check if the size of the data is less than the remaining place in the page */if (current_size > Size){current_size = Size;}/* Initialize the adress variables */current_addr = WriteAddr;end_addr = WriteAddr + Size;/* Perform the write page by page */do{/* Configure the command */cmd[0] = PAGE_PROG_CMD;cmd[1] = (uint8_t)(current_addr >> 16);cmd[2] = (uint8_t)(current_addr >> 8);cmd[3] = (uint8_t)(current_addr);/* 启用写操作 */W25Qx_WriteEnable();W25Qx_Enable();/* 发送命令 */if (HAL_SPI_Transmit(&hspi1,cmd, 4, W25QXXXX_TIMEOUT_VALUE) != HAL_OK){return W25Qx_ERROR;}/* 数据传输 */if (HAL_SPI_Transmit(&hspi1, pData,current_size, W25QXXXX_TIMEOUT_VALUE) != HAL_OK){return W25Qx_ERROR;}W25Qx_Disable();/* 等待Flash写入结束 */while(W25Qx_GetStatus() == W25Qx_BUSY){/* 检查超时 */if((get_tick() - tickstart) > W25QXXXX_TIMEOUT_VALUE){ return W25Qx_TIMEOUT;}//delay(1);}/* 更新地址和大小变量以进行下一页编程 */current_addr += current_size;pData += current_size;current_size = ((current_addr + W25QXXXX_PAGE_SIZE) > end_addr) ? (end_addr - current_addr) : W25QXXXX_PAGE_SIZE;} while (current_addr < end_addr);return W25Qx_OK;
}/*** @brief 擦除QSPI存储器的指定块。* @param BlockAddress:要擦除的块地址* @retval QSPI内存状态*/
uint8_t W25Qx_Erase_Block(uint32_t Address)
{uint8_t cmd[4];uint32_t tickstart = get_tick();cmd[0] = SECTOR_ERASE_CMD;cmd[1] = (uint8_t)(Address >> 16);cmd[2] = (uint8_t)(Address >> 8);cmd[3] = (uint8_t)(Address);/* Enable write operations */W25Qx_WriteEnable();/*Select the FLASH: Chip Select low */W25Qx_Enable();/* Send the read ID command */HAL_SPI_Transmit(&hspi1, cmd, 4, W25QXXXX_TIMEOUT_VALUE); /*Deselect the FLASH: Chip Select high */W25Qx_Disable();/* Wait the end of Flash writing */while(W25Qx_GetStatus() == W25Qx_BUSY){/* Check for the Timeout */if((get_tick() - tickstart) > W25QXXXX_SECTOR_ERASE_MAX_TIME){ return W25Qx_TIMEOUT;}//delay(1);}return W25Qx_OK;
}/*** @brief 擦除整个QSPI存储器。此功能将花费很长时间。* @retval QSPI内存状态*/
uint8_t W25Qx_Erase_Chip(void)
{uint8_t cmd[4];uint32_t tickstart = get_tick();cmd[0] = CHIP_ERASE_CMD;/* Enable write operations */W25Qx_WriteEnable();/*Select the FLASH: Chip Select low */W25Qx_Enable();/* Send the read ID command */HAL_SPI_Transmit(&hspi1, cmd, 1, W25QXXXX_TIMEOUT_VALUE); /*Deselect the FLASH: Chip Select high */W25Qx_Disable();/* Wait the end of Flash writing */while(W25Qx_GetStatus() == W25Qx_BUSY){/* Check for the Timeout */if((get_tick() - tickstart) > W25QXXXX_BULK_ERASE_MAX_TIME){ return W25Qx_TIMEOUT;}//delay(1);}return W25Qx_OK;
}#ifdef __cplusplus
}
#endif#endif /* __W25Q64_H__ */
然后在…\Core\Inc文件夹下创建W25Q64.h文件
/* Define to prevent recursive inclusion -------------------------------------*/
#ifndef __W25QXX_H
#define __W25QXX_H#ifdef __cplusplusextern "C" {
#endif /* Includes ------------------------------------------------------------------*/
#include "main.h"#include "spi.h"
//#include "cmsis_os.h"
/** @addtogroup BSP* @{*/ /** @addtogroup Components* @{*/ /** @addtogroup W25QXXXX* @{*//** @defgroup W25QXXXX_Exported_Types* @{*//*** @}*/ /** @defgroup W25QXXXX_Exported_Constants* @{*//** * @brief W25QXX Configuration */ /* W25Q32 */
#define W25QXXXX_FLASH_SIZE 0x0400000 /* 32 MBits => 4MBytes */
#define W25QXXXX_SECTOR_COUNT 0x40 /* 64 sectors of 64KBytes */
#define W25QXXXX_SECTOR_SIZE 0x10000 /* 64 sectors of 64KBytes */
#define W25QXXXX_SUBSECTOR_COUNT 0x0400 /* 1024 subsectors of 4kBytes */
#define W25QXXXX_SUBSECTOR_SIZE 0x1000 /* 1024 subsectors of 4kBytes */
#define W25QXXXX_PAGE_SIZE 0x100 /* 16384 pages of 256 bytes */#define W25Q80 0XEF13
#define W25Q16 0XEF14
#define W25Q32 0XEF15
#define W25Q64 0XEF16
#define W25Q128 0XEF17#define W25QXXXX_DUMMY_CYCLES_READ 4
#define W25QXXXX_DUMMY_CYCLES_READ_QUAD 10#define W25QXXXX_BULK_ERASE_MAX_TIME 250000
#define W25QXXXX_SECTOR_ERASE_MAX_TIME 3000
#define W25QXXXX_SUBSECTOR_ERASE_MAX_TIME 800
#define W25QXXXX_TIMEOUT_VALUE 1000/** * @brief W25QXX Commands */
/* 重置操作 */
#define RESET_ENABLE_CMD 0x66
#define RESET_MEMORY_CMD 0x99#define ENTER_QPI_MODE_CMD 0x38
#define EXIT_QPI_MODE_CMD 0xFF/* 识别作业 */
#define READ_ID_CMD 0x90
#define DUAL_READ_ID_CMD 0x92
#define QUAD_READ_ID_CMD 0x94
#define READ_JEDEC_ID_CMD 0x9F/* Read Operations */
#define READ_CMD 0x03
#define FAST_READ_CMD 0x0B
#define DUAL_OUT_FAST_READ_CMD 0x3B
#define DUAL_INOUT_FAST_READ_CMD 0xBB
#define QUAD_OUT_FAST_READ_CMD 0x6B
#define QUAD_INOUT_FAST_READ_CMD 0xEB/* Write Operations */
#define WRITE_ENABLE_CMD 0x06
#define WRITE_DISABLE_CMD 0x04/* Register Operations */
#define READ_STATUS_REG1_CMD 0x05
#define READ_STATUS_REG2_CMD 0x35
#define READ_STATUS_REG3_CMD 0x15#define WRITE_STATUS_REG1_CMD 0x01
#define WRITE_STATUS_REG2_CMD 0x31
#define WRITE_STATUS_REG3_CMD 0x11/* Program Operations */
#define PAGE_PROG_CMD 0x02
#define QUAD_INPUT_PAGE_PROG_CMD 0x32/* Erase Operations */
#define SECTOR_ERASE_CMD 0x20
#define CHIP_ERASE_CMD 0xC7#define PROG_ERASE_RESUME_CMD 0x7A
#define PROG_ERASE_SUSPEND_CMD 0x75/* Flag Status Register */
#define W25QXXXX_FSR_BUSY ((uint8_t)0x01) /*!< busy */
#define W25QXXXX_FSR_WREN ((uint8_t)0x02) /*!< write enable */
#define W25QXXXX_FSR_QE ((uint8_t)0x02) /*!< quad enable */#define W25Qx_Enable() HAL_GPIO_WritePin(F_CS_GPIO_Port, F_CS_Pin, GPIO_PIN_RESET)
#define W25Qx_Disable() HAL_GPIO_WritePin(F_CS_GPIO_Port, F_CS_Pin, GPIO_PIN_SET)#define W25Qx_OK ((uint8_t)0x00)
#define W25Qx_ERROR ((uint8_t)0x01)
#define W25Qx_BUSY ((uint8_t)0x02)
#define W25Qx_TIMEOUT ((uint8_t)0x03)typedef struct
{uint32_t FLASH_ID;uint32_t FLASH_SIZE;uint32_t SECTOR_COUNT;uint32_t SECTOR_SIZE;uint32_t SUBSECTOR_COUNT;uint32_t SUBSECTOR_SIZE;uint32_t PAGE_SIZE;
}W25Qx_Parameter;
extern W25Qx_Parameter W25Qx_Para;uint8_t W25Qx_Init(void);
static void W25Qx_Reset(void);
static uint8_t W25Qx_GetStatus(void);
uint8_t W25Qx_WriteEnable(void);
void W25Qx_Read_ID(uint16_t *ID);
uint8_t W25Qx_Read(uint8_t* pData, uint32_t ReadAddr, uint32_t Size);
uint8_t W25Qx_Write(uint8_t* pData, uint32_t WriteAddr, uint32_t Size);
uint8_t W25Qx_Erase_Block(uint32_t Address);
uint8_t W25Qx_Erase_Chip(void);uint8_t W25Qx_Get_Parameter(W25Qx_Parameter *Para);
/*** @}*//** @defgroup W25QXXXX_Exported_Functions* @{*/
/*** @}*/ /*** @}*/ /*** @}*/ /*** @}*/#ifdef __cplusplus
}
#endif#endif /* __W25Qx_H */
将W25Q64.c添加到Keil工程
在main.c的头文件中引用
#include "W25Q64.h"
在main()函数中加入W25Q64的初始化
W25Qx_Init();
写一个简单的测试代码
printf("开始初始化SPI flash \r\n");W25Qx_Init();printf("初始化SPI flash成功 \r\n");printf("存储数据:W25Q64 \r\n");uint8_t DATA[6]="W25Q64";uint8_t pDATA[6];W25Qx_Write(DATA,0*00, 6);//将DATA变量写入0x00//W25Qx_Erase_Block(0*00);//擦除该区域,暂不用printf("取出数据:");W25Qx_Read(pDATA,0*00,6);//读取0x00数据至pDATAprintf("%s\r\n",pDATA);
保存、编译、下载到板子,连接测试串口
可以看到,已经可以存取数据了

也可以加入这一行代码,那就读不到数据了
W25Qx_Erase_Block(0*00);
下载源代码
具体的文件放在了github,方便大家下载,关于F411这块板子的其他案例,我也会不定时更新
https://github.com/lijinlong21549/F411-WeAct/tree/main/SPI-flash
引用
[1]WeAct Studio工作室对STM32F411CEU6开发板的原理图
[2]WeAct Studio工作室对STM32F411CEU6开发板的SDK的STM32F411_USBDISK+FATFS_v20案例
本文来自互联网用户投稿,文章观点仅代表作者本人,不代表本站立场,不承担相关法律责任。如若转载,请注明出处。 如若内容造成侵权/违法违规/事实不符,请点击【内容举报】进行投诉反馈!
