常用DCDC类型和实现原理
1、降压型DCDC(buck型开关稳压器)
如下图是一个简化的降压的开关电源,为了方便电路的分析,先不加入反馈控制部分。

状态一: 当 S1 闭合时,输入的能量从电容 C1,通过 S1→电感器 L1→电容器 C2→负载 RL供电,此时电感器 L1 同时也在储存能量, 可以得到加在 L1 上的电压为: Vin-Vo=L*di/dton。
状态二: 当 S2 关断时,能量不再是从输入端获得,而是通过续流回路,从电感器 L1 存储的能量→电容 C2→负载 RL→二极管 D1,此时可得式子: L*di/dtoff= Vo,最后我们可以得出 Vo/Vin=DC(duty cycle),而 Vo 永远是小于 Vin 的,因为占空比 DC≤1。
各个器件的作用:
1、输入电容器(C1) 用于使输入电压平稳;
2、输出电容器(C2) 负责使输出电压平稳;
3、箝位二极管(D1) 在开关开路时为电感器提供一条电流通路;
4、电感器(L1) 用于存储即将传送至负载的能量。
如下图所示当开关开通的时候,能量从输入向输出传递,电流是斜线上升的;当电流偏高了,开关就关断,这时电感、负载、二极管形成自然的续流回路,电流开始线性减少;当电流将低到一定程度后,重新开始开通开关;通过这样高频率的开通和关断,就形成一个稳定的输出电压。

如下图是一个电路结构,我们可以通过两个电阻的分压采样输出的电压,再经过一个比较器和基准比较,如果输出小于基准, MOS 管就开通;如果输出大于基准,就关断 MOS管。

如下图是用 LM22670 芯片做的电路示例,这就是一个典型的非同步降压转换器,因为他下管是用了一个快恢复或者肖特基二极管。为什么要用肖特基呢?因二极管的寄生参数和漏感会导致在 MOS 管在开通时产生一个高压的震荡,这个震荡最终会导致芯片的 SW 引脚高压损坏和开关损耗非常大,导致效率很低,所以一般会使用快恢复或者肖特基二极管。

2、升压型DCDC(boost型开关稳压器)
如下左图就是升压转换器(Boost)的拓扑结构,我们前面讲过,电感 L 是一个储能元件,当开关管导通的时候,输入的电压对电感充电,形成的回路是:输入 Vi→电感 L→开关管 Q;当开关管关断时,输入的能量和电感能量一起向输出提供能量,形成的回路是:输入 Vi→电感 L→二极管 D→电容 C→负载 RL,因此这时候输出的电压肯定就比输入的电压高,从而实现升压。

如下图所示,升压转换器的控制回路是通过分压电阻的采样,然后经过误差比较器和基准源比较,最后输出 PWM。需要注意的是这种电路在芯片不工作的时候,它的输入到输出就已自然经形成了回路,从输入→电感→二极管→电容→负载,所以如果不是在同步的升压拓扑结构里面,在输入电路部分应该增加一个切换电路,否则在电池供电的时候,电池的电量就白白用完了。


3、降压-升压型DCDC(buck-boost型开关稳压器)

状态一: 开关管开通,二极管 D 反向截止,电感器储能,电流回路为:输入 Vin →开关管 Q→电感器 L;
状态二: 开关管关断,二极管 D 正向导通续流,电流回路为: 电感器 L→电容 C→负载 RL→二极管 D;
输出什么时候是升压,什么时候是降压呢? 我们可以根据公式 Vo=Vin×D/(1-D) 中知道,当 D=0.5 时, Vo=Vin;当 D<0.5 时, Vo<Vin;当 D>0.5 时, Vo>Vin。而且我们可以看到,这种拓扑结构我们很容易得到了负向的电压,当某些场合不想用隔离变压器拉抽头的方式的时候我们可以用这种方式来实现负电压。
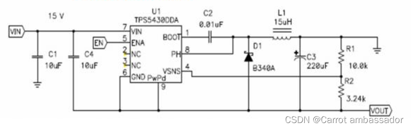
下图是用 TPS5430DA 实现的一个负电压输出的电路, TPS5430DA 和 LM22670 的引脚相同,两者可以互换。


4、 控制器和稳压器
控制器(Controler)和稳压器(Regularlator),下图是一个控制器和稳压器的区分参考,集成开关管的 IC 我们一般称之为稳压器,需要外置开关管的 IC 我们称之为控制器,而图中的描述我们只能作为一个参考,现在很多的稳压器已经可以做到大于 3A,而且热阻低到 10℃/W 也有很多,但很多大功率的开关电源还是需要控制器,外置 MOS 管。

简单总结即是,控制器需要外加开关管,稳压器已经将开关管集成到IC内部,如下图所示。

5、 特点总结
优点
- 效率高
- 可以升压或降压
- 宽输入电压范围
- 低功率耗散(小型散热器)
- 高功率密度
- 提供隔离(利用变压器)
- 提供多个输出(利用变压器)
缺点
- EMI
- 瞬态响应较慢
- 较高的输出纹波和噪声
本文来自互联网用户投稿,文章观点仅代表作者本人,不代表本站立场,不承担相关法律责任。如若转载,请注明出处。 如若内容造成侵权/违法违规/事实不符,请点击【内容举报】进行投诉反馈!
