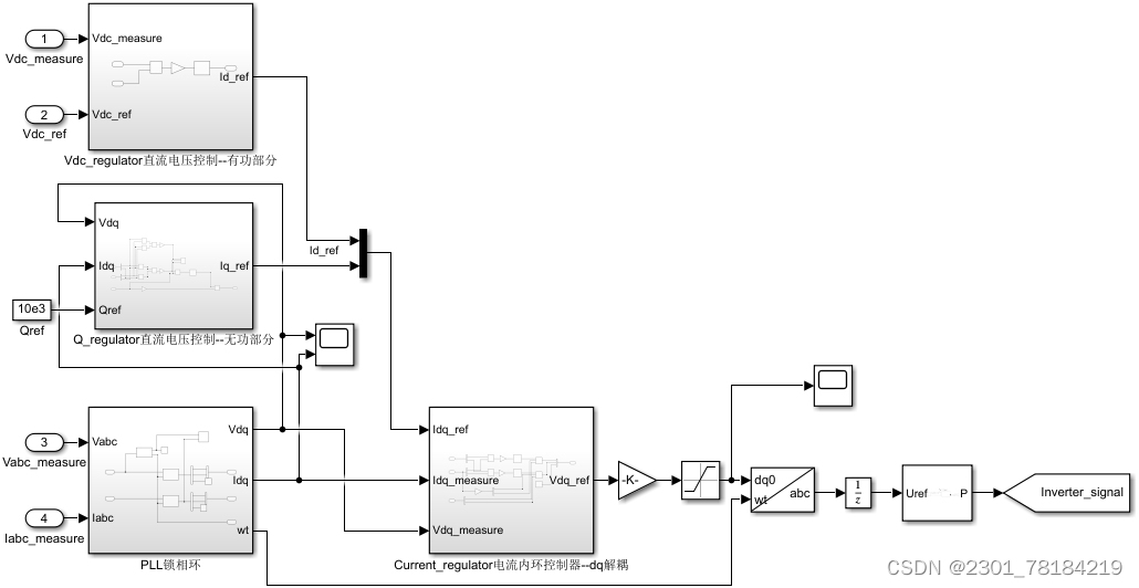
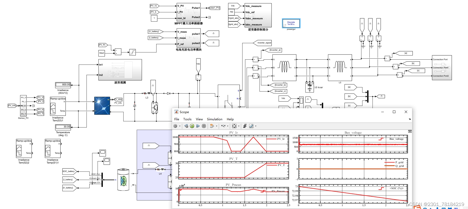
光伏储能并网发电模型,根据储能电池SOC的工作区间,光伏有MPPT、恒功率输出两种控制方式,在电池健康工况下光伏处于MPPT模式,在电池处于极限工况下,光伏处于恒功率模式,通过boost连接到公共点,储能部分通过boost-buck双向变流器连接到公共点,逆变器模块化控制如图,核心思想控制公共直流母线电压不变。

YID:8985672097777138



本文来自互联网用户投稿,文章观点仅代表作者本人,不代表本站立场,不承担相关法律责任。如若转载,请注明出处。 如若内容造成侵权/违法违规/事实不符,请点击【内容举报】进行投诉反馈!