西门子S7-200SMART PLC与西门子V20变频器USS通讯
- 硬件介绍:
- 西门子S7-200SMART ST40一台;

- 西门子V20变频器一台;

- 电机一台;
- 若干快接插头;
- MCGS触摸屏1台:TCP7062Ti;
- 串口通信线标准接口2个。
- 通讯接口
1. S7-200 SMART CPU 集成的 RS485 通信端口(端口0)是与 RS485 兼容的9针 D 型连接器。CPU 集成的 RS485 通信端口的引脚分配如表1. S7-200 SMART CPU 集成 RS485 端口的引脚分配表所示,我们需要把连接器的引脚标号8 RS-485信号A和引脚标号3 RS-485信号B引出。

说明:RS485 是双绞线A和B。通常是3-A,8-B,公头母头都是如此,通信双方接线直连,A接A,B接B,RS485是半双工。
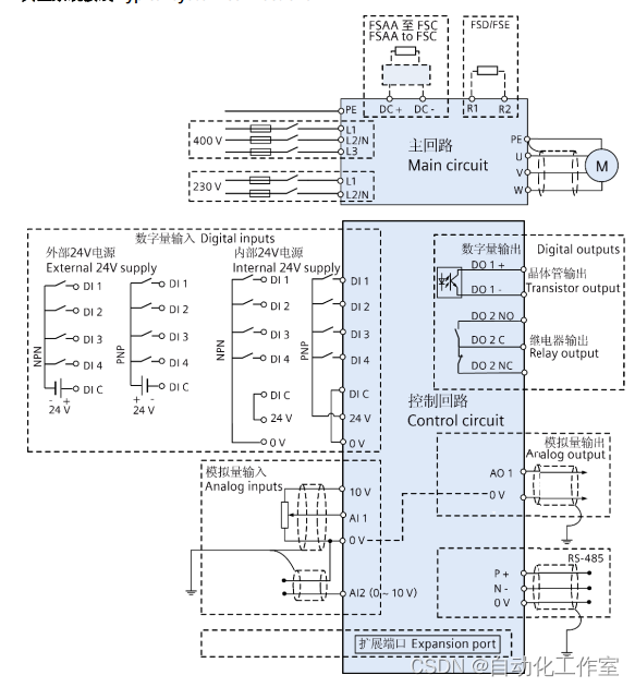
2.西门子V20变频器本体带有RS-485通讯接口,其中P+接RS-485信号A,N-接RS-485信号B。

- 硬件连接
(1)根据西门子S7-200SMART和西门子V20变频器的接线图进行接线,在此V20变频器使用的是L1、L2/N,电机连接U、V、W。
(2
本文来自互联网用户投稿,文章观点仅代表作者本人,不代表本站立场,不承担相关法律责任。如若转载,请注明出处。 如若内容造成侵权/违法违规/事实不符,请点击【内容举报】进行投诉反馈!
