电阻电容综合参数设计
器件清单

芯片资料
**
- 555定时器

- 74ls90

- 74ls194

- CD4511



原理



参数计算

///测电阻Rx
R1=100 C=10nF RX=N1 K
R5=R6=330
///测电容Cx
R3=100 R4=10K Cx=N2 nF
R5=R6=330 C=10nF
系统框图

**
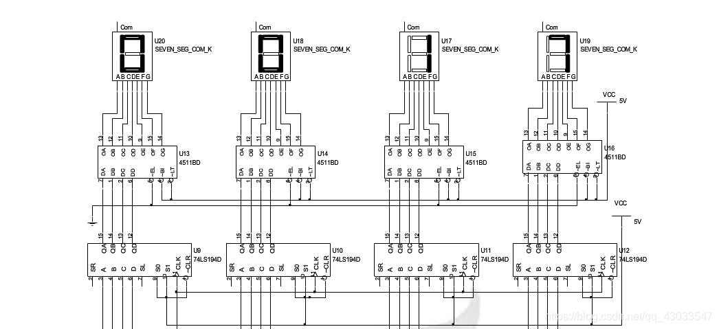
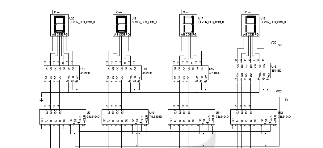
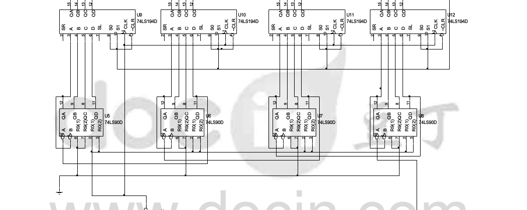
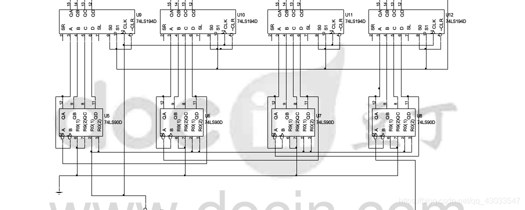
电路图
**

局部图



- 按照上述电路在面包板上安装、连线、调试,电源为**+5V**直流电,注意共地线; 数码管要接保护电阻,否则容易烧坏;
- 每个集成块都有电源端和接地端;
- 对于不用的引脚要做相应的处理;手动控制开关选择测试元件的类型;
- 最下面3个多谐振荡器中,左边为测电阻脉冲发生器,中间为测电容脉冲发生器,右边的作为基准脉冲发生器;
- 往上4个74LS90级联构成的四位十进制加法计数器;
- 再往上是4个74LS194级联构成的四位锁存器;
- 接下来是4个CD4511级联构成的数码管译码驱动电路,用于驱动数码管显示所测数据;
- 最上面是4个共阴七段数码显示管,在驱动电路的作用下显示数值。
本文来自互联网用户投稿,文章观点仅代表作者本人,不代表本站立场,不承担相关法律责任。如若转载,请注明出处。 如若内容造成侵权/违法违规/事实不符,请点击【内容举报】进行投诉反馈!
