DFIG双馈异步式风力发电系统的并网发电与低电压穿越(LVRT)控制算法的仿真模型,基于Crowbar电路(转子串电阻)和Chopper电路
DFIG双馈异步式风力发电系统的并网发电与低电压穿越(LVRT)控制算法的仿真模型,基于Crowbar电路(转子串电阻)和Chopper电路:
- 正常并网发电时的网侧变流器与机侧变流器的控制算法仿真,网侧为四象限整流,电压外环电流内环双闭环,基于SOGI二阶广义积分器进行锁相,可实现电网电压严重畸变、不平衡、网压波动工况下的精准锁相。
加入了300Hz谐振控制器来抑制网侧电流的5 7次谐波; - 机侧变流器采用有功无功解耦控制,可控制并网功率因数,定子磁链定向控制;
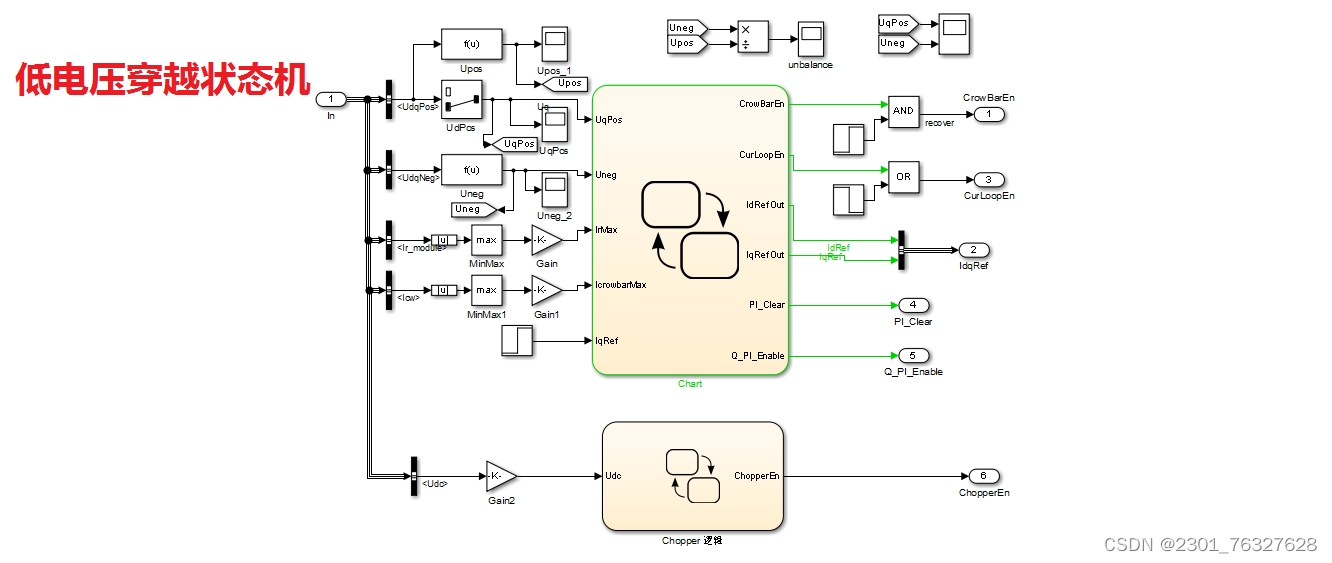
3.低电压穿越控制电路:网侧变流器为Chopper电路,机侧变流器为Crowbar电路; - 低电压穿越控制算法分为“电网三相电压发生对称跌跌落”和“电网电压发生不对称跌落”两种工况,对称跌落工况除了进行转子能量泄放还进行了无功支撑,在电网电压跌落阶段控制向电网发无功来支撑电网电压恢复。

ID:25500677820365507









本文来自互联网用户投稿,文章观点仅代表作者本人,不代表本站立场,不承担相关法律责任。如若转载,请注明出处。 如若内容造成侵权/违法违规/事实不符,请点击【内容举报】进行投诉反馈!
