关于版本
低版本不能打开高版本,现在最新版是6.7.0,而这个版本无法打开稚晖君的ioc,可能因为新版本里面不兼容SW4STM32。我现在用的是6.5.0而野火的是4.0 。 5.0也够用了呢。如果想更新的话 是可以直接在软件里面更新的。
配置

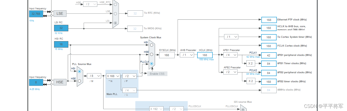
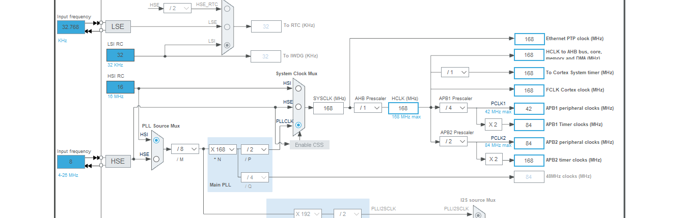
f103和407高速都是8Mhz 407的低速时32.768KHz,最小系统板上没有低速。


本文来自互联网用户投稿,文章观点仅代表作者本人,不代表本站立场,不承担相关法律责任。如若转载,请注明出处。 如若内容造成侵权/违法违规/事实不符,请点击【内容举报】进行投诉反馈!