相同的MOS管进行并联或者串联,它们等价的MOS管与原MOS管在宽长比上有什么联系与区别?
文章目录
- 一、问题描述
- 二、问题分析
- 三、问题结论
- 四、结论应用
一、问题描述
相同的MOS管进行并联或者串联,它们等价的MOS管与原MOS管在宽长比上有什么联系与区别?
二、问题分析
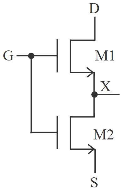
首先考虑MOS管M1和M2串联的情况,如图1所示。因M1和M2是相同的MOS管,所以他们的阈值电压 V T V_{T} VT相同。

若M1处于导通状态,则
V G − V X − V T > 0 V_{G} - V_{X} - V_{T} > 0 VG−VX−VT>0
即
V G − V T > V X # ( 1 ) \begin{matrix} V_{G} - V_{T} > V_{X}\#\left( 1 \right) \\ \end{matrix} VG−VT>VX#(1)
对于M2而言,若处于饱和状态,则
V G − V S − V T < V X − V S V_{G} - V_{S} - V_{T} < V_{X} - V_{S} VG−VS−VT<VX−VS
即
V G − V T < V X # ( 2 ) \begin{matrix} V_{G} - V_{T} < V_{X}\#\left( 2 \right) \\ \end{matrix} VG−VT<VX#(2)
综上可以发现公式(1)和公式(2)矛盾。因此,在M1导通的状态下,M2不可能处于饱和状态。
第一种情况:
M1和M2都处于线性区,则等效的MOS管M处于线性区。流过M1的漏源电流表示为
I D S 1 = 1 2 μ n C ox ( W L ) 1 [ 2 ( V G − V X − V T ) ( V D − V X ) − ( V D − V X ) 2 ] I_{DS1} = \frac{1}{2}\mu_{n}C_{\text{ox}}\left( \frac{W}{L} \right)_{1}\left\lbrack 2\left( V_{G} - V_{X} - V_{T} \right)\left( V_{D} - V_{X} \right) - \left( V_{D} - V_{X} \right)^{2} \right\rbrack IDS1=21μnCox(LW)1[2(VG−VX−VT)(VD−VX)−(VD−VX)2]
对上式进行变形得
I D S 1 = 1 2 μ n C ox ( W L ) 1 [ 2 ( V G − V X − V T ) − ( V D − V X ) ] ( V D − V X ) I_{DS1} = \frac{1}{2}\mu_{n}C_{\text{ox}}\left( \frac{W}{L} \right)_{1}\left\lbrack 2\left( V_{G} - V_{X} - V_{T} \right) - \left( V_{D} - V_{X} \right) \right\rbrack\left( V_{D} - V_{X} \right) IDS1=21μnCox(LW)1[2(VG−VX−VT)−(VD−VX)](VD−VX)
= 1 2 μ n C ox ( W L ) 1 [ 2 ( V G − V T ) − ( V D + V X ) ] ( V D − V X ) \ =\frac{1}{2}\mu_{n}C_{\text{ox}}\left( \frac{W}{L} \right)_{1}\left\lbrack 2\left( V_{G} - V_{T} \right) - \left( V_{D} + V_{X} \right) \right\rbrack\left( V_{D} - V_{X} \right) =21μnCox(LW)1[2(VG−VT)−(VD+VX)](VD−VX)
将 V G − V T V_{G} - V_{T} VG−VT作为整体考虑,可以得到
I D S 1 = 1 2 μ n C ox ( W L ) 1 [ ( V G − V T − V X ) + ( V G − V T − V D ) ] [ ( V G − V T − V X ) − ( V G − V T − V D ) ] I_{DS1} = \ \frac{1}{2}\mu_{n}C_{\text{ox}}\left( \frac{W}{L} \right)_{1}\left\lbrack \left( V_{G} - V_{T} - V_{X} \right) + \left( {V_{G} - V_{T} - V}_{D} \right) \right\rbrack\left\lbrack \left( V_{G} - V_{T} - V_{X} \right) - \left( {V_{G} - V_{T} - V}_{D} \right) \right\rbrack\text{\ \ } IDS1= 21μnCox(LW)1[(VG−VT−VX)+(VG−VT−VD)][(VG−VT−VX)−(VG−VT−VD)]
化简则有
I D S 1 = 1 2 μ n C ox ( W L ) 1 [ ( V G − V T − V X ) 2 − ( V G − V T − V D ) 2 ] # ( 3 ) \begin{matrix} I_{DS1}\ = \ \frac{1}{2}\mu_{n}C_{\text{ox}}\left( \frac{W}{L} \right)_{1}\left\lbrack \left( V_{G} - V_{T} - V_{X} \right)^{2} - \left( V_{G} - V_{T} - V_{D} \right)^{2} \right\rbrack\#\left( 3 \right) \\ \end{matrix} IDS1 = 21μnCox(LW)1[(VG−VT−VX)2−(VG−VT−VD)2]#(3)
同理可以得到
I D S 2 = 1 2 μ n C ox ( W L ) 2 [ 2 ( V G − V S − V T ) ( V X − V S ) − ( V X − V S ) 2 ] I_{DS2} = \frac{1}{2}\mu_{n}C_{\text{ox}}\left( \frac{W}{L} \right)_{2}\left\lbrack 2\left( V_{G} - V_{S} - V_{T} \right)\left( V_{X} - V_{S} \right) - \left( V_{X} - V_{S} \right)^{2} \right\rbrack IDS2=21μnCox(LW)2[2(VG−VS−VT)(VX−VS)−(VX−VS)2]
I D S 2 = 1 2 μ n C ox ( W L ) 2 [ ( V G − V T − V S ) 2 − ( V G − V T − V X ) 2 ] # ( 4 ) \begin{matrix} I_{DS2}\ = \ \frac{1}{2}\mu_{n}C_{\text{ox}}\left( \frac{W}{L} \right)_{2}\left\lbrack \left( V_{G} - V_{T} - V_{S} \right)^{2} - \left( V_{G} - V_{T} - V_{X} \right)^{2} \right\rbrack\#\left( 4 \right) \\ \end{matrix} IDS2 = 21μnCox(LW)2[(VG−VT−VS)2−(VG−VT−VX)2]#(4)
根据流过串联电路的电流相等有
I D S 1 = I D S 2 I_{DS1}\ = I_{DS2} IDS1 =IDS2
将公式(3)和公式(4)代入上式,可以计算得出
( V G − V T − V X ) 2 = ( W L ) 1 ( V G − V T − V D ) 2 + ( W L ) 2 ( V G − V T − V S ) 2 ( W L ) 1 + ( W L ) 2 \left( V_{G} - V_{T} - V_{X} \right)^{2}\ = \ \frac{\left( \frac{W}{L} \right)_{1}\left( V_{G} - V_{T} - V_{D} \right)^{2} + \left( \frac{W}{L} \right)_{2}\left( V_{G} - V_{T} - V_{S} \right)^{2}}{\left( \frac{W}{L} \right)_{1} + \left( \frac{W}{L} \right)_{2}} (VG−VT−VX)2 = (LW)1+(LW)2(LW)1(VG−VT−VD)2+(LW)2(VG−VT−VS)2
此时得到的公式依然很复杂,且没有表示出等效MOS管的宽长比与M1、M2的宽长比的关系,就会想到还需要一个等式用来化简,那如何找到这个等式呢?
事实上,可以令
I DS = 1 2 ( I D S 1 + I D S 2 ) I_{\text{DS}}\ = \frac{1}{2}\left( I_{DS1} + I_{DS2} \right)\ IDS =21(IDS1+IDS2)
将公式(3)和公式(4)代入上式,可以计算得出
I DS = 1 2 { 1 2 μ n C ox ( W L ) 1 [ ( V G − V T − V X ) 2 − ( V G − V T − V D ) 2 ] + 1 2 μ n C ox ( W L ) 2 [ ( V G − V T − V S ) 2 − ( V G − V T − V X ) 2 ] } I_{\text{DS}}\ = \frac{1}{2}\left\{ \frac{1}{2}\mu_{n}C_{\text{ox}}\left( \frac{W}{L} \right)_{1}\left\lbrack \left( V_{G} - V_{T} - V_{X} \right)^{2} - \left( V_{G} - V_{T} - V_{D} \right)^{2} \right\rbrack + \frac{1}{2}\mu_{n}C_{\text{ox}}\left( \frac{W}{L} \right)_{2}\left\lbrack \left( V_{G} - V_{T} - V_{S} \right)^{2} - \left( V_{G} - V_{T} - V_{X} \right)^{2} \right\rbrack \right\}\ IDS =21{21μnCox(LW)1[(VG−VT−VX)2−(VG−VT−VD)2]+21μnCox(LW)2[(VG−VT−VS)2−(VG−VT−VX)2]}
= 1 4 μ n C ox { [ ( W L ) 1 − ( W L ) 2 ] ( V G − V T − V X ) 2 − ( W L ) 1 ( V G − V T − V D ) 2 + ( W L ) 2 ( V G − V T − V S ) 2 } = \frac{1}{4}\mu_{n}C_{\text{ox}}\left\{ \left\lbrack \left( \frac{W}{L} \right)_{1} - \left( \frac{W}{L} \right)_{2} \right\rbrack\left( V_{G} - V_{T} - V_{X} \right)^{2} - \left( \frac{W}{L} \right)_{1}\left( V_{G} - V_{T} - V_{D} \right)^{2} + \left( \frac{W}{L} \right)_{2}\left( V_{G} - V_{T} - V_{S} \right)^{2} \right\} =41μnCox{[(LW)1−(LW)2](VG−VT−VX)2−(LW)1(VG−VT−VD)2+(LW)2(VG−VT−VS)2}
= 1 4 μ n C ox { [ ( W L ) 1 − ( W L ) 2 ] ( W L ) 1 ( V G − V T − V D ) 2 + ( W L ) 2 ( V G − V T − V S ) 2 ( W L ) 1 + ( W L ) 2 − ( W L ) 1 ( V G − V T − V D ) 2 + ( W L ) 2 ( V G − V T − V S ) 2 } = \frac{1}{4}\mu_{n}C_{\text{ox}}\left\{ \left\lbrack \left( \frac{W}{L} \right)_{1} - \left( \frac{W}{L} \right)_{2} \right\rbrack\frac{\left( \frac{W}{L} \right)_{1}\left( V_{G} - V_{T} - V_{D} \right)^{2} + \left( \frac{W}{L} \right)_{2}\left( V_{G} - V_{T} - V_{S} \right)^{2}}{\left( \frac{W}{L} \right)_{1} + \left( \frac{W}{L} \right)_{2}} - \left( \frac{W}{L} \right)_{1}\left( V_{G} - V_{T} - V_{D} \right)^{2} + \left( \frac{W}{L} \right)_{2}\left( V_{G} - V_{T} - V_{S} \right)^{2} \right\} =41μnCox{[(LW)1−(LW)2](LW)1+(LW)2(LW)1(VG−VT−VD)2+(LW)2(VG−VT−VS)2−(LW)1(VG−VT−VD)2+(LW)2(VG−VT−VS)2}
= 1 4 μ n C ox { [ ( W L ) 1 − ( W L ) 2 ] ( W L ) 1 ( V G − V T − V D ) 2 + ( W L ) 2 ( V G − V T − V S ) 2 ( W L ) 1 + ( W L ) 2 + [ ( W L ) 2 ( V G − V T − V S ) 2 − ( W L ) 1 ( V G − V T − V D ) 2 ] ( W L ) 1 + ( W L ) 2 ( W L ) 1 + ( W L ) 2 } = \frac{1}{4}\mu_{n}C_{\text{ox}}\left\{ \left\lbrack \left( \frac{W}{L} \right)_{1} - \left( \frac{W}{L} \right)_{2} \right\rbrack\frac{\left( \frac{W}{L} \right)_{1}\left( V_{G} - V_{T} - V_{D} \right)^{2} + \left( \frac{W}{L} \right)_{2}\left( V_{G} - V_{T} - V_{S} \right)^{2}}{\left( \frac{W}{L} \right)_{1} + \left( \frac{W}{L} \right)_{2}} + \left\lbrack \left( \frac{W}{L} \right)_{2}\left( V_{G} - V_{T} - V_{S} \right)^{2} - \left( \frac{W}{L} \right)_{1}\left( V_{G} - V_{T} - V_{D} \right)^{2} \right\rbrack\frac{\left( \frac{W}{L} \right)_{1} + \left( \frac{W}{L} \right)_{2}}{\left( \frac{W}{L} \right)_{1} + \left( \frac{W}{L} \right)_{2}} \right\} =41μnCox{[(LW)1−(LW)2](LW)1+(LW)2(LW)1(VG−VT−VD)2+(LW)2(VG−VT−VS)2+[(LW)2(VG−VT−VS)2−(LW)1(VG−VT−VD)2](LW)1+(LW)2(LW)1+(LW)2}
= 1 4 μ n C ox { 2 ( W L ) 1 ( W L ) 2 ( W L ) 1 + ( W L ) 2 [ ( V G − V T − V S ) 2 − ( V G − V T − V D ) 2 ] } = \frac{1}{4}\mu_{n}C_{\text{ox}}\left\{ 2\frac{\left( \frac{W}{L} \right)_{1}\left( \frac{W}{L} \right)_{2}}{\left( \frac{W}{L} \right)_{1} + \left( \frac{W}{L} \right)_{2}}\left\lbrack \left( V_{G} - V_{T} - V_{S} \right)^{2} - \left( V_{G} - V_{T} - V_{D} \right)^{2} \right\rbrack \right\} =41μnCox{2(LW)1+(LW)2(LW)1(LW)2[(VG−VT−VS)2−(VG−VT−VD)2]}
= 1 2 μ n C ox ( W L ) 1 ( W L ) 2 ( W L ) 1 + ( W L ) 2 [ ( V G − V T − V S ) 2 − ( V G − V T − V D ) 2 ] = \frac{1}{2}\mu_{n}C_{\text{ox}}\frac{\left( \frac{W}{L} \right)_{1}\left( \frac{W}{L} \right)_{2}}{\left( \frac{W}{L} \right)_{1} + \left( \frac{W}{L} \right)_{2}}\left\lbrack \left( V_{G} - V_{T} - V_{S} \right)^{2} - \left( V_{G} - V_{T} - V_{D} \right)^{2} \right\rbrack =21μnCox(LW)1+(LW)2(LW)1(LW)2[(VG−VT−VS)2−(VG−VT−VD)2]
可以得到,等效MOS管的W/L与 ( W / L ) 1 {(W/L)}_{1} (W/L)1和 ( W / L ) 2 {(W/L)}_{2} (W/L)2的关系为
( W L ) = ( W L ) 1 ( W L ) 2 ( W L ) 1 + ( W L ) 2 \left( \frac{W}{L} \right)\ = \frac{\left( \frac{W}{L} \right)_{1}\left( \frac{W}{L} \right)_{2}}{\left( \frac{W}{L} \right)_{1} + \left( \frac{W}{L} \right)_{2}} (LW) =(LW)1+(LW)2(LW)1(LW)2
第二种情况:
M1处于饱和区,M2处于线性区,则等效的MOS管M处于饱和区。流过M1和M2的漏源电流表示为
I D S 1 = 1 2 μ n C ox ( W L ) 1 ( V G − V T − V X ) 2 # ( 5 ) \begin{matrix} I_{DS1}\ = \ \frac{1}{2}\mu_{n}C_{\text{ox}}\left( \frac{W}{L} \right)_{1}\left( V_{G} - V_{T} - V_{X} \right)^{2}\#\left( 5 \right) \\ \end{matrix} IDS1 = 21μnCox(LW)1(VG−VT−VX)2#(5)
I D S 2 = 1 2 μ n C ox ( W L ) 2 [ ( V G − V T − V S ) 2 − ( V G − V T − V X ) 2 ] # ( 6 ) \begin{matrix} I_{DS2}\ = \ \frac{1}{2}\mu_{n}C_{\text{ox}}\left( \frac{W}{L} \right)_{2}\left\lbrack \left( V_{G} - V_{T} - V_{S} \right)^{2} - \left( V_{G} - V_{T} - V_{X} \right)^{2} \right\rbrack\#\left( 6 \right) \\ \end{matrix} IDS2 = 21μnCox(LW)2[(VG−VT−VS)2−(VG−VT−VX)2]#(6)
利用上述同样的思路可以得到
I DS = 1 2 μ n C ox ( W L ) 1 ( W L ) 2 ( W L ) 1 + ( W L ) 2 ( V G − V T − V S ) 2 \begin{matrix} I_{\text{DS}}\ = \ \frac{1}{2}\mu_{n}C_{\text{ox}}\frac{\left( \frac{W}{L} \right)_{1}\left( \frac{W}{L} \right)_{2}}{\left( \frac{W}{L} \right)_{1} + \left( \frac{W}{L} \right)_{2}}\left( V_{G} - V_{T} - V_{S} \right)^{2} \\ \end{matrix} IDS = 21μnCox(LW)1+(LW)2(LW)1(LW)2(VG−VT−VS)2
可以得到,等效MOS管的W/L与 ( W / L ) 1 {(W/L)}_{1} (W/L)1和 ( W / L ) 2 {(W/L)}_{2} (W/L)2的关系为
( W L ) = ( W L ) 1 ( W L ) 2 ( W L ) 1 + ( W L ) 2 \left( \frac{W}{L} \right)\ = \frac{\left( \frac{W}{L} \right)_{1}\left( \frac{W}{L} \right)_{2}}{\left( \frac{W}{L} \right)_{1} + \left( \frac{W}{L} \right)_{2}} (LW) =(LW)1+(LW)2(LW)1(LW)2
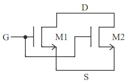
其次考虑MOS管M1和M2并联的情况,如图2所示。因M1和M2是相同的MOS管,所以他们的阈值电压 V T V_{T} VT相同。

由图可知,M1和M2的栅极、漏极和源极三端电压相同,则M1与M2处于相同的状态。
第一种情况:
MI和M2都处于饱和区,则等效MOS管也处于饱和区。流过M1和M2的漏源电流表示为
I D S 1 = 1 2 μ n C ox ( W L ) 1 ( V G − V S − V T ) 2 I_{DS1}\ = \ \frac{1}{2}\mu_{n}C_{\text{ox}}\left( \frac{W}{L} \right)_{1}\left( V_{G} - V_{S} - V_{T} \right)^{2} IDS1 = 21μnCox(LW)1(VG−VS−VT)2
I D S 2 = 1 2 μ n C ox ( W L ) 2 ( V G − V S − V T ) 2 I_{DS2}\ = \ \frac{1}{2}\mu_{n}C_{\text{ox}}\left( \frac{W}{L} \right)_{2}\left( V_{G} - V_{S} - V_{T} \right)^{2} IDS2 = 21μnCox(LW)2(VG−VS−VT)2
并联电路的总电流等于各支路电流之和,有
I DS = I D S 1 + I D S 2 = 1 2 μ n C ox [ ( W L ) 1 + ( W L ) 2 ] ( V G − V S − V T ) 2 I_{\text{DS}}\ = I_{DS1} + I_{DS2} = \ \frac{1}{2}\mu_{n}C_{\text{ox}}\left\lbrack \left( \frac{W}{L} \right)_{1} + \left( \frac{W}{L} \right)_{2} \right\rbrack\left( V_{G} - V_{S} - V_{T} \right)^{2} IDS =IDS1+IDS2= 21μnCox[(LW)1+(LW)2](VG−VS−VT)2
可以得到,等效MOS管的 ( W / L ) {(W/L)} (W/L)与 ( W / L ) 1 {(W/L)}_{1} (W/L)1和 ( W / L ) 2 {(W/L)}_{2} (W/L)2的关系为
( W L ) = ( W L ) 1 + ( W L ) 2 \left( \frac{W}{L} \right)\ = \left( \frac{W}{L} \right)_{1} + \left( \frac{W}{L} \right)_{2} (LW) =(LW)1+(LW)2
第二种情况:
MI和M2都处于线性区,则等效MOS管也处于线性区。流过M1和M2的漏源电流表示为
I D S 1 = 1 2 μ n C ox ( W L ) 1 [ 2 ( V GS − V T ) V DS − V DS 2 ] I_{DS1}\ = \ \frac{1}{2}\mu_{n}C_{\text{ox}}\left( \frac{W}{L} \right)_{1}\left\lbrack 2\left( V_{\text{GS}} - V_{T} \right)V_{\text{DS}} - {V_{\text{DS}}}^{2} \right\rbrack IDS1 = 21μnCox(LW)1[2(VGS−VT)VDS−VDS2]
I D S 2 = 1 2 μ n C ox ( W L ) 1 [ 2 ( V GS − V T ) V DS − V DS 2 ] I_{DS2}\ = \ \frac{1}{2}\mu_{n}C_{\text{ox}}\left( \frac{W}{L} \right)_{1}\left\lbrack 2\left( V_{\text{GS}} - V_{T} \right)V_{\text{DS}} - {V_{\text{DS}}}^{2} \right\rbrack IDS2 = 21μnCox(LW)1[2(VGS−VT)VDS−VDS2]
并联电路的总电流等于各支路电流之和,有
I DS = I D S 1 + I D S 2 = 1 2 μ n C ox [ ( W L ) 1 + ( W L ) 2 ] [ 2 ( V GS − V T ) V DS − V DS 2 ] I_{\text{DS}}\ = I_{DS1} + I_{DS2} = \frac{1}{2}\mu_{n}C_{\text{ox}}\left\lbrack \left( \frac{W}{L} \right)_{1} + \left( \frac{W}{L} \right)_{2} \right\rbrack\left\lbrack 2\left( V_{\text{GS}} - V_{T} \right)V_{\text{DS}} - {V_{\text{DS}}}^{2} \right\rbrack IDS =IDS1+IDS2=21μnCox[(LW)1+(LW)2][2(VGS−VT)VDS−VDS2]
可以得到,等效MOS管的 ( W / L ) {(W/L)} (W/L)与 ( W / L ) 1 {(W/L)}_{1} (W/L)1和 ( W / L ) 2 {(W/L)}_{2} (W/L)2的关系为
( W L ) = ( W L ) 1 + ( W L ) 2 \left( \frac{W}{L} \right)\ = \left( \frac{W}{L} \right)_{1} + \left( \frac{W}{L} \right)_{2} (LW) =(LW)1+(LW)2
三、问题结论
对于处于饱和区和线性区的MOS管而言,有以下结论:
MOS管M1、M2并联,则M1宽长比 ( W / L ) 1 {(W/L)}_{1} (W/L)1与M2宽长比 ( W / L ) 2 {(W/L)}_{2} (W/L)2串联,即
( W L ) = ( W L ) 1 + ( W L ) 2 \left( \frac{W}{L} \right)\ = \left( \frac{W}{L} \right)_{1} + \left( \frac{W}{L} \right)_{2} (LW) =(LW)1+(LW)2
MOS管M1、M2串联,则M1宽长比 ( W / L ) 1 {(W/L)}_{1} (W/L)1与M2宽长比 ( W / L ) 2 {(W/L)}_{2} (W/L)2并联,即
( W L ) = ( W L ) 1 ( W L ) 2 ( W L ) 1 + ( W L ) 2 \left( \frac{W}{L} \right)\ = \frac{\left( \frac{W}{L} \right)_{1}\left( \frac{W}{L} \right)_{2}}{\left( \frac{W}{L} \right)_{1} + \left( \frac{W}{L} \right)_{2}} (LW) =(LW)1+(LW)2(LW)1(LW)2
四、结论应用
在数字电路中,若具有相同驱动能力的反相器和二输入与非门,则二输入与非门下拉网络中NMOS管宽长比是反相器NMOS管宽长比的2倍,即
( W L ) nand = 2 ( W L ) inv \left( \frac{W}{L} \right)_{\text{nand}} = 2\left( \frac{W}{L} \right)_{\text{inv}} (LW)nand=2(LW)inv
那上拉网络中PMOS管的宽长比又有什么关系呢?
其实对二输入与非门而言,通常情况下只需要一个PMOS管导通,所以则二输入与非门上拉网络中PMOS管的宽长比与反相器PMOS管的宽长比相等,即
( W L ) nand = ( W L ) inv \left( \frac{W}{L} \right)_{\text{nand}} = \left( \frac{W}{L} \right)_{\text{inv}} (LW)nand=(LW)inv
本文来自互联网用户投稿,文章观点仅代表作者本人,不代表本站立场,不承担相关法律责任。如若转载,请注明出处。 如若内容造成侵权/违法违规/事实不符,请点击【内容举报】进行投诉反馈!
